xTIGRx писал(а):
Взял блок питания на 3 вольта, конденсатор и катушку индуктивности. Включил все это...
Передатчики малой мощности(жуки). Часть 1.Практически на каждом радиолюбительском форуме есть статья про жуков для самых начинающих и хотя все статьи похожи, но это уж как традиция и почему на «коте» её не поддержать? Все, что написано ниже, предназначено тем, кому интересно попробовать все это впервые и при этом не просто копировать какую то схему, а по возможности выбрать схему под свои требования, при этом четко понимая, как она работает.
Под жуками я подразумеваю маломощные передатчики на любую частоту и с любой модуляцией. На сайте есть статьи по генераторам ВЧ и другим узлам передатчиков, но в них больше теория, а здесь сделаем упор на практику, но так, что бы был ясен принцип того, что собираемся сделать. Ограничимся здесь схемами начиная от простейших жуков, до маломощных УКВ и КВ передатчиков мощностью до 300 мвт.
Структурная схема передатчика в большинстве случаев стандартна и состоит из:
1. Генератора ВЧ
2. Буферного каскада
3. Усилителя мощности(УМ)
4. Модулятора
5. Устройства согласования с антенной(УС)
Вот так, например, выглядит структурная схема передатчика с частотной модуляцией(ЧМ).
А так выглядит передатчик с амплитудной модуляцией(АМ)

Назначение каждого квадратика как бы и пояснения не требуют. Если кратко, то генератор ВЧ определяет частоту работы передатчика. Понятно, что в первую очередь от него добиваются стабильности частоты. Для этого нужно добиться, что бы он как можно сильнее был отделен от остальной части схемы. При этом обычно, чем меньше мощность задающего генератора, тем более стабильным его можно сделать. Отсюда понятен смысл буферного каскада. Схему буферного каскада выбирают так, что бы он слабо нагружал генератор ВЧ и выдавал достаточную мощность для раскачки усилителя мощности(УМ). Для чего нужен УМ и так понятно, поэтому и писать не имеет смысла.
Устройство согласования с антенной(УС) тоже понятно. Нам нужно не просто получить требуемую мощность в УМ. Нам нужно, что бы максимум этой мощности уходил в антенну, а не рассеивалась на выходном каскаде УМ просто нагревая его. Вот это и делает УС. В большинстве случаев в качестве УС используют П-контур, но это не всегда. Иногда делают по другим схемам.
Назначение модулятора тоже понятно. В передатчике ЧМ с помощью модулятора мы в некоторых пределах в такт звуку меняем частоту задающего генератора.
В передатчике АМ с помощью модулятора в такт звука меняем мощность УМ.
Для передачи речи, что в данном случае нас интересует, есть и другие виды модуляции. Например, в профессиональной связи используют передачу одной боковой полосы(SSB) и некоторые другие виды модуляции, но оставим это дело в стороне. Если терпения хватит, то разберем это в другой теме в дальнейшем, иначе статью и не закончишь.
Простейшие передатчики, в частности жуки часто строят по упрощенной структурной схеме, вплоть до того, что выбрасывают буферный каскад, усилитель мощности и устройство согласования, т.е. оставляют только сам генератор ВЧ, модулятор, а антенну непосредственно подключают на выход генератора ВЧ.

На самом деле здесь два транзистора. Один транзистор на котором сделан модулятор находится внутри корпуса микрофона, а резистор R4, это сопротивление нагрузки этого каскада.
Говорить о стабильности подобного жука понятно не имеет смысла, т.к. частота его меняется и от того, что находиться рядом с антенной, не говоря уж, что бы подносить к ней руку. Также частота меняется при изменении питания и т.д., но в принципе подобный жук хоть как-то, но работает.
По подобной схеме можно даже сделать мощный передатчик, но стабильность частоты его будет еще хуже, т.к. он будет греться, как печка и от этого частота плавать будет еще сильнее.
Еще немного про модуляцию.
Понятно, что генератор ВЧ генерирует это самое синусоидальное ВЧ напряжение. Математически его можно написать так.
u=Usin(2πF+φ)
Где
U – амплитуда сигнала
F – частота сигнала
φ – фаза сигнала
Модуляция, это изменение в такт звука одного из параметров сигнала. Если например в такт звука менять амплитуду «U», то получим амплитудную модуляцию(АМ)
Если в такт звука менять частоту ВЧ колебания «F», то получим частотную модуляцию(ЧМ)
Если в такт звука менять фазу ВЧ колебания «φ», то получим фазовую модуляцию(ФМ)
ЧМ и ФМ относятся к классу «угловой модуляции» и во многом похожи. Есть конечно разница, но об этом позже и вероятно не в этой статье, т.к. здесь рассмотрим только ЧМ и АМ.
Кстати ЧМ бывает широкополосная WFM и узкополосная NFM. Первая применяется в радиовещании и все радиовещательные приемники как раз и адаптированы для приема широкополосной ЧМ. Радиовещательный приемник конечно примет и узкополосную ЧМ, но сигнал в динамике будет очень тихий, а если повышать громкость в приемнике, то будут слышны шумы.
Узкополосная ЧМ применяется в служебной связи. В тех же радиостанциях на 27 МГц или на 433 МГц. По простому говоря, узкополосная ЧМ, это когда в такт голоса, частота сигнала меняется на небольшую величину. Обычно на ±2,5 кГц или на ±5 кГц, а в широкополосной ЧМ частота сигнала меняется на много, например на ±50 кГц или на ±75 кГц. Широкополосная ЧМ позволяет повысить качество передаваемого сигнала, но расширяет полосу занимаемую передатчиком. Это даже из её названия понятно.
В первую очередь рассмотрим передатчики с широкополосной ЧМ, т.к. в своих экспериментах для приема будем использовать обычный радиовещательный радиоприемник.
Но начнем со схем задающих генераторов.
В принципе, схемы задающих генераторов уже рассмотрены в статье на сайте.
http://radiokot.ru/start/analog/bugs/03/Сначала разберемся с принципом работы генератора ВЧ на элементах LC. Некоторые глядя на схемы генераторов пытаются разобраться, как там заряжаются и разряжаются конденсаторы и т.п., но по-моему это лишнее, да и практической пользы не принесет. Так вот принцип действия подобных генераторов один и тот же, кроме некоторых генераторов о которых поговорим позже. Рассматривать, как работает генератор ВЧ лучше начинать с колебательного контура. Берем такую схему с колебательным контуром и посмотрим, что произойдет, если кратковременно нажать и отпустить кнопку.
Что бы не быть голословным, я на самом деле собрал подобную схему и посмотрел.
Вижу, что при подаче импульса напряжения на колебательный контур в нем возникают затухающие колебания с частотой определяемой колебательным контуром. Если немного развернуть на осциллографе, то это видно лучше.

В принципе, как маятник. Если его периодически подталкивать, то он будет колебаться постоянно, а если подталкивать по чаще, то и колебания не будут успевать затухать. Еще главное это подталкивать в определенные моменты, т.е. по ходу маятника и с достаточной силой. Все это относится и к колебательному контуру. В теории генераторов это правило называется «баланс фаз» и «баланс амплитуд»
На самом деле я конечно кнопку не нажимал, хотя и можно было, но я просто сделал мультивибратор и подавал импульсы с него на колебательный контур. Частота мультивибратора где то 2 кГц, а собственная частота колебательного контура где то 100 кГц.
Т.е. получается, что я толкнул колебательный контур и примерно через 50 колебаний в контуре, которые постепенно затухают, я опять его подтолкнул и т.д. При этом подталкивание происходит случайным образом и фаза каждой вспышки колебаний у нас тоже случайная, т.е. своя в каждой вспышке. Отсюда вырисовывается требование к схеме. Нужно придумать такую схему, что бы она автоматически подталкивала колебания в колебательном контуре постоянно с нужной силой и в нужные моменты.
Это делается в схемах с положительной обратной связью(ПОС). Положительная обратная связь, это когда какую то часть сигнала с выхода, в нужной фазе подают снова на вход схемы.
На основе полученный здесь знаний начнем «изобретать» генератор. Для этого нам потребуется само собой колебательный контур, усилитель, батарейка и что самое интересное выключатель, который является довольно таки важным элементом схемы генератора.
Смотрим, что получается. При замыкании выключателя, из за переходных процессов в схеме, в том числе и колебательном контуре получается бросок тока, хотя бывает достаточным любое "возмущение" схемы, например помехи по питанию или шумов.
Но не всегда этого достаточно..
Все зависит от режима возбуждения генератора, но в это углубляться здесь не будем. Вследствие этого в контуре возникнут колебания. Небольшая часть этих колебаний через катушку связи подается на вход усилителя. Эти колебания усиливаются, потом снова поступают на колебательный контур и подталкивают колебания в нем и так по кругу. Главное, что бы подталкивание было в такт с колебаниями, что возникли в колебательном контуре. Если это не так, то нужно поменять местами выводы катушки связи или выводы колебательного контура.
Практическая схема подобного генератора выглядит так.
Все генераторы практически работают по этому принципу. Разница только в подаче обратной связи и включения контура в схему. Схема, что выше называется генератор с трансформаторной обратной связью. А например про часто применяемую схему генератор Колпитца можно почитать на форуме в этой теме.
viewtopic.php?f=28&t=33417 Там все подробно написано.
Теперь коротко о схемах, что работают по другим принципам. Один генератор мы уже разбирали, это тот, что с мультивибратором. Подобный генератор называется «генератор с ударным возбуждением» В нем нет никакой положительной обратной связи.
Другой генератор без положительной обратной связи можно сделать если компенсировать потери в колебательном контуре, что бы толкнул его один раз и колебания там не затухали. Колебания затухают из за потерь в колебательном контуре. Потери в колебательном контуре это какое его активное сопротивление. Если в контур внести такое же отрицательное сопротивление, что и сопротивление потерь, то потери компенсируются и колебания в контуре после толчка затухать не будут.
Обычно в качестве этого используют туннельный диод или лямбда-диода. Более подробно про такие генераторы потом напишу.
Теперь посмотрим преимущества и недостатки различных схем генераторов ВЧ применительно к практике, что бы в дальнейшем могли выбирать нужную схему под наши требования.
Поехали дальше. Передатчики малой мощности(жуки). Часть 2 Генераторы ВЧ.
В общем случае генераторы делятся на две большие группы.
1. Емкостные трехточки.
2. Индуктивные трехточки.
Как уже говорили, что существуют и другие типы генератором, но про них потом.
Емкостная трехточка называется так из за того, что для создания ПОС часть выходного напряжения, что подается на вход, создается с помощью емкостного делителя.
В индуктивной трехточке эта часть получают с помощью индуктивного делителя, например с помощью отвода в катушке колебательного контура.
Начнем с емкостной трехточки на транзисторе с общей базой. Её ещё называют генератор Колпитца. Данная схема генератора широко применяется в схемах жучков, т.к. позволяет наиболее просто получить ЧМ в генераторе. Позволяет избавиться от применения варикапа для этих целей.
Выглядит так.
В данной теме на форуме про неё много написано.
viewtopic.php?f=28&t=33417 Здесь только повторим немного.
С1 и С5 это блокировочные конденсаторы. Теоретически их сопротивление на частоте генерации близко к нулю, т.е. они имеют довольно большую емкость и малые потери на ВЧ.
С1 переводит каскад по ВЧ в схему с общей базой.
С5 замыкает по ВЧ плюсовую и минусовую шины питания, т.к. только в теории внутреннее сопротивление батарейки равно нулю, а на практике это не так. На практике внутреннее сопротивление батарейки имеет конечную величину, да еще добавляется паразитное индуктивное сопротивление проводов, что идут к батарейке. С5 ставят как можно ближе к колебательному контуру и всей остальной схеме генератора.
Конденсаторы С2, С3, С4, С5 являются составными частями колебательного контура. Также в состав контура входят внутренние емкости транзистора. С3 и С4, это и есть наш делитель с которого снимается часть выходного сигнала для ПОС. Эквивалентная схема по ВЧ данного генератора выглядит так.
Т.к. это просто эквивалентная схема, то вместо С1 и С5 я здесь поставил перемычки, т.к. уже говорили, что их сопротивления на частоте генерации близко к нулю. Внутренние емкости транзистора здесь не рисовал, но их можно пририсовать также обобщенно параллельно катушке.
Красным нарисовал делитель на выходе и цепь положительной обратной связи(ПОС), что идет с емкостного делителя на вход каскада с общей базой. Также здесь видно какие емкости входят в состав колебательного контура. Следует сюда добавить и внутренние емкости транзистора, т.к. это важно и в дальнейшем, когда будем получать частотную модуляцию в этом генераторе, мы это увидим.
Следующая схема емкостной трехточки, это генератор Пирса.
Выглядит так.
С2 просто разделительный конденсатор большой емкости, нужен что бы не было короткого замыкания базы и коллектора по постоянному току.
Если схему перерисовать, то будет понятнее.
Имеем усилитель на транзисторе с общим эмиттером(ОЭ) который вращает у нас фазу сигнала на 180 градусов. П-контур, что нарисовал красным цветом, тоже вращает фазу сигнала. В итоге обратная связь является положительной, т.к. общий сдвиг фазы получается 360 градусов.
В жуках данная схема редко применяется. Она более удобна в схемах с кварцем.
Следующая схема емкостной трехточки, это генератор Клаппа.
На форуме по данному генератору есть тема обсуждения и там довольно подробно её разобрали.
viewtopic.php?f=28&t=49926Емкость в контуре, это последовательное соединение трех конденсаторов С1,С2 и С3. С1 и С2 обычно делают намного больше, чем емкость С1. При этом стабильность частоты данного генератора возрастает, т.к. внутренние емкости транзистора, что нестабильные, шунтируются большими конденсаторами С1 и С2 и действие нестабильных внутренних емкостей транзистора нивелируется, хотя в простейших жуках это иногда является как раз недостатком, но про это ниже, где будем разбираться с получением ЧМ в этих генераторах.
Теперь рассмотрим схемы индуктивных трехточек.
Схем индуктивных трехточек тоже несколько. Вот например схема индуктивной трехточки по виду похожая на схему генератора Колпитца, только в ней делитель сделан с помощью отвода в контурной катушке. Транзистор здесь включен по схеме с ОБ.
С4 в данной схеме имеет сравнительно большую емкость, т.к. в отличии от генератора Колпитца он является просто разделительным.
А это индуктивная трехточка в которой транзистор включен по схеме с общим коллектором.
Для применения в жуках больше подходит схема индуктивной трехточки в которой транзистор включен по схеме с общим эмиттером. В данной схеме от генератора можно получить мощность большую, чем в схемах рассмотренных выше.
Понятно, что генераторы можно сделать и на полевых транзисторах. Вот хотя бы пример.

Для полного счастья коротко рассмотрим еще и генераторы по принципу внесения отрицательного сопротивления в колебательный контур.
Генератор на туннельном диоде. Сразу приведу схему маломощного передатчика на туннельном диоде.

Если применить микрофон МКЭ-3, то можно снизить питание до 1,5 вольта, уменьшив резистор R3 до 300 Ом. Частота подобного генератора довольно нестабильна. Её в данном случае лучше выбирать порядка нескольких сотен мегагерц, хотя можно и ниже. Мощность подобного передатчика всего лишь единицы милливатт.
Генератор на эквиваленте лямбда-диода. Работает до частот в единицы мегагерц.
И еще одна схема генератора на основе мультивибратора в которой транзисторы работают в барьерном режиме. Подробнее про него можно почитать в теме на форуме.
viewtopic.php?f=28&t=87049Выглядит так.
Если необходимо, что бы один конец катушки был на общем проводе, то схему можно сделать на транзисторах структуры p-n-p
Достоинство этого генератора в том, что работает при широком соотношении L и С. Недостаток в малом выходном напряжении и малой нагрузочной способности.
Еще один недостаток данной схемы в том, что она имеет большую входную емкость и при применении например транзисторов КТ3102 или КТ3107 может достигать сотни пикофарад. Часто это не важно, а вот если по данной схеме делать перестраиваемый генератор с помощью КПЕ или варикапа, то данная емкость резко снижает коэффициент перестройки.
Эту емкость можно определить экспериментально. Нужно взять заведомо известную катушку, например дроссель пусть на 10 мкГн и подключить к схеме. Потом измерить частоту генерации и исходя их этого вычислить емкость контура. Эта емкость и будет искомой входной емкостью схемы, которая всегда добавляется в контур.
Если говорить применительно к жукам, то в них в основном применяют две схемы. Первая, это схема генератора Колпитца, где транзистор включен с общей базой и вторая, это индуктивная трехточка в которой транзистор включен с общим эмиттером.
Как уже писал, что в первой легко осуществить ЧМ в генераторе, а вторую можно сделать более мощную при том же напряжении питания, но для получения ЧМ в этом случае приходиться применять варикап.
Теперь посмотрим, как сделать модуляцию в генераторах и не только ЧМ, а и АМ. Точнее рассмотрим, почему делать АМ модуляцию непосредственно в LС генераторе не стоит и нужно перенести её в последующие каскады АМ передатчика, если конечно эти последующие каскады есть.
Поехали дальше. Передатчики малой мощности(жуки). Часть 3. Модуляция в генераторах.Сначала рассмотрим получение ЧМ в автогенераторе. Сразу напрашивается применить для этих целей варикап. Варикап, это полупроводниковый диод, работа которого основана на зависимости барьерной ёмкости p-n перехода от обратного напряжения. В принципе таким свойством обладает любой диод, т.к. в любом диоде тоже есть p-n переход и само собой таким свойством обладает любой p-n переход транзистора. Этим часто пользуются в простейших жуках.
Сначала про варикап. Его в принципе можно поставить в любую схему генератора, что рассматривали в предыдущей части.
Для примера возьмем индуктивную трехточку в которой транзистор включен с общим эмиттером.
Подробнее про такой жук написано в теме на форуме.
viewtopic.php?p=694222#p694222
В качестве варикапа здесь стоит обычный диод КД102. Можно конечно поставить варикап с маленькой емкостью при напряжении на нем порядка 1 – 2 вольта. Принцип понятен из схемы. В исходном состоянии на коллекторе транзистора VТ1 с помощью резистора R3 установлено напряжение 1 – 1,2 вольта. Если будем говорить в микрофон, то напряжение на коллекторе VТ1 будет меняться в такт звука, а значит будет меняться запирающее напряжение на варикапе. При этом будет меняться его емкость, а значит будет осуществляться ЧМ модуляция в генераторе. Анод диода для ВЧ соединяется с общим проводом через внутренние емкости транзистора VТ1, хотя можно у него между коллектором и эмиттером поставить дополнительную емкость в десятки пикофарад. Варикап можно включить и по другому, как например сделано в этой статье.
http://radiokot.ru/circuit/analog/receiv_transmit/18/
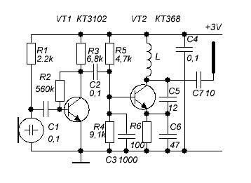
Или так.

Здесь я нарисовал схему довольно мощного жука. В усилителе мощности стоят два транзистора КТ368 в параллель, хотя лучше поставить один с рассеиваемой мощностью коллектором порядка 300 – 500 мвт с Fт не менее 800 МГц. L2, это удлиняющая катушка. Её индуктивность зависит от длины антенны. В принципе её можно не ставить, но дальность при этом снизится. Вместо микрофона само собой можно подать сигнал с линейного выхода например компьютера. Если сделать еще и хорошую антенну, то можно достичь дальности в сотни метров.
В общем для получения ЧМ, варикап можно поставить в любую схему генератора.
Посмотрим как его можно поставить в генератор Колпитца и почему от него там можно избавится. Варикап в ней подключается стандартно.

Или так.

Во втором случае подбором конденсатора С1 мы можем устанавливать величину девиации частоты.
Теперь вернемся к тому, что писали в самом начале.
Варикап, это полупроводниковый диод, работа которого основана на зависимости барьерной ёмкости p-n перехода от обратного напряжения. В принципе таким свойством обладает любой диод, т.к. в любом диоде тоже есть p-n переход и само собой таким свойством обладает любой p-n переход транзистора.Смотрим на схему генератора Колпитца и видим, что если менять смещение на базе, то будет меняться ток через транзистор.

При этом при изменении тока через транзистор будет меняться напряжение на резисторе R3, что стоит в цепи эмиттера, а напряжение на самом транзисторе у нас равно напряжению питания генератора за вычетом напряжения, что падает на резисторе R3. Т.о. получается, что меняя в небольших пределах ток базы, а значит и ток через транзистор, напряжение на pn переходах транзистора будет меняться, а значит будет меняться емкости этих pn переходах. Раньше уже говорили, что внутренние емкости транзистора входят в состав колебательного контура генератора, а это значит, что будет происходить ЧМ в подобной схеме.
Ток базы генератора будем менять в такт звука подавая напряжение звуковой частоты с модулятора на базу генератора.
Получаем хорошо известную схему жука на основе генератора Колпитца.

Недостаток этой схемы в том, что кроме ЧМ модуляции в данной схеме присутствует еще и паразитная АМ модуляция, но это не так и критично, т.к. в тракте приемника ЧМ обычно присутствует ограничитель сигнала, а значит он не воспринимает эту паразитную АМ.
Еще одна схема получения ЧМ модуляции в схеме генератора Колпитца.
Конденсатор, что шунтирует резистор стоящий в эмиттере тоже входит в состав колебательного контура, а значит влияет на частоту. Когда говорим в микрофон, то у нас меняется напряжение на транзисторе модулятора, а значит меняется его выходная емкость. Можно эту емкость транзистора подключить вместо конденсатора, что шунтирует резистор в эмиттере. При этом конденсатор С2 можно поставить величиной в сотни пикофарад, а напряжение на коллекторе VT1 уменьшить, т.к. изменение емкостей pn переходов увеличивается при снижении напряжения на них. В этих целях резистор R2 уменьшим до 100 кОм. При этом напряжение на коллекторе VT1 стало порядка 1,5 вольта.

Теперь понятно почему к примеру в схеме индуктивной трехточки повышенной мощности, что рассматривали выше, для получения ЧМ необходим именно варикап. В ней вообще нет резистора в эмиттере.

Как видим в данной схеме, если менять режим транзистора в схеме задающего генератора, то будет меняться только ток через транзистор, а напряжения на pn переходах в данной схеме генератора не меняется, поэтому получать ЧМ в подобной схеме приходиться с помощью варикапа. Хотя данная схема и имеет преимущество в том, что при одном и том же напряжении питания от неё можно получить большую мощность. Мощность же зависит от тока через транзистор и его ток. Если в генераторе Колпитца увеличивать ток через транзистор, то возрастает падение на резисторе, что стоит в эмиттере, а на транзисторе соответственно напряжение падает. Поэтому в генераторе Колпитца мы не можем сильно увеличивать ток, т.к. это может привести к обратному эффекту, а именно уменьшению мощности, а то и к срыву генерации.
Теперь посмотрим можно ли получить АМ модуляцию в генераторе.
На первый взгляд все просто нужно менять режим транзистора или его напряжение питания и получим АМ. Но все не так просто. Приемника АМ имеют полосу пропускания единицы килогерц, а паразитная частотная модуляция при этом может достигать десятков килогерц. В результате этого ничего путного мы принять не сможем. В принципе можно получить АМ модуляцию с небольшой глубиной модуляции в схеме индуктивной трехточки в которой отсутствует резистор в эмиттере или в схеме генератора Клаппа, т.к. в схеме генератора Клаппа внутренние емкости слабо влияют на частоту в виду того, что они зашунтированы большими внешними емкостями.

В схеме генератора Клаппа при сравнительно низких частотах в единицы мегагерц конденсаторы С; и С5 имеют емкость в сотни пикофарад, а т.к. данные конденсаторы стоят параллельно внутренним емкостям транзистора, то их изменение при изменении режима транзистора дают очень маленькую паразитную ЧМ.
К сожалению и в этом случае индекс модуляции возможно получить небольшой, т.к. зависимость амплитуды от режима транзистора довольно нелинейная и при большой глубине модуляции будут возникать сильные искажения, а то и срыв колебаний.
Здесь говорим только про LС генераторы, т.к. в случае генераторов на кварце ситуация будет другая, т.к. паразитная АМ в них будет очень маленькая, но про это потом.
Поэтому приходим к выводу, что для получения АМ в передатчике, лучше не трогать задающий генератор, а АМ делать в последующих каскадах, например в усилителе мощности или методом изменения связи с антенной.
Теперь перейдем к вопросу, как не имея специфичных измерительных приборов оценить мощность жука и частоту на которой он работает.
Поехали дальше. Передатчики малой мощности(жуки). Часть 4. Настройка жука.
Сделал жука, включил и не могу поймать его на приемнике. Подобный вопрос постоянно задают на форуме. Понятно, что здесь два варианта.
1. Нет генерации.
2. Жук работает на частоте , что не принимает приемник.
Понятно также, что нужно например взять осциллограф с полосой 200 МГц и посмотреть есть ли генерация. Частоту можно измерить частотомером, способный измерять частоты опять же до 200 МГц. Но не всегда человек решивший впервые попробовать сделать жука имеет подобные приборы. Здесь опять два варианта.
1. Методом «тыка» менять емкости и катушку пытаться наудачу все таки поймать своего жука.
2. Сделать какие либо простенькие приспособления, что бы решить эти вопросы.
Начнем со второго.
Понятно, что прежде, чем настраивать жука, его нужно спаять. Я спаял для пробы такой. В качестве антенны пока припаял жесткий провод длиной 10 см.

Жук простой до примитивности, но настройка любого жука практически одинаковая и если настроим этот, то понятно будет, как настроить и более сложный. Красным обозначил точки на схеме, что меня будут интересовать.
Сначала модулятор. Резистором R2 установил на коллекторе VT1, т.е. в точке «А» напряжение прядка 2 вольта. Потом посмотрел напряжение в точке «Б». Мультиметр подключал через резистор 5,1 кОм, что бы не вносить реактивности в схему ВЧ генератора. У меня получилось 0,6 вольта. Это значит ток через транзистор VT2 равен этому напряжению делить на величину резистора R6
0,6V/200 Ом=3 ма
Оставил пока так. Подбирается изменением резистора R4. Если его увеличивать, то ток уменьшается и наоборот.

Кстати можно проверить правильно ли запаяли транзистора. Для этого нужно базу VT1 соединить с общим проводом. Напряжение при этом в точке «А» будет равно напряжению питания. Если замкнуть базу VT2, то напряжение в точке «Б» должно упасть до нуля.
Теперь главное. Узнать есть ли генерация, и на какой частоте генерация.
Определить наличие генерации довольно просто. Нужно подключить на выход, т.е. к точке «В» диодный ВЧ пробник, а его выход подать на мультиметр в режиме измерения постоянного напряжения. Диод лучше ВЧ германиевый, но это сейчас большая редкость, поэтому я поставил кремниевый.

То, что нарисовано красным, припаивается непосредственно возле транзистора VT2 без всяких длинных проводов. Провода к мультиметру особого значения не имеют. У меня подучилось 2,5 вольта. Наличие напряжения однозначно говорит, что генерация есть. Осталось узнать главное, это на какой частоте жук генерирует. Можно конечно поставить жука возле телевизора или колонок ПК и попытаться найти его с помощью приемника. К приемнику лучше подключить наушники, что бы не было обратной акустической связи, и что бы при точной настройке приемник не пищал. Сначала конденсатор С7 у меня вообще не стоял. Катушка была 4 витка провода 0,5 мм. Катушку мотал на сверле диаметром 4 мм. Покрутил настройку приемника, но жука не нашел. Это значит, что жук генерирует на частоте, что приемник не принимает. У меня приемник с диапазоном 64 – 108 МГц. Если бы жук генерировал на частоте ниже 64 МГц, например на 50 МГц, то и в этом случае я бы поймал вторую гармонику жука, т.е. услышал его на частоте 100 МГц, но у меня, вероятно, он генерирует на частоте выше 108 МГц. Скажу по секрету, что частотомер у меня есть и я видел, что жук работает на частоте 170 МГц, поэтому я его и не нашел приемником.
В общем, я начал делать волномер с помощью которого хотя бы можно было узнать вблизи какой частоты генерирует жук. Если я к примеру с помощью подобного прибора определю, что жук генерирует пусть примерно около 95 МГц, то впоследствии, я и приемником буду искать его возле этой частоты. Это избавит от ошибки настройки приемника на гармонику жука, или на какой либо паразитный канал приема в приемнике. Дело в том, что когда жук рядом с приемником, то принять его обычно можно в нескольких точках и это зависит не столько от жука, сколько от приемника т.к. приемник может принимать на гармониках, а также супергетеродинный приемник имеет паразитные каналы приема на которых чувствительность приемника маленькая, но в данном случае жук у нас расположен просто рядом с приемником.
В сети полно схем волномеров. Я выбрал не самый оптимальный, но его преимущество в том, что в нем нет дефицитных деталей. Конденсатор переменной емкости взял из китайского приемника и их секции включил последовательно. Получился КПЕ где то от 15 пф до 100 пф. Плохо только то, что до ручки КПЕ можно дотрагиваться только если на его оси есть большая ручка из пластмассы.

Диоды VD1 и VD2 лучше поставить ВЧ германиевые, но я решил попробовать просто на кремниевых. Т.к. детектор у нас на кремниевом диоде, то на него, т.е. на VD1 подается напряжение смещения приоткрывающее диод. Это смещающее напряжение с помощью цепочки R1 и VD 2. Транзистор VT1 опять же лучше поставить полевой или германиевый, но я опять же, поставил более доступный кремниевый транзистор. Правда пришлось ввести цепочку VD3, VD4 и R4, что бы приоткрыть транзистор VT1 при нулевом напряжении на его базе. Если в качестве VT1 поставить германиевый транзистор, то эта цепочка не нужна. Вся настройка по постоянному току сводится в подборе резистора R7. Нужно его подобрать так, что бы в отсутствии сигнала на входе, напряжение на коллекторе VT2 было порядка 3 – 3,5 вольта. Если индикатор принимает жука, то это напряжение уменьшается.
Т.к. волномер я делал «на скорую руку» только для того, что бы проверить его работоспособность, то сделал его просто на куске полистирола.
Катушка выглядит так.

А это катушка совместно с КПЕ.

Там видна антенна из жесткого провода. Схема, как говорил спаяна на пластине полистирола, что тоже видна. Понятно, что на ручку КПЕ нужно сделать какую то шкалу. Большой точности не требуется.
Теперь самое главное, это отградуировать этот волномер.
Понятно, что можно сделать жука, посмотреть по приемнику на какой частоте он работает, потом поймать жука волномером и написать на шкале. Потом изменить частоту жука, и опять узнав частоту по приемнику, принять его волномером.
Я пошел другим путем.
Взял кварц на 20 МГц и сделал такой генератор и через конденсатор 1 пф подключил его к волномеру.. Я генератор красным обвел.

КПЕ установил на максимум емкости и слал его медленно вращать. Мне удалось найти минимум показаний индикатора. Я предположил, что принял третью гармонику генератора, т.е. 60 МГц. Продолжил крутить и нашел еще три минимума показаний индикатора. Отметил все эти минимумы на шкале волномера.
Т.е. предположили, что получили четыре точки 60 МГц, 80, МГц, 100 МГц и 120 МГц. Пока только предположили, хотя если у вас катушка такая же, то так оно и есть.
Теперь в генераторе поставил кварц на 25 МГц и все еще раз проделал уже с этим кварцем. Во всяком случае, я нашел три минимума. Предположим, что это точки 75 МГц, 100 МГц и 125 МГц, т.н. третья, четвертая и пятая гармоника генератора.
Как видим, что с обоими кварцами у нас есть точка 100 МГц. Вот там где они совпали по шкале с разными кварцами и есть 100 МГц, а остальные точки после этого уже определяются однозначно. Кварцы могут быть и другие, но желательно на частоты в десятки мегагерц и при этом не были гармониковыми. Я из старых сетевых карточек эти кварцы вытащил.
Если нет кварцем на большие частоты, то можно взять например кварцы на 10 МГц и пусть например на 15 МГц или на 14 МГц. Только возбуждать эти кварцы нужно будет на третьей гармонике. Для этого удобна схема генератора Колпитца с кварцем. Как сделать подобный генератор рассмотрим дальше, когда будем делать кварцованные жуки.
После того, как отградуировал волномер, то взял своего жука и попытался поймать его индикатором. Для начала жук и индикатор нужно поставить совсем рядом. Во всяком случае я индикатором своего жука не нашел. Предположил, что индуктивность катушки мала. Сделал катушку вместо 4-х витков 7 витков и сразу нашел его на частоте чуть больше 100 МГц. Проверил приемником около этой частоты и поймал его на приемник. В районе 100 МГц у нас радиовещательные станции мешаю и я припаял в жуке конденсатор С7 параллельно катушке на 5,6 пф и поймал его на частоте чуть меньше 100 МГц. Покрутил приемник в этом районе и нашел его на частоте 96 МГц.
Если индикатор при настройке показывает ноль на выходе, то отодвигайте его от жука. У меня с этим примитивным жуком с короткой антенной на жуке и индикаторе расстояние получилось порядка 15 см.
Теперь перейдем к более сложным жукам.
Прежде, чем делать жука, нужно задаться требованиями к нему.
Например.
1. Нужна большая дальность.
2. Дальность не важна, но должен быть экономичным.
3. Нужна высокая стабильнось частоты.
4. Нужно высокое качество звука.
и т.д.
В зависимости от нужных требования выбираем схему.
Поехали дальше.