Например TDA7294

Форум РадиоКот • Просмотр темы - Передатчики малой мощности(жуки).
Форум РадиоКот
Здесь можно немножко помяукать :)

Текущее время: Вт ноя 11, 2025 07:12:58

Часовой пояс: UTC + 3 часа


ПРЯМО СЕЙЧАС:



Начать новую тему Ответить на тему  [ Сообщений: 66 ]  1, , ,  
Автор Сообщение
Не в сети
 Заголовок сообщения: Передатчики малой мощности(жуки).
СообщениеДобавлено: Вт апр 05, 2016 18:52:20 
Модератор
Аватар пользователя

Карма: 158
Рейтинг сообщений: 1600
Зарегистрирован: Пт апр 28, 2006 15:26:07
Сообщений: 11940
Откуда: Россия.
Рейтинг сообщения: 7
Медали: 2
Мявтор 3-й степени (1) Лучший человек Форума 2017 (1)
xTIGRx писал(а):
Взял блок питания на 3 вольта, конденсатор и катушку индуктивности. Включил все это...


Передатчики малой мощности(жуки). Часть 1.

Практически на каждом радиолюбительском форуме есть статья про жуков для самых начинающих и хотя все статьи похожи, но это уж как традиция и почему на «коте» её не поддержать? Все, что написано ниже, предназначено тем, кому интересно попробовать все это впервые и при этом не просто копировать какую то схему, а по возможности выбрать схему под свои требования, при этом четко понимая, как она работает.
Под жуками я подразумеваю маломощные передатчики на любую частоту и с любой модуляцией. На сайте есть статьи по генераторам ВЧ и другим узлам передатчиков, но в них больше теория, а здесь сделаем упор на практику, но так, что бы был ясен принцип того, что собираемся сделать. Ограничимся здесь схемами начиная от простейших жуков, до маломощных УКВ и КВ передатчиков мощностью до 300 мвт.
Структурная схема передатчика в большинстве случаев стандартна и состоит из:
1. Генератора ВЧ
2. Буферного каскада
3. Усилителя мощности(УМ)
4. Модулятора
5. Устройства согласования с антенной(УС)
Вот так, например, выглядит структурная схема передатчика с частотной модуляцией(ЧМ).

Изображение

А так выглядит передатчик с амплитудной модуляцией(АМ)

Изображение

Назначение каждого квадратика как бы и пояснения не требуют. Если кратко, то генератор ВЧ определяет частоту работы передатчика. Понятно, что в первую очередь от него добиваются стабильности частоты. Для этого нужно добиться, что бы он как можно сильнее был отделен от остальной части схемы. При этом обычно, чем меньше мощность задающего генератора, тем более стабильным его можно сделать. Отсюда понятен смысл буферного каскада. Схему буферного каскада выбирают так, что бы он слабо нагружал генератор ВЧ и выдавал достаточную мощность для раскачки усилителя мощности(УМ). Для чего нужен УМ и так понятно, поэтому и писать не имеет смысла.
Устройство согласования с антенной(УС) тоже понятно. Нам нужно не просто получить требуемую мощность в УМ. Нам нужно, что бы максимум этой мощности уходил в антенну, а не рассеивалась на выходном каскаде УМ просто нагревая его. Вот это и делает УС. В большинстве случаев в качестве УС используют П-контур, но это не всегда. Иногда делают по другим схемам.
Назначение модулятора тоже понятно. В передатчике ЧМ с помощью модулятора мы в некоторых пределах в такт звуку меняем частоту задающего генератора.
В передатчике АМ с помощью модулятора в такт звука меняем мощность УМ.
Для передачи речи, что в данном случае нас интересует, есть и другие виды модуляции. Например, в профессиональной связи используют передачу одной боковой полосы(SSB) и некоторые другие виды модуляции, но оставим это дело в стороне. Если терпения хватит, то разберем это в другой теме в дальнейшем, иначе статью и не закончишь.
Простейшие передатчики, в частности жуки часто строят по упрощенной структурной схеме, вплоть до того, что выбрасывают буферный каскад, усилитель мощности и устройство согласования, т.е. оставляют только сам генератор ВЧ, модулятор, а антенну непосредственно подключают на выход генератора ВЧ.

Изображение

На самом деле здесь два транзистора. Один транзистор на котором сделан модулятор находится внутри корпуса микрофона, а резистор R4, это сопротивление нагрузки этого каскада.

Изображение

Говорить о стабильности подобного жука понятно не имеет смысла, т.к. частота его меняется и от того, что находиться рядом с антенной, не говоря уж, что бы подносить к ней руку. Также частота меняется при изменении питания и т.д., но в принципе подобный жук хоть как-то, но работает.
По подобной схеме можно даже сделать мощный передатчик, но стабильность частоты его будет еще хуже, т.к. он будет греться, как печка и от этого частота плавать будет еще сильнее.
Еще немного про модуляцию.
Понятно, что генератор ВЧ генерирует это самое синусоидальное ВЧ напряжение. Математически его можно написать так.

u=Usin(2πF+φ)

Где
U – амплитуда сигнала
F – частота сигнала
φ – фаза сигнала

Модуляция, это изменение в такт звука одного из параметров сигнала. Если например в такт звука менять амплитуду «U», то получим амплитудную модуляцию(АМ)
Если в такт звука менять частоту ВЧ колебания «F», то получим частотную модуляцию(ЧМ)
Если в такт звука менять фазу ВЧ колебания «φ», то получим фазовую модуляцию(ФМ)
ЧМ и ФМ относятся к классу «угловой модуляции» и во многом похожи. Есть конечно разница, но об этом позже и вероятно не в этой статье, т.к. здесь рассмотрим только ЧМ и АМ.
Кстати ЧМ бывает широкополосная WFM и узкополосная NFM. Первая применяется в радиовещании и все радиовещательные приемники как раз и адаптированы для приема широкополосной ЧМ. Радиовещательный приемник конечно примет и узкополосную ЧМ, но сигнал в динамике будет очень тихий, а если повышать громкость в приемнике, то будут слышны шумы.
Узкополосная ЧМ применяется в служебной связи. В тех же радиостанциях на 27 МГц или на 433 МГц. По простому говоря, узкополосная ЧМ, это когда в такт голоса, частота сигнала меняется на небольшую величину. Обычно на ±2,5 кГц или на ±5 кГц, а в широкополосной ЧМ частота сигнала меняется на много, например на ±50 кГц или на ±75 кГц. Широкополосная ЧМ позволяет повысить качество передаваемого сигнала, но расширяет полосу занимаемую передатчиком. Это даже из её названия понятно.
В первую очередь рассмотрим передатчики с широкополосной ЧМ, т.к. в своих экспериментах для приема будем использовать обычный радиовещательный радиоприемник.

Но начнем со схем задающих генераторов.
В принципе, схемы задающих генераторов уже рассмотрены в статье на сайте.
http://radiokot.ru/start/analog/bugs/03/
Сначала разберемся с принципом работы генератора ВЧ на элементах LC. Некоторые глядя на схемы генераторов пытаются разобраться, как там заряжаются и разряжаются конденсаторы и т.п., но по-моему это лишнее, да и практической пользы не принесет. Так вот принцип действия подобных генераторов один и тот же, кроме некоторых генераторов о которых поговорим позже. Рассматривать, как работает генератор ВЧ лучше начинать с колебательного контура. Берем такую схему с колебательным контуром и посмотрим, что произойдет, если кратковременно нажать и отпустить кнопку.

Изображение

Что бы не быть голословным, я на самом деле собрал подобную схему и посмотрел.

Изображение

Вижу, что при подаче импульса напряжения на колебательный контур в нем возникают затухающие колебания с частотой определяемой колебательным контуром. Если немного развернуть на осциллографе, то это видно лучше.

Изображение

В принципе, как маятник. Если его периодически подталкивать, то он будет колебаться постоянно, а если подталкивать по чаще, то и колебания не будут успевать затухать. Еще главное это подталкивать в определенные моменты, т.е. по ходу маятника и с достаточной силой. Все это относится и к колебательному контуру. В теории генераторов это правило называется «баланс фаз» и «баланс амплитуд»
На самом деле я конечно кнопку не нажимал, хотя и можно было, но я просто сделал мультивибратор и подавал импульсы с него на колебательный контур. Частота мультивибратора где то 2 кГц, а собственная частота колебательного контура где то 100 кГц.

Изображение

Т.е. получается, что я толкнул колебательный контур и примерно через 50 колебаний в контуре, которые постепенно затухают, я опять его подтолкнул и т.д. При этом подталкивание происходит случайным образом и фаза каждой вспышки колебаний у нас тоже случайная, т.е. своя в каждой вспышке. Отсюда вырисовывается требование к схеме. Нужно придумать такую схему, что бы она автоматически подталкивала колебания в колебательном контуре постоянно с нужной силой и в нужные моменты.
Это делается в схемах с положительной обратной связью(ПОС). Положительная обратная связь, это когда какую то часть сигнала с выхода, в нужной фазе подают снова на вход схемы.
На основе полученный здесь знаний начнем «изобретать» генератор. Для этого нам потребуется само собой колебательный контур, усилитель, батарейка и что самое интересное выключатель, который является довольно таки важным элементом схемы генератора.

Изображение

Смотрим, что получается. При замыкании выключателя, из за переходных процессов в схеме, в том числе и колебательном контуре получается бросок тока, хотя бывает достаточным любое "возмущение" схемы, например помехи по питанию или шумов. Но не всегда этого достаточно..
Все зависит от режима возбуждения генератора, но в это углубляться здесь не будем. Вследствие этого в контуре возникнут колебания. Небольшая часть этих колебаний через катушку связи подается на вход усилителя. Эти колебания усиливаются, потом снова поступают на колебательный контур и подталкивают колебания в нем и так по кругу. Главное, что бы подталкивание было в такт с колебаниями, что возникли в колебательном контуре. Если это не так, то нужно поменять местами выводы катушки связи или выводы колебательного контура.
Практическая схема подобного генератора выглядит так.

Изображение

Все генераторы практически работают по этому принципу. Разница только в подаче обратной связи и включения контура в схему. Схема, что выше называется генератор с трансформаторной обратной связью. А например про часто применяемую схему генератор Колпитца можно почитать на форуме в этой теме.
viewtopic.php?f=28&t=33417
Там все подробно написано.
Теперь коротко о схемах, что работают по другим принципам. Один генератор мы уже разбирали, это тот, что с мультивибратором. Подобный генератор называется «генератор с ударным возбуждением» В нем нет никакой положительной обратной связи.
Другой генератор без положительной обратной связи можно сделать если компенсировать потери в колебательном контуре, что бы толкнул его один раз и колебания там не затухали. Колебания затухают из за потерь в колебательном контуре. Потери в колебательном контуре это какое его активное сопротивление. Если в контур внести такое же отрицательное сопротивление, что и сопротивление потерь, то потери компенсируются и колебания в контуре после толчка затухать не будут.
Обычно в качестве этого используют туннельный диод или лямбда-диода. Более подробно про такие генераторы потом напишу.
Теперь посмотрим преимущества и недостатки различных схем генераторов ВЧ применительно к практике, что бы в дальнейшем могли выбирать нужную схему под наши требования.

Поехали дальше.

Передатчики малой мощности(жуки). Часть 2

Генераторы ВЧ.

В общем случае генераторы делятся на две большие группы.
1. Емкостные трехточки.
2. Индуктивные трехточки.
Как уже говорили, что существуют и другие типы генератором, но про них потом.
Емкостная трехточка называется так из за того, что для создания ПОС часть выходного напряжения, что подается на вход, создается с помощью емкостного делителя.
В индуктивной трехточке эта часть получают с помощью индуктивного делителя, например с помощью отвода в катушке колебательного контура.
Начнем с емкостной трехточки на транзисторе с общей базой. Её ещё называют генератор Колпитца. Данная схема генератора широко применяется в схемах жучков, т.к. позволяет наиболее просто получить ЧМ в генераторе. Позволяет избавиться от применения варикапа для этих целей.
Выглядит так.

Изображение

В данной теме на форуме про неё много написано.
viewtopic.php?f=28&t=33417
Здесь только повторим немного.
С1 и С5 это блокировочные конденсаторы. Теоретически их сопротивление на частоте генерации близко к нулю, т.е. они имеют довольно большую емкость и малые потери на ВЧ.
С1 переводит каскад по ВЧ в схему с общей базой.
С5 замыкает по ВЧ плюсовую и минусовую шины питания, т.к. только в теории внутреннее сопротивление батарейки равно нулю, а на практике это не так. На практике внутреннее сопротивление батарейки имеет конечную величину, да еще добавляется паразитное индуктивное сопротивление проводов, что идут к батарейке. С5 ставят как можно ближе к колебательному контуру и всей остальной схеме генератора.
Конденсаторы С2, С3, С4, С5 являются составными частями колебательного контура. Также в состав контура входят внутренние емкости транзистора. С3 и С4, это и есть наш делитель с которого снимается часть выходного сигнала для ПОС. Эквивалентная схема по ВЧ данного генератора выглядит так.

Изображение

Т.к. это просто эквивалентная схема, то вместо С1 и С5 я здесь поставил перемычки, т.к. уже говорили, что их сопротивления на частоте генерации близко к нулю. Внутренние емкости транзистора здесь не рисовал, но их можно пририсовать также обобщенно параллельно катушке.
Красным нарисовал делитель на выходе и цепь положительной обратной связи(ПОС), что идет с емкостного делителя на вход каскада с общей базой. Также здесь видно какие емкости входят в состав колебательного контура. Следует сюда добавить и внутренние емкости транзистора, т.к. это важно и в дальнейшем, когда будем получать частотную модуляцию в этом генераторе, мы это увидим.
Следующая схема емкостной трехточки, это генератор Пирса.
Выглядит так.

Изображение

С2 просто разделительный конденсатор большой емкости, нужен что бы не было короткого замыкания базы и коллектора по постоянному току.
Если схему перерисовать, то будет понятнее.

Изображение

Имеем усилитель на транзисторе с общим эмиттером(ОЭ) который вращает у нас фазу сигнала на 180 градусов. П-контур, что нарисовал красным цветом, тоже вращает фазу сигнала. В итоге обратная связь является положительной, т.к. общий сдвиг фазы получается 360 градусов.
В жуках данная схема редко применяется. Она более удобна в схемах с кварцем.
Следующая схема емкостной трехточки, это генератор Клаппа.

Изображение

На форуме по данному генератору есть тема обсуждения и там довольно подробно её разобрали.
viewtopic.php?f=28&t=49926
Емкость в контуре, это последовательное соединение трех конденсаторов С1,С2 и С3. С1 и С2 обычно делают намного больше, чем емкость С1. При этом стабильность частоты данного генератора возрастает, т.к. внутренние емкости транзистора, что нестабильные, шунтируются большими конденсаторами С1 и С2 и действие нестабильных внутренних емкостей транзистора нивелируется, хотя в простейших жуках это иногда является как раз недостатком, но про это ниже, где будем разбираться с получением ЧМ в этих генераторах.

Теперь рассмотрим схемы индуктивных трехточек.
Схем индуктивных трехточек тоже несколько. Вот например схема индуктивной трехточки по виду похожая на схему генератора Колпитца, только в ней делитель сделан с помощью отвода в контурной катушке. Транзистор здесь включен по схеме с ОБ.

Изображение

С4 в данной схеме имеет сравнительно большую емкость, т.к. в отличии от генератора Колпитца он является просто разделительным.
А это индуктивная трехточка в которой транзистор включен по схеме с общим коллектором.

Изображение

Для применения в жуках больше подходит схема индуктивной трехточки в которой транзистор включен по схеме с общим эмиттером. В данной схеме от генератора можно получить мощность большую, чем в схемах рассмотренных выше.

Изображение

Понятно, что генераторы можно сделать и на полевых транзисторах. Вот хотя бы пример.

Изображение

Для полного счастья коротко рассмотрим еще и генераторы по принципу внесения отрицательного сопротивления в колебательный контур.
Генератор на туннельном диоде. Сразу приведу схему маломощного передатчика на туннельном диоде.

Изображение

Если применить микрофон МКЭ-3, то можно снизить питание до 1,5 вольта, уменьшив резистор R3 до 300 Ом. Частота подобного генератора довольно нестабильна. Её в данном случае лучше выбирать порядка нескольких сотен мегагерц, хотя можно и ниже. Мощность подобного передатчика всего лишь единицы милливатт.
Генератор на эквиваленте лямбда-диода. Работает до частот в единицы мегагерц.

Изображение

И еще одна схема генератора на основе мультивибратора в которой транзисторы работают в барьерном режиме. Подробнее про него можно почитать в теме на форуме.
viewtopic.php?f=28&t=87049
Выглядит так.

Изображение

Если необходимо, что бы один конец катушки был на общем проводе, то схему можно сделать на транзисторах структуры p-n-p

Изображение

Достоинство этого генератора в том, что работает при широком соотношении L и С. Недостаток в малом выходном напряжении и малой нагрузочной способности.
Еще один недостаток данной схемы в том, что она имеет большую входную емкость и при применении например транзисторов КТ3102 или КТ3107 может достигать сотни пикофарад. Часто это не важно, а вот если по данной схеме делать перестраиваемый генератор с помощью КПЕ или варикапа, то данная емкость резко снижает коэффициент перестройки.
Эту емкость можно определить экспериментально. Нужно взять заведомо известную катушку, например дроссель пусть на 10 мкГн и подключить к схеме. Потом измерить частоту генерации и исходя их этого вычислить емкость контура. Эта емкость и будет искомой входной емкостью схемы, которая всегда добавляется в контур.

Если говорить применительно к жукам, то в них в основном применяют две схемы. Первая, это схема генератора Колпитца, где транзистор включен с общей базой и вторая, это индуктивная трехточка в которой транзистор включен с общим эмиттером.
Как уже писал, что в первой легко осуществить ЧМ в генераторе, а вторую можно сделать более мощную при том же напряжении питания, но для получения ЧМ в этом случае приходиться применять варикап.
Теперь посмотрим, как сделать модуляцию в генераторах и не только ЧМ, а и АМ. Точнее рассмотрим, почему делать АМ модуляцию непосредственно в LС генераторе не стоит и нужно перенести её в последующие каскады АМ передатчика, если конечно эти последующие каскады есть.

Поехали дальше.


Передатчики малой мощности(жуки). Часть 3.

Модуляция в генераторах.

Сначала рассмотрим получение ЧМ в автогенераторе. Сразу напрашивается применить для этих целей варикап. Варикап, это полупроводниковый диод, работа которого основана на зависимости барьерной ёмкости p-n перехода от обратного напряжения. В принципе таким свойством обладает любой диод, т.к. в любом диоде тоже есть p-n переход и само собой таким свойством обладает любой p-n переход транзистора. Этим часто пользуются в простейших жуках.
Сначала про варикап. Его в принципе можно поставить в любую схему генератора, что рассматривали в предыдущей части.
Для примера возьмем индуктивную трехточку в которой транзистор включен с общим эмиттером.
Подробнее про такой жук написано в теме на форуме.
viewtopic.php?p=694222#p694222

Изображение

В качестве варикапа здесь стоит обычный диод КД102. Можно конечно поставить варикап с маленькой емкостью при напряжении на нем порядка 1 – 2 вольта. Принцип понятен из схемы. В исходном состоянии на коллекторе транзистора VТ1 с помощью резистора R3 установлено напряжение 1 – 1,2 вольта. Если будем говорить в микрофон, то напряжение на коллекторе VТ1 будет меняться в такт звука, а значит будет меняться запирающее напряжение на варикапе. При этом будет меняться его емкость, а значит будет осуществляться ЧМ модуляция в генераторе. Анод диода для ВЧ соединяется с общим проводом через внутренние емкости транзистора VТ1, хотя можно у него между коллектором и эмиттером поставить дополнительную емкость в десятки пикофарад. Варикап можно включить и по другому, как например сделано в этой статье.
http://radiokot.ru/circuit/analog/receiv_transmit/18/

Изображение

Или так.

Изображение

Здесь я нарисовал схему довольно мощного жука. В усилителе мощности стоят два транзистора КТ368 в параллель, хотя лучше поставить один с рассеиваемой мощностью коллектором порядка 300 – 500 мвт с Fт не менее 800 МГц. L2, это удлиняющая катушка. Её индуктивность зависит от длины антенны. В принципе её можно не ставить, но дальность при этом снизится. Вместо микрофона само собой можно подать сигнал с линейного выхода например компьютера. Если сделать еще и хорошую антенну, то можно достичь дальности в сотни метров.
В общем для получения ЧМ, варикап можно поставить в любую схему генератора.
Посмотрим как его можно поставить в генератор Колпитца и почему от него там можно избавится. Варикап в ней подключается стандартно.

Изображение

Или так.

Изображение

Во втором случае подбором конденсатора С1 мы можем устанавливать величину девиации частоты.
Теперь вернемся к тому, что писали в самом начале.
Варикап, это полупроводниковый диод, работа которого основана на зависимости барьерной ёмкости p-n перехода от обратного напряжения. В принципе таким свойством обладает любой диод, т.к. в любом диоде тоже есть p-n переход и само собой таким свойством обладает любой p-n переход транзистора.
Смотрим на схему генератора Колпитца и видим, что если менять смещение на базе, то будет меняться ток через транзистор.

Изображение

При этом при изменении тока через транзистор будет меняться напряжение на резисторе R3, что стоит в цепи эмиттера, а напряжение на самом транзисторе у нас равно напряжению питания генератора за вычетом напряжения, что падает на резисторе R3. Т.о. получается, что меняя в небольших пределах ток базы, а значит и ток через транзистор, напряжение на pn переходах транзистора будет меняться, а значит будет меняться емкости этих pn переходах. Раньше уже говорили, что внутренние емкости транзистора входят в состав колебательного контура генератора, а это значит, что будет происходить ЧМ в подобной схеме.
Ток базы генератора будем менять в такт звука подавая напряжение звуковой частоты с модулятора на базу генератора.
Получаем хорошо известную схему жука на основе генератора Колпитца.

Изображение

Недостаток этой схемы в том, что кроме ЧМ модуляции в данной схеме присутствует еще и паразитная АМ модуляция, но это не так и критично, т.к. в тракте приемника ЧМ обычно присутствует ограничитель сигнала, а значит он не воспринимает эту паразитную АМ.
Еще одна схема получения ЧМ модуляции в схеме генератора Колпитца.
Конденсатор, что шунтирует резистор стоящий в эмиттере тоже входит в состав колебательного контура, а значит влияет на частоту. Когда говорим в микрофон, то у нас меняется напряжение на транзисторе модулятора, а значит меняется его выходная емкость. Можно эту емкость транзистора подключить вместо конденсатора, что шунтирует резистор в эмиттере. При этом конденсатор С2 можно поставить величиной в сотни пикофарад, а напряжение на коллекторе VT1 уменьшить, т.к. изменение емкостей pn переходов увеличивается при снижении напряжения на них. В этих целях резистор R2 уменьшим до 100 кОм. При этом напряжение на коллекторе VT1 стало порядка 1,5 вольта.

Изображение

Теперь понятно почему к примеру в схеме индуктивной трехточки повышенной мощности, что рассматривали выше, для получения ЧМ необходим именно варикап. В ней вообще нет резистора в эмиттере.

Изображение

Как видим в данной схеме, если менять режим транзистора в схеме задающего генератора, то будет меняться только ток через транзистор, а напряжения на pn переходах в данной схеме генератора не меняется, поэтому получать ЧМ в подобной схеме приходиться с помощью варикапа. Хотя данная схема и имеет преимущество в том, что при одном и том же напряжении питания от неё можно получить большую мощность. Мощность же зависит от тока через транзистор и его ток. Если в генераторе Колпитца увеличивать ток через транзистор, то возрастает падение на резисторе, что стоит в эмиттере, а на транзисторе соответственно напряжение падает. Поэтому в генераторе Колпитца мы не можем сильно увеличивать ток, т.к. это может привести к обратному эффекту, а именно уменьшению мощности, а то и к срыву генерации.

Теперь посмотрим можно ли получить АМ модуляцию в генераторе.
На первый взгляд все просто нужно менять режим транзистора или его напряжение питания и получим АМ. Но все не так просто. Приемника АМ имеют полосу пропускания единицы килогерц, а паразитная частотная модуляция при этом может достигать десятков килогерц. В результате этого ничего путного мы принять не сможем. В принципе можно получить АМ модуляцию с небольшой глубиной модуляции в схеме индуктивной трехточки в которой отсутствует резистор в эмиттере или в схеме генератора Клаппа, т.к. в схеме генератора Клаппа внутренние емкости слабо влияют на частоту в виду того, что они зашунтированы большими внешними емкостями.

Изображение

В схеме генератора Клаппа при сравнительно низких частотах в единицы мегагерц конденсаторы С; и С5 имеют емкость в сотни пикофарад, а т.к. данные конденсаторы стоят параллельно внутренним емкостям транзистора, то их изменение при изменении режима транзистора дают очень маленькую паразитную ЧМ.
К сожалению и в этом случае индекс модуляции возможно получить небольшой, т.к. зависимость амплитуды от режима транзистора довольно нелинейная и при большой глубине модуляции будут возникать сильные искажения, а то и срыв колебаний.
Здесь говорим только про LС генераторы, т.к. в случае генераторов на кварце ситуация будет другая, т.к. паразитная АМ в них будет очень маленькая, но про это потом.
Поэтому приходим к выводу, что для получения АМ в передатчике, лучше не трогать задающий генератор, а АМ делать в последующих каскадах, например в усилителе мощности или методом изменения связи с антенной.
Теперь перейдем к вопросу, как не имея специфичных измерительных приборов оценить мощность жука и частоту на которой он работает.

Поехали дальше.

Передатчики малой мощности(жуки). Часть 4.

Настройка жука.

Сделал жука, включил и не могу поймать его на приемнике. Подобный вопрос постоянно задают на форуме. Понятно, что здесь два варианта.
1. Нет генерации.
2. Жук работает на частоте , что не принимает приемник.
Понятно также, что нужно например взять осциллограф с полосой 200 МГц и посмотреть есть ли генерация. Частоту можно измерить частотомером, способный измерять частоты опять же до 200 МГц. Но не всегда человек решивший впервые попробовать сделать жука имеет подобные приборы. Здесь опять два варианта.
1. Методом «тыка» менять емкости и катушку пытаться наудачу все таки поймать своего жука.
2. Сделать какие либо простенькие приспособления, что бы решить эти вопросы.
Начнем со второго.
Понятно, что прежде, чем настраивать жука, его нужно спаять. Я спаял для пробы такой. В качестве антенны пока припаял жесткий провод длиной 10 см.

Изображение

Жук простой до примитивности, но настройка любого жука практически одинаковая и если настроим этот, то понятно будет, как настроить и более сложный. Красным обозначил точки на схеме, что меня будут интересовать.
Сначала модулятор. Резистором R2 установил на коллекторе VT1, т.е. в точке «А» напряжение прядка 2 вольта. Потом посмотрел напряжение в точке «Б». Мультиметр подключал через резистор 5,1 кОм, что бы не вносить реактивности в схему ВЧ генератора. У меня получилось 0,6 вольта. Это значит ток через транзистор VT2 равен этому напряжению делить на величину резистора R6
0,6V/200 Ом=3 ма
Оставил пока так. Подбирается изменением резистора R4. Если его увеличивать, то ток уменьшается и наоборот.

Изображение

Кстати можно проверить правильно ли запаяли транзистора. Для этого нужно базу VT1 соединить с общим проводом. Напряжение при этом в точке «А» будет равно напряжению питания. Если замкнуть базу VT2, то напряжение в точке «Б» должно упасть до нуля.
Теперь главное. Узнать есть ли генерация, и на какой частоте генерация.
Определить наличие генерации довольно просто. Нужно подключить на выход, т.е. к точке «В» диодный ВЧ пробник, а его выход подать на мультиметр в режиме измерения постоянного напряжения. Диод лучше ВЧ германиевый, но это сейчас большая редкость, поэтому я поставил кремниевый.

Изображение

То, что нарисовано красным, припаивается непосредственно возле транзистора VT2 без всяких длинных проводов. Провода к мультиметру особого значения не имеют. У меня подучилось 2,5 вольта. Наличие напряжения однозначно говорит, что генерация есть. Осталось узнать главное, это на какой частоте жук генерирует. Можно конечно поставить жука возле телевизора или колонок ПК и попытаться найти его с помощью приемника. К приемнику лучше подключить наушники, что бы не было обратной акустической связи, и что бы при точной настройке приемник не пищал. Сначала конденсатор С7 у меня вообще не стоял. Катушка была 4 витка провода 0,5 мм. Катушку мотал на сверле диаметром 4 мм. Покрутил настройку приемника, но жука не нашел. Это значит, что жук генерирует на частоте, что приемник не принимает. У меня приемник с диапазоном 64 – 108 МГц. Если бы жук генерировал на частоте ниже 64 МГц, например на 50 МГц, то и в этом случае я бы поймал вторую гармонику жука, т.е. услышал его на частоте 100 МГц, но у меня, вероятно, он генерирует на частоте выше 108 МГц. Скажу по секрету, что частотомер у меня есть и я видел, что жук работает на частоте 170 МГц, поэтому я его и не нашел приемником.
В общем, я начал делать волномер с помощью которого хотя бы можно было узнать вблизи какой частоты генерирует жук. Если я к примеру с помощью подобного прибора определю, что жук генерирует пусть примерно около 95 МГц, то впоследствии, я и приемником буду искать его возле этой частоты. Это избавит от ошибки настройки приемника на гармонику жука, или на какой либо паразитный канал приема в приемнике. Дело в том, что когда жук рядом с приемником, то принять его обычно можно в нескольких точках и это зависит не столько от жука, сколько от приемника т.к. приемник может принимать на гармониках, а также супергетеродинный приемник имеет паразитные каналы приема на которых чувствительность приемника маленькая, но в данном случае жук у нас расположен просто рядом с приемником.
В сети полно схем волномеров. Я выбрал не самый оптимальный, но его преимущество в том, что в нем нет дефицитных деталей. Конденсатор переменной емкости взял из китайского приемника и их секции включил последовательно. Получился КПЕ где то от 15 пф до 100 пф. Плохо только то, что до ручки КПЕ можно дотрагиваться только если на его оси есть большая ручка из пластмассы.

Изображение

Диоды VD1 и VD2 лучше поставить ВЧ германиевые, но я решил попробовать просто на кремниевых. Т.к. детектор у нас на кремниевом диоде, то на него, т.е. на VD1 подается напряжение смещения приоткрывающее диод. Это смещающее напряжение с помощью цепочки R1 и VD 2. Транзистор VT1 опять же лучше поставить полевой или германиевый, но я опять же, поставил более доступный кремниевый транзистор. Правда пришлось ввести цепочку VD3, VD4 и R4, что бы приоткрыть транзистор VT1 при нулевом напряжении на его базе. Если в качестве VT1 поставить германиевый транзистор, то эта цепочка не нужна. Вся настройка по постоянному току сводится в подборе резистора R7. Нужно его подобрать так, что бы в отсутствии сигнала на входе, напряжение на коллекторе VT2 было порядка 3 – 3,5 вольта. Если индикатор принимает жука, то это напряжение уменьшается.
Т.к. волномер я делал «на скорую руку» только для того, что бы проверить его работоспособность, то сделал его просто на куске полистирола.
Катушка выглядит так.

Изображение

А это катушка совместно с КПЕ.

Изображение

Там видна антенна из жесткого провода. Схема, как говорил спаяна на пластине полистирола, что тоже видна. Понятно, что на ручку КПЕ нужно сделать какую то шкалу. Большой точности не требуется.

Теперь самое главное, это отградуировать этот волномер.
Понятно, что можно сделать жука, посмотреть по приемнику на какой частоте он работает, потом поймать жука волномером и написать на шкале. Потом изменить частоту жука, и опять узнав частоту по приемнику, принять его волномером.
Я пошел другим путем.
Взял кварц на 20 МГц и сделал такой генератор и через конденсатор 1 пф подключил его к волномеру.. Я генератор красным обвел.

Изображение

КПЕ установил на максимум емкости и слал его медленно вращать. Мне удалось найти минимум показаний индикатора. Я предположил, что принял третью гармонику генератора, т.е. 60 МГц. Продолжил крутить и нашел еще три минимума показаний индикатора. Отметил все эти минимумы на шкале волномера.
Т.е. предположили, что получили четыре точки 60 МГц, 80, МГц, 100 МГц и 120 МГц. Пока только предположили, хотя если у вас катушка такая же, то так оно и есть.
Теперь в генераторе поставил кварц на 25 МГц и все еще раз проделал уже с этим кварцем. Во всяком случае, я нашел три минимума. Предположим, что это точки 75 МГц, 100 МГц и 125 МГц, т.н. третья, четвертая и пятая гармоника генератора.
Как видим, что с обоими кварцами у нас есть точка 100 МГц. Вот там где они совпали по шкале с разными кварцами и есть 100 МГц, а остальные точки после этого уже определяются однозначно. Кварцы могут быть и другие, но желательно на частоты в десятки мегагерц и при этом не были гармониковыми. Я из старых сетевых карточек эти кварцы вытащил.
Если нет кварцем на большие частоты, то можно взять например кварцы на 10 МГц и пусть например на 15 МГц или на 14 МГц. Только возбуждать эти кварцы нужно будет на третьей гармонике. Для этого удобна схема генератора Колпитца с кварцем. Как сделать подобный генератор рассмотрим дальше, когда будем делать кварцованные жуки.
После того, как отградуировал волномер, то взял своего жука и попытался поймать его индикатором. Для начала жук и индикатор нужно поставить совсем рядом. Во всяком случае я индикатором своего жука не нашел. Предположил, что индуктивность катушки мала. Сделал катушку вместо 4-х витков 7 витков и сразу нашел его на частоте чуть больше 100 МГц. Проверил приемником около этой частоты и поймал его на приемник. В районе 100 МГц у нас радиовещательные станции мешаю и я припаял в жуке конденсатор С7 параллельно катушке на 5,6 пф и поймал его на частоте чуть меньше 100 МГц. Покрутил приемник в этом районе и нашел его на частоте 96 МГц.
Если индикатор при настройке показывает ноль на выходе, то отодвигайте его от жука. У меня с этим примитивным жуком с короткой антенной на жуке и индикаторе расстояние получилось порядка 15 см.

Теперь перейдем к более сложным жукам.
Прежде, чем делать жука, нужно задаться требованиями к нему.
Например.
1. Нужна большая дальность.
2. Дальность не важна, но должен быть экономичным.
3. Нужна высокая стабильнось частоты.
4. Нужно высокое качество звука.
и т.д.
В зависимости от нужных требования выбираем схему.

Поехали дальше.


Вложения:
1.GIF [8.72 KiB]
Скачиваний: 38982
Передатчики малой мощности.doc [461 KiB]
Скачиваний: 969
14.GIF [9.98 KiB]
Скачиваний: 22442
2.PNG [105.9 KiB]
Скачиваний: 21958
1.PNG [96.29 KiB]
Скачиваний: 21932
13.GIF [7.48 KiB]
Скачиваний: 23243
12.GIF [8.42 KiB]
Скачиваний: 20128
112.GIF [7.41 KiB]
Скачиваний: 19811
10.GIF [6.13 KiB]
Скачиваний: 19960
9.GIF [3.38 KiB]
Скачиваний: 19550
8.GIF [8.59 KiB]
Скачиваний: 4020
7.GIF [5.48 KiB]
Скачиваний: 23345
6.GIF [5.54 KiB]
Скачиваний: 23983
5.GIF [3.14 KiB]
Скачиваний: 22192
4.GIF [5.14 KiB]
Скачиваний: 23335
3.GIF [4.67 KiB]
Скачиваний: 23059
2.GIF [8.59 KiB]
Скачиваний: 5138
1.GIF [17.88 KiB]
Скачиваний: 21275
Вернуться наверх
 
Не в сети
 Заголовок сообщения: Передатчики малой мощности(жуки).
СообщениеДобавлено: Сб апр 16, 2016 21:11:17 
Модератор
Аватар пользователя

Карма: 158
Рейтинг сообщений: 1600
Зарегистрирован: Пт апр 28, 2006 15:26:07
Сообщений: 11940
Откуда: Россия.
Рейтинг сообщения: 5
Медали: 2
Мявтор 3-й степени (1) Лучший человек Форума 2017 (1)

Передатчики малой мощности(жуки). Часть 5.



Для начала взял эту схему простейшего жука за точку отсчета. Просто он у меня уже спаян и валяется на столе.

Изображение

Т.е. с этим жуком буду сравнивать другие жуки. Для сравнения использовал схему поиска жуков. Схему его пока не привожу, что бы не отклоняться от темы. Просто искатель использовать удобнее, т.к. у него не нужно подстраивать входной контур. У него стрелочный индикатор на 100 делений. Расположил его в метре от жука. К жуку подключена антенна длиной 30 см. Напряжение в точке «А» где то 0,8 вольт, т.е ток через транзистор 4 ма. Индикатор показывает 4 деления.
Ничего не меняя в схеме жука, просто увеличил напряжение питания до 9 вольт. Напряжение в точке «А» стало 1,6 вольта, т.е. ток через транзистор возрос до 8 ма. Индикатор стал показывать 15 делений. Это не говорит напрямую об увеличении мощности в 4 раза, т.к. индикатор на искателе не градуирован. Это говорит только о том, что показания индикатора выросли в четыре раза.
Вот эти исходные данные и возьмем к качестве точки отсчета для сравнения с другими жуками.
Недостатки подобного жука понятны. Стабильность у него очень низкая. Если подносить руку в антенне, то частота уплывает. Она уплывает даже если хвататься за провода, что идут к батарейке, т.к. вся схема, в том числе и батарейки являются противовесом антенны, а антенна подключена непосредственно к контуру, что задает частоту работы жука. Понятно, что если жука не трогать, то он вполне работоспособен, если не забывать, что частота у него меняется и при изменении температуры и при изменении питания.
Как видим недостатков у данного жука много, но обычно эта схема является первой у всех, кто пытается сделать жука.
Теперь попробуем сделать жука по схеме индуктивной трехточки при напряжении питания 4,5 вольт. У неё те же недостатки, но как писал раньше, что в виду того, что резистор в эмиттере у неё можно поставить совсем маленький, а то и вообще не ставить, то мощность подобного жука должна быть больше, но как уже говорили, модуляцию в этом случае придется делать с помощью варикапа. В качестве варикапа я поставил два диода КД102 в параллель(можно КД104 и не только), т.к. под рукой не было нужного варикапа. Катушка 3+5 витков на диаметре 4 мм. Провод 0,5 мм.

Изображение

При питании 4,5 вольта, ток через транзистор получился где то 4 ма и индикатор показывал примерно то же, что и с первым жуком при этом же напряжении.
Пробую увеличить ток через транзистор и посмотреть, что при этом будет. Здесь при увеличении тока через транзистор, напряжение на нем останется прежним в отличии от схемы Колпитца. В схеме Колпитца при увеличении тока из за падения напряжения на сопротивлении, что стоит в эмиттере, упадет напряжение на самом транзисторе, что повлечет уменьшение излучаемой мощности.
R5 при этом у меня получился 15 килоом.
Индикатор показал 15 делений, т.е. как и в случае жука по схеме Колпитца, но при питании 9 вольт,
Теперь увеличил питание жука до 9 вольт и установил ток через транзистор, как и в случае с жуком по схеме Колпитца, с помощью R5 8 ма. Точнее R5 я опять поставил 62 килоома. Индикатор показал почти 100 делений.
В принципе все логично. Для увеличения мощности жука, нужно увеличивать ток через транзистор и напряжение на нем. Именно напряжение на транзисторе, т.е. напряжение между выводами эмиттер-коллектор, а не просто напряжение питания.
Все это относится и к простейшим жукам по другим схемам.
Вот например схема простого жука из Интернета.

Изображение

Здесь транзисторы работают в барьерном режиме и в ней можно увеличить только ток через транзисторы, а как не поднимать напряжение питания, все равно на транзисторах между их эмиттером и коллектором напряжение будет оставаться порядка 0,7 вольта. При увеличении напряжения питания напряжение будет возрастать только на микрофоне, а значит, что и получить ощутимую мощность в данном жуке проблематично.
Хотя сама по себе схема генератора и хорошая, но для других целей.
Т.о. можно оценить по мощности любую схему жука в которой есть только один генератор и к нему сразу подключена антенна. Смотрим ток через транзистор и какое напряжение между эмиттером и коллектором при это получается на транзисторе. Чем больше это произведение, тем большую мощность возможно от схемы получить. На практике оно должно быть не менее 10 мвт. Это не мощность жука, а просто мощность, что рассеивается на транзисторе. Мощность жука в этом случае будет в пределах 3 – 5 мвт, что обеспечит дальность в пределах до 50 м. Понятно, что нечего даже ждать от подобных схем какой либо стабильности частоты, но про это уже писали. При этом обычно, чем мощнее жук по данной схеме, тем ниже получается у него стабильность.
Теперь посмотрим на схемы, в которых в ВЧ части жука несколько каскадов. В таких схемах можно получить разделение функций. Например стабильности добиваться применяя схемотехнические ухищрения при выборе задающего генератора, а мощности, от применения дополнительного усилителя.

Поехали дальше.


Передатчики малой мощности(жуки). Часть 6.



Многокаскадные жуки.



Первое, что попробуем, так это сделать жука более стабильным по частоте, и при этом не забываем о его мощности. В качестве эталона опять взял этот простейший жук. Если касаться антенны рукой, то частота у данного жука меняется где то на 0,5 МГц. Это конечно много. Попробуем в первую очередь улучшить этот параметр.

Изображение

Что бы не мучится с индикатором жука, который меняет показания при любом изменении положения жука, просто измеряем ВЧ напряжение на выходе жука на нагрузке 100 Ом. Нагрузку взял произвольную, т.к. нам просто нужно сравнивать разные жуки. Вот и будем их сравнивать, нагружая на резистор 100 Ом.
И одно замечание.
Если жук очень слабый, то не всегда он выдерживает нагрузку 100 Ом и у него срывается генерация. В этом случае резистор нужно увеличить.

Вольтметр лучше стрелочный, т.к. по наблюдениям некоторых цифровые мультиметры могут "сходить с ума" при измерении в высокочастотных схемах. У меня вольтметр сделан из головки 50 мкА и последовательно включенным с ним резистором 100 кОм. Удобно также вместо вольтметра подключать осциллограф с открытым входом.
Осциллограф при этом может быть низкочастотным.
Вольтметр у меня показал 1,2 вольта. Берем это за эталон.
Первое, что напрашивается, это поставить еще один каскад, а уж к нему подключить антенну. Понятно, что многим не хочется делать еще одну катушку, поэтому попробуем сделать просто резистивный каскад и посмотрим, что получится.

Изображение

Резистором R7 установил ток через VT3 где то 6 ма. К конденсатору С10 подключил антенну и стал касаться её рукой. Частота ушла менее, чем на 100 кГц, что намного лучше, чем было раньше. Подключил на выход диодный пробник и оказалось, что ВЧ напряжение на выходе стало меньше, а именно 0,75 вольта. В принципе это было ожидаемо, т.к. резистивный усилитель мало пригоден для усиления на частотах 100 МГц. Вероятно положение можно было бы исправить, если в качестве VT3 применить транзистор с более высокой граничной частотой, но у меня такого нет, поэтому проверить не мог. Т.о. улучшить стабильность нам удалось, а вот мощность мы при этом потеряли.
Пробуем в коллектор VT3 поставить колебательный контур. На плате катушки L1 и L2 должны располагаться род углом 90 градусов по отношению друг к другу. Катушка L2 содержит 5 витков на диаметре 4 мм. Провод 0,5 мм.

Изображение

Подключил антенну и коснулся её. Частота как и в предыдущем случае ушла менее, чем на 100 кГц. Измерил напряжение на выходе. Понятно, что предварительно подстроечным конденсатором С9 выставил максимум этого напряжения. Вместо подстроечного конденсатора можно поставить просто емкость 10 пф, а настраивать сдвигая и раздвигая витки катушки L2 Оно оказалось 1,6 вольта. Т.о. в данном случае мы получили и увеличение стабильности и прирост мощности. Ток через транзистор VT3 получился 8 ма. Его можно изменять резистором R7. Большое значение здесь имеет выбор конденсатора С7. Чем он меньше, тем выше стабильность, но при этом снижается выходная мощность. Если его увеличивать, то мощность возрастает, но при чрезмерном увеличении начинает сказываться шунтирование колебательного контура задающего генератора. Напряжение с задающего генератора при этом сильно уменьшается и вместо прироста мощности на выходе, получаем наоборот спад. Получается, что есть какая то оптимальная емкость этого конденсатора связи задающего генератора с транзистором VT3. Особо точно подбирать не стоит. К меня получился 15 пф.
Подобный каскад можно подключить к любому жуку. Попробуем подключить его к жуку по схеме индуктивной трехточки.

Изображение

Напряжение ВЧ на резисторе 100 Ом в данном случае получилось 2 вольта.
При этом нужно учесть, что в данных случаях не предпринималось никаких попыток согласовать нашу нагрузку в 100 Ом с транзистором VT3 и согласовать антенну с выходом жука. Если это сделать, то мощность от данных схем можно получить еще больше, но с этим вопросом разберемся потом. Здесь мы только старались увеличить стабильность жука, а получение максимума мощности оставили на потом.
В следующей статье и займемся этим. По сути мы переходим к согласующему устройству(СУ)

Поехали дальше.


Передатчики малой мощности(жуки). Часть 7.



Согласование с антенной.



Вопрос согласования антенны с передатчиком довольно сложен для объяснения на низком уровне. Можно конечно взять какую либо умную книжку и почитать, но при этом придется столкнуться с множеством формул и графиков на десятках страниц.
Вот передо мной лежит подобная книжка под названием:
«Радиопередающие устройства на полупроводниковых устройствах»
Её можно у нас в «сундуке» скачать.
https://sunduk.radiokot.ru/loadfile/?load_id=1367211815
Мы же рассмотрим самую суть, что бы понять, в чем же тут все-таки дело.
Рассматривать будем на практике. Общеизвестная истина, что измерительные приборы вносят погрешности в измерения, при этом в нашем случае, чем выше частоту мы возьмем для наших экспериментов, тем больше будут эти погрешности. Поэтому для экспериментов выберем частоту 3,5 МГц, но это не важно. Все выводы, полученные в этих экспериментах, будут справедливы для любых частот.
Опустим здесь вопросы о режимах усилителей мощности, как недонапряженный, критический, перенапряженный, а также классы усилителей. Возьмем просто сначала усилитель в классе «С» и будем с ним экспериментировать.
Схема подобного усилителя очень простая.

Изображение

Вот я беру статью с нашего сайта, в которой устройство работает на частоте 400 МГц
http://radiokot.ru/circuit/analog/receiv_transmit/16/

Изображение

И вижу там такой усилитель мощности.
Усилитель мощности класса «С» работает без начального смещения и пока на его вход ничего не подать, он вообще не потребляет тока, т.к. транзистор просто закрыт. Сделаем генератор и подадим на его вход напряжение ВЧ. В качестве нагрузки УМ пока поставим просто переменный резистор.

Изображение

Т.к. частоту для экспериментов взял довольно низкую, то и транзисторы взял первые попавшиеся способные работать на данных частотах. В принципе VT1 можно КТ315 или КТ3102 и даже VT2 такой же.
Теперь начали эксперименты.
R4 устанавливаем на максимум, т.е. 1 кОм
Крутим R2, увеличивая ВЧ напряжение на входе. Показания вольтметра увеличиваются и при каком то положении R2 практически перестали расти и стали постоянные величиной в данном случае где то 5,5 вольт, т.е. практически достигли напряжение питания. Если напряжение возбуждения увеличивать еще, то напряжение ВЧ на выходе уже практически не увеличивается, а вот ток через VT2 растет.
Теперь можно подсчитать, какую мощность получили при нашей нагрузке величиной 1 кОм.

Изображение

На нагрузке 1 кОм она получилась порядка 15 мвт.
Смотрим на формулу и видим, что для получения большей мощности нам нужно или увеличивать напряжение питания или уменьшать сопротивление нагрузки. Напряжение питание у нас задано, значит можем только уменьшать сопротивление нагрузки. Т.е. получается, что если хотим от данной схемы получить определенную мощность, УМ должен быть нагружен на определенное сопротивление. В «умных книжках» все это подробно написано примерно всего то на пятидесяти страницах, но для понятия это слишком тяжело, поэтому «вытащил» оттуда только самые основы.
Вот там есть хорошая формула по которой рассчитывается сопротивление УМ для заданной мощности.

Изображение

Где
Еп - напряжение питания
Uнас - напряжение насыщения транзистора. Я принял его 0,5 вольт.
Рвых - нужная выходная мощность УМ. Она конечно не должна превышать допустимую для примененного транзистора.
Дальше лучше на примере. Предположим, что нам нужно получить на выходе 75 мвт. Считаем на какое сопротивление должен быть нагружен на УМ в этом случае.
Rн получается 200 Ом. Устанавливаем R4 равное 200 Ом. Напряжение на выходе уменьшилось. Увеличим с помощью R2 напряжение возбуждения и добьемся на выходе опять 5,5 вольт.
Можно проверить теперь, какую мощность теперь выдает теперь УМ. Формулу писали выше.

Изображение

Получается, что все как задумано, а именно 75 мвт.
УМ нагружают на антенну. Т.о. берем антенну с волновым сопротивлением 200 Ом, подключаем на выход УМ и дело сделано.
Но к сожаления все просто не бывает.
Что делать, если у нас волновое сопротивление антенны например 50 Ом и само собой, изменить мы его не можем?
Я попробовал данный УМ нагрузить на сопротивление нагрузки 50 Ом, но как не увеличивал напряжение возбуждения на входе, но больше 1,5 вольта на выходе не получил, а транзистор VT2 просто стал перегреваться, а мощность которую удалось получить всего лишь порядка 22 мвт.
Первое, что напрашивается в данном случае, это на выходе поставить ВЧ трансформатор с соотношением витков 2:1, тогда сопротивление антенны равное 50 Ом пересчитается в первичную обмотку трансформатора, как 200 Ом.
В принципе так и делают например в усилителях, что работают в широкой полосе частот. Ставят на выходе широкополосный трансформатор(ШПТ). ШПТ довольно тонкая вещь и к сожалению мне не удалось это осуществить. Просто у меня не оказалось в наличии нужных сердечников для него, поэтому просто выкладываю то, что есть по данному вопросу в Интернете. Для того, что бы получить высокий КПД ШПТ, его для данных мощностей обычно делают так.

Изображение

Я попробовал сделать это на кольцах, что попались мне под руку, но к сожалению КПД подобного ШПТ сделанному по такому принципу получился меньше, чем хотелось бы. Тем более основное преимущество данного метода, его широкополосность мне в ланном случае и не нужна.

Второй способ, сделать это с помощью колебательного контура с отводами. При этом УМ будет работать только на одной частоте, но зато будет происходить подавление гармоник излучаемых передатчиком. Контур в цепь коллектора лучше включить не полностью, что бы не сильно снижать его добротность из за его шунтирования выходным сопротивлением транзистора и сопротивлением нагрузки. Чем меньше будет коэффициент включения контура, тем выше будет его нагруженная добротность, а значит лучше фильтрация гармоник. Для эксперимента я взял контур с отводом от середины и коэффициентом трансформации само собой 2:1

Изображение

L1 у меня намотана на каркасе диаметром 6 мм, с сердечником из карбонильного железа. Количество витков 40 с отводом от 10 и 20 витка считая снизу.
Напряжение на резисторе R4 величиной 51 Ом получилось порядка 2,6 вольта, а значит мощность выделяемая на нем порядка 70 мвт. Т.о. мы получили заданную мощность, но теперь у нас сопротивление нагрузки уже 51 Ом. В случае без согласования у нас мощность получалась всего лишь 22 мвт. Про это выше писал.

Третий способ, это согласование с помощью П-контура. Этот способ применяется наиболее широко, т.к. он более удобен. П-контур, это по сути тот же колебательный контур, но коэффициент включения задается не отводами катушки, а емкостями входящими в этот контур.

Изображение

Схема с П-контуром выглядит так.

Изображение

Номиналы П-контура можно подсчитать по формулам, а можно воспользоваться программами расчета.
Я использовал эту программу.
http://dl2kq.de/soft/6-5.htm
Добротность контура выбрал равный двум. От величины добротности зависит подавление высших гармоник и КПД. Чем выше добротность, тем лучше подавление высших гармоник, но ниже КПД.
Теперь считаем.

Изображение

Емкости взял ближайшие из стандартного ряда. Точнее П-контур подстроил катушкой. Сначала сердечник катушки совсем выкрутил. По мере вкручивания сердечника, напряжение на выходе стало расти, а потом немного падать. Я поставил на максимум. Получилось примерно также, как и при согласовании колебательным контуром, что делали выше, т.е. получил на резисторе 51 Ом напряжение порядка 2,6 вольта и соответственно мощность порядка 70 мвт.
Согласование можно делать и с помощью «Г», «Т» цепей и т.д., но суть одна, это для получения нужной мощности, привести сопротивление нагрузки выходного каскада УМ к расчетному.
При работе на частотах в сотни мегагерц, не забывать о внутренних емкостях транзисторов и других паразитных реактивностях входящих в реальную схему.
Вот поэтому для своих экспериментов я и выбрал довольно низкую частоту, что бы при экспериментах эти паразитные реактивности мало влияли на результат и не путали нас, т.к. нам нужен был только понять принцип согласования.
Еще немного о получении максимальной мощности, что можно снять с конкретного транзистора. Её можно рассчитать по формуле, что давал выше, только поставить в неё максимально допустимые параметры конкретного транзистора.

Изображение

Данные о допустимых параметрах конкретных транзисторов берут из справочников и даташитов.
Выше рассматривали усилитель в классе «С», т.е. без начального смещения. Дальше посмотрим, что изменится, если на транзистор подадим какое либо начальное смещение. Этот режим транзистора называется классом «В», если при подаче смещения у нас транзистор находится на пороге открытия или класс «АВ», если через транзистор протекает ток, даже без наличия напряжения возбуждения с задающего генератора.

Изображение

Во первых, что бы через транзистор VT2 протекал ток, нужно, что бы появился ток базы этого, а т.к. это p-n переход, то ток базы появится только если напряжение на базе превысит где то 0,7 вольта.
Во вторых, что бы получить на коллекторе импульсы нужной нам амплитуды, на вход нужно подать соответствующее напряжение раскачки. В случае усилителя в классе «С» у меня получилось, что на его вход нужно подать напряжение ВЧ с задающего генератора где то порядка 1,5 вольта.
Теперь эксперимент. R3 ставим на максимум. С помощью R2 уменьшаем напряжение возбуждения дл одного вольта. Напряжение на нагрузке у нас при этом тоже уменьшается и становиться где то 1,5 вольта. Теперь крутим R3 и добиваемся, что бы напряжение на выходе стало опять 2,6 вольта. Т.е. за счет начального смещения мы получили ту же мощность при недостаточном напряжении возбуждения.
Это можно применить для амплитудной модуляции(АМ) передатчика.

Изображение

С помощью R3 устанавливаем на выходе передатчика например 2 вольта. С модулятора подаем напряжение звуковой частоты и подстраивая R4 добиваемся, что бы напряжение на выходе передатчика менялось в пределах 1,5 – 2,5 вольта, т.е. в такт со звуковой частотой с модулятора. Недостаток такого способа получения АМ в том, что нельзя получить глубокую модуляцию, т.к. при её увеличении возникают искажения, но в простых передатчиках такой способ иногда применяют.
В схеме со смещением на выходе можно получить какую то мощность если напряжение возбуждения с задающего генератора даже меньше 0,7 вольта. Правда при этом иногда не удается получить нужную мощность.
Основной недостаток работы УМ со смещением, т.е. в классе «В» или «АВ» в том, что увеличивается ток через транзистор и если в классе «С» в данном случае ток через транзистор где то 30 ма, то при переходе в режим класса «АВ» ток увеличивается до 40 ма. Т.е. во первых экономичность меньше, а во вторых транзистор может перегреваться из за увеличения тока, что будет протекать через него. С другой стороны ставить транзистор в режим класса «В» или «АВ» иногда приходиться вынужденно, например при усилении АМ колебаний или если у нас передатчик с однополосной модуляцией(SSB). Это делается для увеличения линейности УМ, что бы не было искажения модулирующего сигнала, в общем случае голоса.

Теперь перейдем к антеннам. С антеннами, особенно в жуках, тоже на практике не все так просто.


Поехали дальше.


Вложения:
1.gif [9.21 KiB]
Скачиваний: 11237
17.GIF [7.94 KiB]
Скачиваний: 19648
16.GIF [7.41 KiB]
Скачиваний: 20184
15.GIF [1.62 KiB]
Скачиваний: 25337
1.PNG [823.55 KiB]
Скачиваний: 19894
14.GIF [6.87 KiB]
Скачиваний: 19679
13.GIF [1.73 KiB]
Скачиваний: 19025
12.GIF [5.89 KiB]
Скачиваний: 20001
1.PNG [222.52 KiB]
Скачиваний: 18902
112.GIF [1.46 KiB]
Скачиваний: 20486
10.GIF [1.2 KiB]
Скачиваний: 21732
9.GIF [5.95 KiB]
Скачиваний: 19336
1.PNG [50.41 KiB]
Скачиваний: 19718
8.GIF [1.91 KiB]
Скачиваний: 19306
7.GIF [7.33 KiB]
Скачиваний: 3746
6.GIF [9.27 KiB]
Скачиваний: 20038
5.GIF [8.89 KiB]
Скачиваний: 9800
4.GIF [7.87 KiB]
Скачиваний: 19770
3.GIF [2.39 KiB]
Скачиваний: 19275
2.GIF [5.6 KiB]
Скачиваний: 19844
1.GIF [5.95 KiB]
Скачиваний: 20561
Вернуться наверх
 
Не в сети
 Заголовок сообщения: Re: Передатчики малой мощности(жуки).
СообщениеДобавлено: Ср авг 10, 2016 16:40:54 
Грызет канифоль
Аватар пользователя

Карма: 2
Рейтинг сообщений: 9
Зарегистрирован: Пн май 25, 2015 08:17:10
Сообщений: 259
Откуда: Москва
Рейтинг сообщения: 0
Сделал радиомикрофон.
Делал монтаж на прямоугольном кусочке картона.
Цифровой муз. центр ничего не поймал на частотах от 88 МГц до 108 МГц!

_________________
Могу сказать 26 цифр после запятой числа Пи.
Любитель потыкать кнопки на калькуляторе.
Теоретик и практик - коротко ТЕРАКТИК.
Обожаю считать паразитные емкости и LC-контуры.


Вернуться наверх
 
Не в сети
 Заголовок сообщения: Re: Передатчики малой мощности(жуки).
СообщениеДобавлено: Пт авг 12, 2016 13:17:54 
Модератор
Аватар пользователя

Карма: 158
Рейтинг сообщений: 1600
Зарегистрирован: Пт апр 28, 2006 15:26:07
Сообщений: 11940
Откуда: Россия.
Рейтинг сообщения: 0
Медали: 2
Мявтор 3-й степени (1) Лучший человек Форума 2017 (1)
pavel3333 писал(а):
Делал монтаж на прямоугольном кусочке картона.
Вот пример простого жука сделанного на "фанерке"
Точнее не куске полистирола размером 25х50 мм

Изображение

Снизу на этой пластинке сделана "земляная шина" из луженого провода.
Выводы деталей как можно короче. Они нагреваются паяльником и вплавляются в полистирол для жесткости.

Особо обратить внимание на расположение катушки и блокировочного конденсатора С1.
Сделано так, что бы в части схемы ВЧ генератора не было длинных проводников. Этого часто и на печатке трудно добиться, а на "фанерке" это делается легко.

Схема обычная.

Изображение

Изображение

Конденсатор С5 лучше поставить электролит на 5 - 10 мкф, но все мои электролиты, что были под рукой, оказались с большой утечкой. Проверить просто.
Выпаиваем R4 и С5 и микрофон. Напряжение на коллекторе VT1 должно стать равное напряжению питания.
Потом припаиваем С5. При этом напряжение на коллекторе не должно уменьшаться. Если уменьшилось, значит электролит с большой утечкой.
Я С5 поставил керамику 0,1 мкф, хотя лучше поставить 0,47 мкф, т.к. при 0,1 мкф сильно возросли высокие звуковые частоты. Пришлось их срезать и добавить конденсатор С6.
Само собой можно поставить и электролит, но проверить его на утечку, как написано выше.
Катушка намотана на диаметре 4 мм. Содержит 6 витков, но по результатам макетирования лучше намотать 7 витков, но мне просто не хотелось перематывать. Провод 0,5 мм.
Частота получилась 105,5 мГц. При этом без антенны частота возрастает где то до 115 мГц.
Т.е. частота этого примитивного жука сильно зависит от антенны.
VT1 любой маломощный НЧ транзистор.
VT2 любой ВЧ транзистор с Fт не менее 500 мГц

Напряжение на коллекторе VT1 лучше увеличить до 2 вольт. Для этого нужно увеличить величину резистора R4, но у меня не оказалось под рукой мегомных резисторов, поэтому оставил как есть.


Вернуться наверх
 
Эиком - электронные компоненты и радиодетали
Не в сети
 Заголовок сообщения: Re: Передатчики малой мощности(жуки).
СообщениеДобавлено: Вс авг 14, 2016 21:17:26 
Прорезались зубы

Карма: 3
Рейтинг сообщений: 3
Зарегистрирован: Вс май 08, 2016 12:56:15
Сообщений: 246
Рейтинг сообщения: 0
Хочу сказать, что данная тема оказалась очень полезной по крайней мере мне. Собрал жука по схеме из "многокаскадные жуки", все работает! Мой первый жук. Но есть проблемки, которые связываю с антенной, поэтому жду продолжения, надеюсь оно будет :))


Вернуться наверх
 
Не в сети
 Заголовок сообщения: Re: Передатчики малой мощности(жуки)
СообщениеДобавлено: Вс авг 14, 2016 21:25:04 
Модератор
Аватар пользователя

Карма: 158
Рейтинг сообщений: 1600
Зарегистрирован: Пт апр 28, 2006 15:26:07
Сообщений: 11940
Откуда: Россия.
Рейтинг сообщения: 3
Медали: 2
Мявтор 3-й степени (1) Лучший человек Форума 2017 (1)
ДмитрийМ писал(а):
Но есть проблемки
Ну так пишите, что за проблемы.
Будем разбираться.

Я вот сегодня еще такой пробовал. По мотивам этого.
viewtopic.php?p=2830926#p2830926
Цитата:
Я свою схему собрал и на выходе около 0,1-0,25 вольт ВЧ

Я тоже собрал подобную ради эксперимента.

Изображение

VT1 это просто схема согласования источника звука и передатчика. В принципе на вход можно и микрофон поставить.
Такие навороты со шнурком, это чтобы избавиться от всяческих наводок. Провода представляют из себя просто витую пару.
Уровень сигнала в данном случае регулируется регулятором в компьютере, хотя его можно и прямо в передатчике сделать.
VT2 это задающий генератор. Сделан по схеме индуктивной трехточки. Из данной схемы можно выжать большую мощность.
Подробнее здесь.
viewtopic.php?p=2719137#p2719137
Это ссылка на первый пост данной темы.

Изображение

Хотя можно задающий сделать и по схеме емкостной трехточки.
Как например здесь по той же ссылке.

Изображение

Там все написано и про генераторы и про то, как в них получить ЧМ.
VT3 это буфер, а VT4 усилитель мощности, т.е. схема совершенно стандартная.
Я не стал применять П-контура, т.к. при мощностях порядка 100 мВт не вижу в этом смысла, поэтому связи межу каскадами сделаны по упрощенной схеме.
Не нужно удивляться таким количеством блокировочных конденсаторов. По правилам ВЧ монтажа блокировочные конденсаторы должны стоять непосредственно возле каждого каскада.

Паял я на макетке.
Просто оторвал крышку от футляра CD диска и снизу приделал сплошную землю. Вырезал её из банки кофе «Нескафе»

Изображение

В месте, где нужно припаять к «общему проводу» просто сверлится дырка сверлом 1 мм и припаивается. На картинке это видно.

Сверху монтаж выглядит так.

Изображение

Белыми квадратиками я пометил точки, где я сверлил дырки и соединял с общим проводом. Вверху «красным» подписал расположение блокировочных конденсаторов. Блокировочный конденсатор стоит непосредственно возле каждой катушки и соединяется с общим проводом без всяких длинных проводников.
Также следует обратить внимание на расположение катушек относительно друг друга.
В общем при изготовлении печатки нужно придерживаться подобной компоновки независимо от того, будет или печатка или какой другой способ монтажа. На "пятачках" по Жутяеву по моему самое удобное.

Про транзисторы.

VT1 – любой маломощный.
VT2 – VT4 любые ВЧ транзисторы с Fт не менее 700 МГц
У меня кстати стоят КТ316Б. Очень дубовые транзисторы, хотя частотка у них вполне нормальная для нас в данном случае.
VT4 лучше что то помощнее или поставить два транзистора в параллель. Возможно это я потом попробую и постараюсь получить мощность порядка 300 мВт.
В данном случае получилось, что при питании 6 вольт получил 60 мВт. При напряжении 8 вольт мощность возрастает до 100 мВт, то оконечный транзистор уже теплый.
В качестве варикапа конечно лучше КВ109 или еще какой с маленькой емкостью, но я вместо него поставил два параллельно соединенных выпрямительных диода КД102. Можно и другие. Иногда я КД104 ставил, а точнее те, что под руку первыми попадутся.

Про катушки.

Катушки намотаны на диаметре 4 мм. Провод 0,4 -0,5 мм
L1 - 7 витков. Отвод где то от 3-го витка.
L2 - 8 витков.
L3 - 8 витков. Отвод от середины.

Теперь настройка.

Сначала паяем VT1 и задающий генератор. R4 подбираем так, что бы ток первого транзистора был порядка 1 ма. Можно измерять постоянное напряжение на его коллекторе. Там должно быть порядка 3 волта, а значит ток
Iк=Uк/R1
Ток VT2 можно подбирать меняя R2 или R9. У меня R9 сначала стоял 180 Ом. Пришлось его уменьшить и сделать ток VT2 90 Ом и ток соответственно порядка 13 ма. Можно измерять напряжение на R9. Для такого тока оно должно быть 1,2 вольта, а значит ток
Iк=1,2 вольт/91 Ом
Дальше к коллектору VT2 припаиваем антенну. Я делал провод где то 10 см. На вход подаем звуковой сигнал и растягтвая-сжимая катушку L1 настраиваемся на частоту в радиовещательном диапазоне УКВ. У меня где то 95 МГц получилось. Ловим это приемником, устанавливаем нужный уровень звукового сигнала. Можно ориентироваться на то, что бы громкость при приеме своего сигнала была такая же, что и при приема радиостанции. Если уровень будет слишком большой, будут искажения. Если маленький, значит не хватает раскачки и нужно в компьютере увеличить громкость.
Теперь можно добавлять по одному каскаду и подключая к нему антенну, проверять.
Нужно смотреть, что бы не возникало самовозбуждения схемы. Можно смотреть на эмиттере VT2(точка "А"). В случае самовозбуждения там вместо постоянного потенциала, в нашем случае порядка 1,2 вольта, получаются импульсы довольно низкой частоты. Удобно контролировать осциллографом, хотя думаю можно и диодным пробником и мультиметром. Мультиметр при отсутствии самовозбуждения не должен ничего показывать ил показывать где то не более 0,1 вольта. Если самовозбуждение есть, то напряжение будет больше 0,5 вольта, хотя сам так не пробовал.

Изображение

Самовозбуждение может быть из за неправильной настройки контуров и из за сильной связи задающего генератора с транзистором VT3, что было у меня. Я просто уменьшил емкость конденсатора С9. Сначала там стоял 30 пф.
Вообще катушки лучше настраивать при полностью собранной схеме. Там в схеме на выходе уже включен эквивалент антенны, это резистор R13 и собственно сам диодный пробник. Диод можно и кремниевый, например КД522, но при этом показания будут немного занижены, что не важно, т.к. настройка у нас по максимуму напряжения на выходе.
Следует учитывать, что при подключении к задающему генератору буферного каскада VT3, частота генерации немного снизится. У меня была 95 МГц, а потом стала 90 МГц. Частоту меняем сдвигая-растягивая L1.
Дальше удобно настраивать с помощью ферритового сердечника и латунного. Если при введении в катушку напряжение на выходе возрастает, значит катушку нужно сжимать и наоборот. Сначала настраиваем катушку L2, потом L3. При этом следить, что бы не возникало самовозбуждения.
Как уже говорил при питании 6 вольт у меня на выходе получилось ВЧ напряжение 2,5 вольта. При питании 8 вольт подучилось 3,5 вольта.
Дальше отключаем то, что нарисовано красным цветом и подключаем на выход антенну.

Дальше можно попробовать VT4 поставить более мощный или две штуки в параллель и получить мощность еще больше, но это потом.


Вложения:
1.png [227.56 KiB]
Скачиваний: 15464
пробник.PNG [3.24 KiB]
Скачиваний: 18257
земля.PNG [85.29 KiB]
Скачиваний: 28360
общ_п.PNG [267.94 KiB]
Скачиваний: 28446
Вернуться наверх
 
Не в сети
 Заголовок сообщения: Re: Передатчики малой мощности(жуки).
СообщениеДобавлено: Вс авг 21, 2016 21:55:44 
Прорезались зубы

Карма: 3
Рейтинг сообщений: 3
Зарегистрирован: Вс май 08, 2016 12:56:15
Сообщений: 246
Рейтинг сообщения: 0
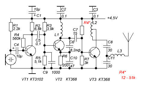
Наконец то добрался до жука. Сделал его по этой схеме
Изображение
Она почти такая же как здесь из раздела Многокаскадные жуки, за исключением того что микрофон трехвыводной.
Микрофон Сосна (чувствительность очень порадовала - слышал тикание часов из другой комнаты, хотя самому его не слышно). Подстроечный конденсатор на 30 пФ. Поймал его на частоте 91.0 МГц приемником в мобильном телефоне. Но ловил сигнал он на расстоянии не больше 5 метров (согласования с антенной не делал). Антенна просто провод длиной 20 см. По скольку были проблемы с подстроечным кондером, то решил поставить другой, но 2-10 пФ и увеличил число витков катушки в третьем каскаде с 7 до 9 (чтобы не сильно повлиять на частоту решил увеличить индуктивность в противовес тому, что уменьшил емкость). На вч пробнике кстати до этого было 1.6 вольт.
Во всех случаях максимум напряжения на вч пробнике (R8=200 Ом) было при минимальной емкости кондера.
1) 9 витков, напряжение 1.8-1.9 В. Решил еще увеличить индуктивность раз максимум напряжения при минимальной емкости. Хотел максимум поймать при какой-нибудь средней емкости подстроечного конденсатора.
2) 11 виктов, напряжение 2.1 вольта. Причем во втором каскаде в катушке 8 витков все время.
Выглядит вот так
Изображение
Поймать сигнал не удается от 87 до 108 МГц, но если выставить минимальную ёмкость потребляемый ток становится 180 мА (при других емкостях индикатор с разрешением в 10 мА показывает 0) и на 88.6 МГц появляется странный звук типа как писк только низкочастотый, на расстоянии 3-4 метров от антенны. И на 107.7 МГц такой же звук причем в пределах квартиры не смог найти место где бы он пропал (если отключить жука этого звука нет). Но ни каких реальных звуков не передается, хотя раньше работало пусть и на 5 метрах
Изображение
Излучение есть т.к. у самодельного стрелочного индикатора поля рядом с антенной отклоняется стрелка причем прилично.

Вот думаю, допустил ли я ошибки в своей логике увеличить катушку в 3-м каскаде при замене кондера на более мелкий и почему писк на таких частотах (ведь они не кратные)? Да и вообще что могло случится?

К сожалению частотомером не располагаю пока что. Да, и пока я сидел с мобильником и искал частоту, то переодически касался антенны, чтобы услышать в такт какие-либо звуки. И я слышал легкие щелчки на многих частотах в пределах 87 - 108, а на 88.6 и 107.7 прям очень отчетливые.


Вернуться наверх
 
Не в сети
 Заголовок сообщения: Re: Передатчики малой мощности(жуки).
СообщениеДобавлено: Вс авг 21, 2016 23:16:34 
Модератор
Аватар пользователя

Карма: 158
Рейтинг сообщений: 1600
Зарегистрирован: Пт апр 28, 2006 15:26:07
Сообщений: 11940
Откуда: Россия.
Рейтинг сообщения: 0
Медали: 2
Мявтор 3-й степени (1) Лучший человек Форума 2017 (1)
ДмитрийМ писал(а):
Решил еще увеличить индуктивность раз максимум напряжения при минимальной емкости.
Если максимум мощности при минимальной емкости, значит витки катушки нужно уменьшать, а не увеличивать.

Также монтаж самого жука не совсем удачный. Все таки на данных частотах делается немного не так.

Все таки ваша монтажная плата не предназначена для макетирования ВЧ устройств. Она в основном предназначена для макетирования мигалок.


Вернуться наверх
 
Не в сети
 Заголовок сообщения: Re: Передатчики малой мощности(жуки).
СообщениеДобавлено: Вс авг 21, 2016 23:24:41 
Прорезались зубы

Карма: 3
Рейтинг сообщений: 3
Зарегистрирован: Вс май 08, 2016 12:56:15
Сообщений: 246
Рейтинг сообщения: 0
Как же я банально напутал, признаю.
Но вот мне непонятно почему растет напряжение на C11 при увеличении индуктивности L2?


Вернуться наверх
 
Не в сети
 Заголовок сообщения: Re: Передатчики малой мощности(жуки).
СообщениеДобавлено: Вс авг 21, 2016 23:47:32 
Модератор
Аватар пользователя

Карма: 158
Рейтинг сообщений: 1600
Зарегистрирован: Пт апр 28, 2006 15:26:07
Сообщений: 11940
Откуда: Россия.
Рейтинг сообщения: 0
Медали: 2
Мявтор 3-й степени (1) Лучший человек Форума 2017 (1)
ДмитрийМ писал(а):
почему растет напряжение на C11 при увеличении индуктивности L2?
Вполне возможно у вас там паразитное самовозбуждение на частоте далеко отстоящей от нужной вам, поэтому диодный пробник показывает большое напряжение, но пробнику все равно, что измерять, нужное вам напряжение ВЧ или паразитное самовозбуждение.


Вернуться наверх
 
Не в сети
 Заголовок сообщения: Re: Передатчики малой мощности(жуки).
СообщениеДобавлено: Пн авг 22, 2016 14:36:32 
Модератор
Аватар пользователя

Карма: 158
Рейтинг сообщений: 1600
Зарегистрирован: Пт апр 28, 2006 15:26:07
Сообщений: 11940
Откуда: Россия.
Рейтинг сообщения: 0
Медали: 2
Мявтор 3-й степени (1) Лучший человек Форума 2017 (1)
У меня осталась старая макетка этого жука. Конечно лучше было бы её сделать по методу Жутяева, про который написано здесь.
http://radiokot.ru/circuit/analog/receiv_transmit/18/
Но я пошел по более быстрому пути и просто взял пластину из полистирола и снизу сделал из жести землю.
Здесь писал.
viewtopic.php?p=2832906#p2832906
Спойлер
Денис писал(а):
Паял я на макетке.
Просто оторвал крышку от футляра CD диска и снизу приделал сплошную землю. Вырезал её из банки кофе «Нескафе»

Изображение

В месте, где нужно припаять к «общему проводу» просто сверлится дырка сверлом 1 мм и припаивается. На картинке это видно.

Плата получилась такая.

Изображение

Белыми квадратиками показаны точки соединения с землей. Видно, что непосредственно к каждом каскаде стоит блокировочный конденсатор и он без всяких длинных проводов припаян к общему проводу.
На схеме тоже видим эти конденсаторы.

Изображение

Катушки намотаны на оправке диаметром 4 мм проводом 0,5 мм. Содержат по 7 витков. Частота получилась порядка 95 МГц.
Катушки расположены под углом 90 градусов относительно друг друга.

Окончательную настройку на максимум мощности делать с помощью волномера.
Как это делать, писал уже не один раз.

ДмитрийМ писал(а):
согласования с антенной не делал
В данном жуке это мало имеет смысла, т.к. второй каскад здесь в основном служит для уменьшения влияния антенны на частоту жука.
Если уж делать согласования, то имеет смысл схему немного усложнить.

Изображение

Отвод у L2 примерно от середины.
Если антенна будет меньше четверти длины, то будет лучше, если её «электрически» удлинить с помощью удлиняющей катушки. На схеме она «L3»
Индуктивность катушки можно рассчитать по этой программе.
http://vrtp.ru/screenshots/3253_udlkat2.zip
Количество витков рассчитать здесь.
http://coil32.ru/calc/one-layer.html
Настройка этой катушки подробно описана здесь.
http://radiokot.ru/start/analog/practice/06/
Читать начиная с этих слов.
Цитата:
Теперь настройка антенны. У меня антенна длиной 45 см.


Вложения:
2.GIF [9.04 KiB]
Скачиваний: 18702
1.GIF [8.26 KiB]
Скачиваний: 19405
2.PNG [173.2 KiB]
Скачиваний: 19161
Вернуться наверх
 
Не в сети
 Заголовок сообщения: Re: Передатчики малой мощности(жуки).
СообщениеДобавлено: Пн авг 22, 2016 17:05:24 
Прорезались зубы

Карма: 3
Рейтинг сообщений: 3
Зарегистрирован: Вс май 08, 2016 12:56:15
Сообщений: 246
Рейтинг сообщения: 0
Чем плоха монтажная плата? Только потому что на ней менее плотно можно расположить элементы или есть еще какие-либо подводные камни?
Впаивал катушки 4, 6, 8 витков, при переменной емкости 2-10 пФ, так и не смог найти сигнал.
Хотя раньше при 7 витках и переменном 3-80 пФ ловил.


Вернуться наверх
 
Не в сети
 Заголовок сообщения: Re: Передатчики малой мощности(жуки).
СообщениеДобавлено: Пн авг 22, 2016 17:33:46 
Модератор
Аватар пользователя

Карма: 158
Рейтинг сообщений: 1600
Зарегистрирован: Пт апр 28, 2006 15:26:07
Сообщений: 11940
Откуда: Россия.
Рейтинг сообщения: 0
Медали: 2
Мявтор 3-й степени (1) Лучший человек Форума 2017 (1)
ДмитрийМ писал(а):
Чем плоха монтажная плата? Только потому что на ней менее плотно можно расположить элементы или есть еще какие-либо подводные камни?
Плотность монтажа здесь не главное.
Читайте здесь.
viewtopic.php?p=2809726#p2809726
Спойлер
Дмитрий писал(а):
Андрей Бедов писал(а):
Вот это грамотный монтажь!
Откуда он грамотный?
Не нужно путать красивый монтаж и грамотный монтаж.
Смотрим подключение блокировочного конденсатора.
Блокировочный конденсатор должен соединять точки "А" и "Б" максимально коротким путем.

Изображение

Смотрим, что получилось на "красивой" плате.
Я там красным нарисовал.

Изображение

Теперь смотрим плату "некрасивую"
aen писал(а):
Особо обратить внимание на расположение катушки и блокировочного конденсатора С1.
Сделано так, что бы в части схемы ВЧ генератора не было длинных проводников. Этого часто и на печатке трудно добиться, а на "фанерке" это делается легко.

Изображение

Работать будет конечно и "красивая" плата, только вот говорить, что монтаж там правильный, не нужно.

ДмитрийМ писал(а):
при переменной емкости 2-10 пФ, так и не смог найти сигнал.
Вероятно емкость мала. Подключите параллельно ему еще постоянный пик на десять.


Вернуться наверх
 
Не в сети
 Заголовок сообщения: Re: Передатчики малой мощности(жуки).
СообщениеДобавлено: Вт авг 23, 2016 22:30:04 
Прорезались зубы

Карма: 3
Рейтинг сообщений: 3
Зарегистрирован: Вс май 08, 2016 12:56:15
Сообщений: 246
Рейтинг сообщения: 0
Программа для расчета катушки перед антенной у меня на win 10 не запускается. С помощью программы для расчета индуктивности катушек рассчитал примерно какую-надо катушку - 9 витков. Припаял параллельно кондер на 10 пик, причем переменный от 2 до 10 пик, т.е. теперь изменяю от 12 до 20 пФ. Частота контура третьего каскада от 85 до 115 МГц (теоритически). Все так же, примерно при 12 пФ слышу писк по всей квартире правда теперь уже на 105.6 МГц. На вч пробнике 1.5 вольта. Думаю, может с микрофоном что-нибудь.


Вернуться наверх
 
Не в сети
 Заголовок сообщения: Re: Передатчики малой мощности(жуки).
СообщениеДобавлено: Ср авг 24, 2016 02:19:06 
Модератор
Аватар пользователя

Карма: 158
Рейтинг сообщений: 1600
Зарегистрирован: Пт апр 28, 2006 15:26:07
Сообщений: 11940
Откуда: Россия.
Рейтинг сообщения: 0
Медали: 2
Мявтор 3-й степени (1) Лучший человек Форума 2017 (1)
Приемник слушаете через наушники?
А если второй каскад отсоединить, а антенну подключить прямо к генератору как здесь, то что?

Изображение


Вернуться наверх
 
Не в сети
 Заголовок сообщения: Re: Передатчики малой мощности(жуки).
СообщениеДобавлено: Чт авг 25, 2016 16:21:09 
Прорезались зубы

Карма: 3
Рейтинг сообщений: 3
Зарегистрирован: Вс май 08, 2016 12:56:15
Сообщений: 246
Рейтинг сообщения: 0
Да через наушинки.
У меня некоторые элементы слегка отличаются от тех что в схеме: R2 не 560кОм, а 610кО, C8 не 47пФ, а 100/2=50пФ и C10 тоже не 47, а 22+22=44пФ. Ну и транзистор VT3 2cs9018 - он вроде почти аналогичен. Не думаю, что это существенные отличия, но все же, решил померить как и автор
Денис писал(а):
Изображение

И если у автора А = 2, Б = 0.6, то у меня А = 1.2, Б = 2.14.
Отсоединил последний каскад и было так
Изображение
стало так
Изображение
Если вместо антенны поставить такой же вч пробник, как и красным цветом здесь, то показывает ноль. Но излучение есть, причем сильнее, чем было. Стрелка на индикаторе поля отклоняется на расстоянии 5-10 см от антенны, а не 1 см.
Обратно поймал писк, но уже в районе 99 МГц. Радиоприемник на телефоне переключается через 100кГц, а этот писк занимал 300кГц. Антенна стала гораздо сильнее реагировать, если к ней приближать руку, но это вроде и неудивительно. Кстати, просимулировал данный генератор в LTSpice и он выдал частоту 100 МГц - порадовало совпадение теории и практики)
Хотел бы поинтересоваться:
1) В схеме три транзистора и я думал что в данном случае каскадом называется часть схемы с транзистором и мне казалось что их три, а все называют последний каскад вторым, почему?
2) Такое сильное отличие напряжения в точке Б свидетельствует о неисправности транзистора?
3) Возможно если я слышу писк, то это просто синусоида без модуляции, тогда наверное не работает микрофон, как можно это проверить?
4) Завтра будет возможность воспользоваться осциллографом с полосой 200МГц, подскажите в каких точках смотреть сигнал, что искать и на что обращать внимание?
5) Попробую снять сигнал сразу с выхода микрофона, какой амплитуды он должен быть, если я буду просто говорить рядом с микрофоном?


Вернуться наверх
 
Не в сети
 Заголовок сообщения: Re: Передатчики малой мощности(жуки).
СообщениеДобавлено: Чт авг 25, 2016 19:27:59 
Модератор
Аватар пользователя

Карма: 158
Рейтинг сообщений: 1600
Зарегистрирован: Пт апр 28, 2006 15:26:07
Сообщений: 11940
Откуда: Россия.
Рейтинг сообщения: 0
Медали: 2
Мявтор 3-й степени (1) Лучший человек Форума 2017 (1)
ДмитрийМ писал(а):
Такое сильное отличие напряжения в точке Б свидетельствует о неисправности транзистора?
Что за "А" и "Б" ?
Если говорите про них, то рисуйте их на своей схеме.

Изображение

Если "Б" это как я нарисовал, то еужно увеличить резистор R4 и добиться тока порядка 1 вольта. Это значит ток через транзистор будет порядка 5 ма.
ДмитрийМ писал(а):
Обратно поймал писк, но уже в районе 99 МГ
Так оторвите микрофон и в этом случае при настройкн должны получить тишину в приемнике.
Если опять будет свист, значит дело в генераторе.
Если получите тишину, значит будете разбираться с микрофоном и модулятором.
Сейчас Вы просто гадаете и нас гадать заставляете.
Осциллографом можно посмотреть в точке "А" когда не говорите, то там не должно быть никакого сигнала. Когда говорите в микрофон, то должен появляться амплитудой в десятые доли вольта и не больше.


Вложения:
1.GIF [6.45 KiB]
Скачиваний: 18079
Вернуться наверх
 
Не в сети
 Заголовок сообщения: Re: Передатчики малой мощности(жуки).
СообщениеДобавлено: Пн авг 29, 2016 17:28:40 
Прорезались зубы

Карма: 3
Рейтинг сообщений: 3
Зарегистрирован: Вс май 08, 2016 12:56:15
Сообщений: 246
Рейтинг сообщения: 0
Проблема обнаружилась при осмотре всех контактов под лупой. Небольшая трещина в питании микрофона и получается он как раз и был оторван. Припаял, передатчик работает в прямой видимости не считая собственного тела до 70 метров, где-то до 100-120 если не загораживать провод наушников вообще ни чем, даже собой. Передает на 98.1-98.3МГц. Микрофон "сосна", чувствительность хорошая (шепотом из другой комнаты прекрасно слышно), но если говорить, так сказать, с обычной громкостью на расстоянии ближе трех метров, то появляется шум, шипение и т.д.
Схема та же самая, но без последнего каскада с резонансным усилителем
Изображение
R1 увеличил до 10 кОм, думал поможет снизить чувствительность, но ни чего не изменилось.
Ниже привожу осциллограммы в точках 1,2,3 и 4
Изображение
Сигнал обрезается снизу, как я понимаю это из-за низкого напряжения на коллекторе? Если так то что делать, увеличивать R2, уменьшать R3 или соединить базу с землей через еще один резистор?
Изображение
Питал от разных блоков питания результат не изменился. Там постоянная составляющая, которая как и должно быть равняется напряжению источника и плюс осцилляции 50 МГц.
А дальше осциллограмма с коллектора VT2. По моему там должны быть почти гармонические колебания или я ошибаюсь?
Изображение
И эмиттер
Изображение
По скольку частота 50 МГц, то как я понимаю это первая гармоника, а то что я ловлю на 98 МГц это вторая. Нужно ли менять катушку и кондеры в генераторе, чтобы первая гармоника была на 100 МГц примерно?
А еще есть мысль поставить резистор сразу после C1 последовательно с базой, чтобы снизить чувствительность.
Надеюсь с вашими "выжму" из этого радиопередатчика по максимуму :)


Вернуться наверх
 
Не в сети
 Заголовок сообщения: Re: Передатчики малой мощности(жуки).
СообщениеДобавлено: Пн авг 29, 2016 18:28:43 
Модератор
Аватар пользователя

Карма: 158
Рейтинг сообщений: 1600
Зарегистрирован: Пт апр 28, 2006 15:26:07
Сообщений: 11940
Откуда: Россия.
Рейтинг сообщения: 1
Медали: 2
Мявтор 3-й степени (1) Лучший человек Форума 2017 (1)
ДмитрийМ писал(а):
чтобы снизить чувствительность

Изображение

ДмитрийМ писал(а):
частота 50 МГц
Не нужно лезть осциллографом напрямую в генератор, да еще без внешнего делителя.
Так Вы вносите в контур входную емкость осциллографа и снижаете его частоту.
Так можно вообще нарушить работу генератора.


Вложения:
1.PNG [17.64 KiB]
Скачиваний: 18205
Вернуться наверх
 
Не в сети
 Заголовок сообщения: Re: Передатчики малой мощности(жуки).
СообщениеДобавлено: Пн авг 29, 2016 23:21:21 
Прорезались зубы

Карма: 3
Рейтинг сообщений: 3
Зарегистрирован: Вс май 08, 2016 12:56:15
Сообщений: 246
Рейтинг сообщения: 0
Понятно, а если просто пока что сместить рабочую точку VT1, чтобы сигнал снизу не обрезался (фото №1 с осциллографа), это нужно делать резистором R2 или изменять еще что-то?


Вернуться наверх
 
Показать сообщения за:  Сортировать по:  Вернуться наверх
Начать новую тему Ответить на тему  [ Сообщений: 66 ]  1, , ,  

Часовой пояс: UTC + 3 часа


Кто сейчас на форуме

Сейчас этот форум просматривают: нет зарегистрированных пользователей и гости: 32


Вы не можете начинать темы
Вы не можете отвечать на сообщения
Вы не можете редактировать свои сообщения
Вы не можете удалять свои сообщения
Вы не можете добавлять вложения

Найти:
Перейти:  


Powered by phpBB © 2000, 2002, 2005, 2007 phpBB Group
Русская поддержка phpBB
Extended by Karma MOD © 2007—2012 m157y
Extended by Topic Tags MOD © 2012 m157y