Например TDA7294

Форум РадиоКот • Просмотр темы - Радиостанция CB(Си-Би)
Форум РадиоКот
Здесь можно немножко помяукать :)

Текущее время: Вт фев 10, 2026 20:39:12

Часовой пояс: UTC + 3 часа


ПРЯМО СЕЙЧАС:



Начать новую тему Ответить на тему  [ Сообщений: 2069 ]     ... , , , 38, , , ...  
Автор Сообщение
Не в сети
 Заголовок сообщения: Re: Радиостанция СВ
СообщениеДобавлено: Пт дек 23, 2016 19:15:09 
Мучитель микросхем
Аватар пользователя

Карма: 23
Рейтинг сообщений: 106
Зарегистрирован: Ср май 05, 2010 16:30:45
Сообщений: 415
Откуда: Удмуртия
Рейтинг сообщения: 0
Настраивал ЧМ детектор на УР3. На S-кривой имеется искажение. Чем оно может быть вызвано? Пьезофильтром или контуром? Или чем то другим , кто нибудь сталкивался? Изображение


Вернуться наверх
 
Не в сети
 Заголовок сообщения: Re: Радиостанция СВ
СообщениеДобавлено: Пт дек 23, 2016 19:19:35 
Модератор
Аватар пользователя

Карма: 158
Рейтинг сообщений: 1600
Зарегистрирован: Пт апр 28, 2006 15:26:07
Сообщений: 11940
Откуда: Россия.
Рейтинг сообщения: 0
Медали: 2
Мявтор 3-й степени (1) Лучший человек Форума 2017 (1)
Марсакот писал(а):
Пьезофильтром или контуром?
Большая неравномерность вершины АЧХ керамического фильтра.
В случае связного приемника это приемлемо.


Вернуться наверх
 
Не в сети
 Заголовок сообщения: Re: Радиостанция СВ
СообщениеДобавлено: Пт дек 23, 2016 19:22:44 
Мучитель микросхем
Аватар пользователя

Карма: 23
Рейтинг сообщений: 106
Зарегистрирован: Ср май 05, 2010 16:30:45
Сообщений: 415
Откуда: Удмуртия
Рейтинг сообщения: 0
То есть ,можно так оставить или всё таки фильтр подбирать?


Вернуться наверх
 
Не в сети
 Заголовок сообщения: Re: Радиостанция СВ
СообщениеДобавлено: Пт дек 23, 2016 19:25:23 
Модератор
Аватар пользователя

Карма: 158
Рейтинг сообщений: 1600
Зарегистрирован: Пт апр 28, 2006 15:26:07
Сообщений: 11940
Откуда: Россия.
Рейтинг сообщения: 0
Медали: 2
Мявтор 3-й степени (1) Лучший человек Форума 2017 (1)
Вероятно АЧХ фильтра выглядит так.

Изображение

Можно конечно попробовать тщательнее согласовать фильтр, но в принципе в радиостанции, где идет передача только речи, это не очень критично.


Вложения:
1.GIF [1.36 KiB]
Скачиваний: 1317
Вернуться наверх
 
Эиком - электронные компоненты и радиодетали
Не в сети
 Заголовок сообщения: Re: Радиостанция СВ
СообщениеДобавлено: Пт дек 23, 2016 19:28:14 
Мучитель микросхем
Аватар пользователя

Карма: 23
Рейтинг сообщений: 106
Зарегистрирован: Ср май 05, 2010 16:30:45
Сообщений: 415
Откуда: Удмуртия
Рейтинг сообщения: 0
Чтож ,оставлю так не буду заморачиваться. СПАСИБО! :beer:


Вернуться наверх
 
Не в сети
 Заголовок сообщения: Re: Радиостанция СВ
СообщениеДобавлено: Пт дек 23, 2016 19:32:59 
Модератор
Аватар пользователя

Карма: 158
Рейтинг сообщений: 1600
Зарегистрирован: Пт апр 28, 2006 15:26:07
Сообщений: 11940
Откуда: Россия.
Рейтинг сообщения: 0
Медали: 2
Мявтор 3-й степени (1) Лучший человек Форума 2017 (1)
Нелинейные искажения в звуке будут только на пороге дальности, когда сигнал будет приниматься на уровне шумов.
Но в этом случае уже обычно не до искажений, т.к. разборчивость уже и без этого будет плохая и уже из за шумов.


Вернуться наверх
 
Не в сети
 Заголовок сообщения: Re: Радиостанция СВ
СообщениеДобавлено: Пт дек 23, 2016 19:54:26 
Модератор
Аватар пользователя

Карма: 158
Рейтинг сообщений: 1600
Зарегистрирован: Пт апр 28, 2006 15:26:07
Сообщений: 11940
Откуда: Россия.
Рейтинг сообщения: 0
Медали: 2
Мявтор 3-й степени (1) Лучший человек Форума 2017 (1)
Фильтр у Вас какой?

Такое обычно получается, если в ЧМ приемнике ставить керамический фильтр на 465 кГц предназначенный для АМ приемников. У них обычно неравномерность вершины довольно большая, т.к. для АМ это совершенно не важно.
Да и полоса у них конечно маловата.
В случае применения керамических фильтров предназначенных для ЧМ приемников, АЧХ получается намного лучше и полоса у них обычно больше 15-ти килогерц, что намного удобнее.
Вот здесь пример с фильтрами предназначенными для ЧМ.
viewtopic.php?p=2644775#p2644775

Изображение

А это S-кривая.

Изображение

В вашем случае при сильном сигнале, когда идет глубокое ограничение в УПЧ, все будет нормально.
Когда прием будет на уровне шумов, то могут появиться нелинейные искажения, но обычно это уже считается, как "прием невозможен", т.к. шумоподавитель уже придется отключать и там будут и шумы и искажения.


Вернуться наверх
 
Не в сети
 Заголовок сообщения: Re: Радиостанция СВ
СообщениеДобавлено: Пт дек 23, 2016 20:34:49 
Мучитель микросхем
Аватар пользователя

Карма: 23
Рейтинг сообщений: 106
Зарегистрирован: Ср май 05, 2010 16:30:45
Сообщений: 415
Откуда: Удмуртия
Рейтинг сообщения: 0
aen писал(а):
Фильтр у Вас какой?
Вы правы ,фильтр у меня для АМ приёмников Изображение

Добавлено after 25 minutes 25 seconds:
Малость не в тему. Вопрос по снятию АЧХ фильтра. Как правильно всё подключать (фильтр,нагр.сопротивление,конденсаторы и т.д.)По этому делу информации практически ни какой . Если б Вы видели как я долго мучался получить S-кривую :oops: Вы бы со смеху попадали.В инете рылся ни чего не нашёл . Что куда подключить, какие режимы ставить. Сейчас самому смешно :)))


Вернуться наверх
 
Не в сети
 Заголовок сообщения: Re: Радиостанция СВ
СообщениеДобавлено: Пт дек 23, 2016 21:06:13 
Модератор
Аватар пользователя

Карма: 158
Рейтинг сообщений: 1600
Зарегистрирован: Пт апр 28, 2006 15:26:07
Сообщений: 11940
Откуда: Россия.
Рейтинг сообщения: 0
Медали: 2
Мявтор 3-й степени (1) Лучший человек Форума 2017 (1)
Марсакот писал(а):
Вопрос по снятию АЧХ фильтра.
Так вот здесь все довольно подробно описано.
viewtopic.php?p=2644775#p2644775
Фильтр нагрузите. Дальше нужно подключить осциллограф так, что бы по минимуму вносить его входную емкость в схему.
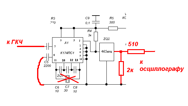
Денис писал(а):
Отключаем микросхему К174УР3, т.к. с ней возможно самовозбуждение, а нам пока не до него. Нагружаем керамический фильтр на резистор 2 кОм.

Изображение

Осциллограф через резистор 510 Ом подключаем на выход второго керамического фильтра. Резистор 510 Ом нужен, что бы при подключении осциллографа не возникло самовозбуждение. Иногда такое бывает. Также этим резистором минимизируем входную емкость осциллографа, которая может исказить картинку.
ГКЧ ставим рядом, включаем и крутим сердечник катушки в ГКЧ, пока на экране осциллографа не увидим картинку.

Изображение

Если приемник перегружается, то нужно отодвинуть ГКЧ подальше.


Можно воспользоваться диодным пробником оттуда.

Изображение

Тогда увидите векторную картинку.

Изображение

Только конденсатор С1 увеличить пик до 100 для данных частот и диод лучше германиевый. В данном случае можно даже Д9
Данный пробник тоже позволит уменьшить влияние входной емкости осциллографа на картинку.
Хотя и без этого искажения на данных частотах не такие уж и большие.


Вложения:
1.PNG [33.34 KiB]
Скачиваний: 1209
Вернуться наверх
 
Не в сети
 Заголовок сообщения: Re: Радиостанция СВ
СообщениеДобавлено: Сб дек 24, 2016 14:56:03 
Мучитель микросхем
Аватар пользователя

Карма: 23
Рейтинг сообщений: 106
Зарегистрирован: Ср май 05, 2010 16:30:45
Сообщений: 415
Откуда: Удмуртия
Рейтинг сообщения: 0
Изображение я правильно понял?


Вернуться наверх
 
Не в сети
 Заголовок сообщения: Re: Радиостанция СВ
СообщениеДобавлено: Сб дек 24, 2016 15:12:44 
Модератор
Аватар пользователя

Карма: 158
Рейтинг сообщений: 1600
Зарегистрирован: Пт апр 28, 2006 15:26:07
Сообщений: 11940
Откуда: Россия.
Рейтинг сообщения: 0
Медали: 2
Мявтор 3-й степени (1) Лучший человек Форума 2017 (1)
Правильно, но так Вы увидете АЧХ самого фильтра. Вам же нужно посмотреть АЧХ фильтра включенного в вашу схему, а также общую АЧХ УПЧ, которая еще зависит и от контуров ПЧ, если они там у вас есть.
Поэтому нужно прямо в схеме смотреть. Отключить выход фильтра и повесить там ему нагрузку.
Вот как здесь делали.

Изображение

Если в схеме есть еще контура в УПЧ, то от их настройки тоже много зависит. Когда будете смотреть прямо в схеме, то сразу можно будет подкорректировать общую АЧХ подкрутив катушки в УПЧ.

Если у вас ГКЧ на промежуточную частоту, то отключите гетеродин в приемнике, а сигнал ГКЧ подайте через делитель на вход УПЧ.
Для получения достоверных данных, следите, что бы УПЧ не входил а режим ограничения.

Без схемы трудно давать конкретные ответы.


Вернуться наверх
 
Не в сети
 Заголовок сообщения: Re: Радиостанция СВ
СообщениеДобавлено: Сб дек 24, 2016 15:36:56 
Мучитель микросхем
Аватар пользователя

Карма: 23
Рейтинг сообщений: 106
Зарегистрирован: Ср май 05, 2010 16:30:45
Сообщений: 415
Откуда: Удмуртия
Рейтинг сообщения: 0
aen писал(а):
но так Вы увидете АЧХ самого фильтра
я это и хочу.
aen писал(а):
Вам же нужно посмотреть АЧХ фильтра включенного в вашу схему, а также общую АЧХ УПЧ
Но как? Если слева смеситель ,а справа Вы предлагаете отключить фильтр от УПЧ


Вернуться наверх
 
Не в сети
 Заголовок сообщения: Re: Радиостанция СВ
СообщениеДобавлено: Сб дек 24, 2016 16:17:07 
Модератор
Аватар пользователя

Карма: 158
Рейтинг сообщений: 1600
Зарегистрирован: Пт апр 28, 2006 15:26:07
Сообщений: 11940
Откуда: Россия.
Рейтинг сообщения: 0
Медали: 2
Мявтор 3-й степени (1) Лучший человек Форума 2017 (1)
Марсакот писал(а):
Но как? Если слева смеситель ,а справа Вы предлагаете отключить фильтр от УПЧ
Так трудно объяснить, если Вы схему не выложили.
Вот на примере этой схемы. Она на 27 МГц

Изображение

Если у Вас ГКЧ на рабочую частоту, т.е. например на 27 МГц, то можно просто сигнал с ГКЧ подать на вход приемника.

Изображение

Если у Вас ГКЧ работает на промежуточной частоте, то в моей схеме нужно отключить гетеродин, а сигнал с ГКЧ подать на вход смесителя.

Изображение

Можно также гетеродин отключить. Смеситель закрыть, а сигнал с ГКЧ подать на коллектор смесителя через делитель, что бы не нагружать контур.

Изображение

Т.е. вариантов много. Выбирайте какой Вам удобнее.


Вложения:
3.GIF [8.66 KiB]
Скачиваний: 1530
2.GIF [7.85 KiB]
Скачиваний: 1069
1.GIF [11.29 KiB]
Скачиваний: 1096
Вернуться наверх
 
Не в сети
 Заголовок сообщения: Re: Радиостанция СВ
СообщениеДобавлено: Сб дек 24, 2016 16:24:53 
Мучитель микросхем
Аватар пользователя

Карма: 23
Рейтинг сообщений: 106
Зарегистрирован: Ср май 05, 2010 16:30:45
Сообщений: 415
Откуда: Удмуртия
Рейтинг сообщения: 0
Схема простая ,её даже по фото платы понять можно. УВЧ-ПС1-ПФ-УР3. ГКЧ у меня на ПЧ. Сейчас чуток очухаюсь после баньки и начну над фильтрами издеваться :))) :beer:


Вернуться наверх
 
Не в сети
 Заголовок сообщения: Re: Радиостанция СВ
СообщениеДобавлено: Сб дек 24, 2016 16:43:41 
Модератор
Аватар пользователя

Карма: 158
Рейтинг сообщений: 1600
Зарегистрирован: Пт апр 28, 2006 15:26:07
Сообщений: 11940
Откуда: Россия.
Рейтинг сообщения: 0
Медали: 2
Мявтор 3-й степени (1) Лучший человек Форума 2017 (1)
Ну так "сорвите" колебания гетеродина, например убрав кварц, а сигнал с ГКЧ подайте на один из входов ПС1

Изображение

Или сделайте как у меня выше в последнем варианте, где я сигнал подавал прямо на фильтр через резистор 5 - 10 ком и конденсатор.
download/file.php?mode=view&id=271179
Хотя, если у Вас кроме керамического фильтра в УПЧ нет больше никаких колебательных контуров, то придется смириться с той АЧХ,что получилось. В этих случаях я АЧХ даже не смотрю.
АЧХ в какой то мере можно подкорректировать если в УПЧ есть хотя бы один контур. Лучше его поставить на выходе смесителя, как в схеме выше, а с контура уж подать на керамический фильтр.


Вложения:
3.GIF [5.96 KiB]
Скачиваний: 1269
Вернуться наверх
 
Не в сети
 Заголовок сообщения: Re: Радиостанция СВ
СообщениеДобавлено: Сб дек 24, 2016 16:55:37 
Мучитель микросхем
Аватар пользователя

Карма: 23
Рейтинг сообщений: 106
Зарегистрирован: Ср май 05, 2010 16:30:45
Сообщений: 415
Откуда: Удмуртия
Рейтинг сообщения: 0
Ну так у меня с самого начала был вопрос
Марсакот писал(а):
Вопрос по снятию АЧХ фильтра. Как правильно всё подключать


Добавлено after 4 minutes 34 seconds:
И был получен ответ
aen писал(а):
Правильно, но так Вы увидете АЧХ самого фильтра
:beer:


Вернуться наверх
 
Не в сети
 Заголовок сообщения: Re: Радиостанция СВ
СообщениеДобавлено: Сб дек 24, 2016 17:04:58 
Модератор
Аватар пользователя

Карма: 158
Рейтинг сообщений: 1600
Зарегистрирован: Пт апр 28, 2006 15:26:07
Сообщений: 11940
Откуда: Россия.
Рейтинг сообщения: 0
Медали: 2
Мявтор 3-й степени (1) Лучший человек Форума 2017 (1)
Марсакот писал(а):
УВЧ-ПС1-ПФ-УР3.
Я когда то вот такую радиостанцию делал на 27 МГц
СпойлерИзображение

Упор был на простоту. Конечно на выходе ПС1 поставить контур, а уж с него подать на фильтр. Но в этом случае катушки в УПЧ придется ставить в экраны.

Но моя слабость, :) это наличие хорошего шумоподавителя, т.к. считаю, что от его четкой работы многое зависит, особенно в простых схемах.
Поэтому сделал его по максимуму.


Вложения:
1.GIF [32.39 KiB]
Скачиваний: 850
Вернуться наверх
 
Не в сети
 Заголовок сообщения: Re: Радиостанция СВ
СообщениеДобавлено: Сб дек 24, 2016 17:13:43 
Мучитель микросхем
Аватар пользователя

Карма: 23
Рейтинг сообщений: 106
Зарегистрирован: Ср май 05, 2010 16:30:45
Сообщений: 415
Откуда: Удмуртия
Рейтинг сообщения: 0
У меня почти тоже самое .
aen писал(а):
Но моя слабость, это наличие хорошего шумоподавителя, т.к. считаю, что от его четкой работы многое зависит, особенно в простых схемах.
Согласен на все 100 . , я собрал на ОУ с полным отключением УНЧ от питания. За основу взял Р/С Стасенко.


Вернуться наверх
 
Не в сети
 Заголовок сообщения: Re: Радиостанция СВ
СообщениеДобавлено: Вс дек 25, 2016 09:54:03 
Мучитель микросхем
Аватар пользователя

Карма: 23
Рейтинг сообщений: 106
Зарегистрирован: Ср май 05, 2010 16:30:45
Сообщений: 415
Откуда: Удмуртия
Рейтинг сообщения: 0
Вот АЧХ трёх фильтров
Изображение Изображение Изображение :shock:


Вернуться наверх
 
Не в сети
 Заголовок сообщения: Re: Радиостанция СВ
СообщениеДобавлено: Вс дек 25, 2016 21:25:44 
Модератор
Аватар пользователя

Карма: 158
Рейтинг сообщений: 1600
Зарегистрирован: Пт апр 28, 2006 15:26:07
Сообщений: 11940
Откуда: Россия.
Рейтинг сообщения: 0
Медали: 2
Мявтор 3-й степени (1) Лучший человек Форума 2017 (1)
Марсакот писал(а):
Вот АЧХ трёх фильтров :shock:
А Вы как думали? :)
Выше уже писали, что дешевые китайские фильтры для АМ имеют очень большую неравномерность вершины. Старые советские и то лучше, но у них габариты большие.
При этом у них еще полоса все таки узковата.
Если в УПЧ поставить хотя бы одну катушку, то форму АЧХ в какой то мере можно подправить, хотя и немного.
aen писал(а):
Хотя, если у Вас кроме керамического фильтра в УПЧ нет больше никаких колебательных контуров, то придется смириться с той АЧХ, что получилось. В этих случаях я АЧХ даже не смотрю.
АЧХ в какой то мере можно подкорректировать если в УПЧ есть хотя бы один контур. Лучше его поставить на выходе смесителя, как в схеме выше, а с контура уж подать на керамический фильтр.
Но при этом катушку после смесителя и катушку в ЧМ детекторе придется ставить в экраны, хотя про это тоже уже писали.
aen писал(а):
Конечно на выходе ПС1 поставить контур, а уж с него подать на фильтр. Но в этом случае катушки в УПЧ придется ставить в экраны.
Выберите тот фильтр, у которого полоса больше и с ним экспериментируйте. Вот там на третьей картинке у фильтра полоса какая?


Вернуться наверх
 
Показать сообщения за:  Сортировать по:  Вернуться наверх
Начать новую тему Ответить на тему  [ Сообщений: 2069 ]     ... , , , 38, , , ...  

Часовой пояс: UTC + 3 часа


Кто сейчас на форуме

Сейчас этот форум просматривают: Михаил971 и гости: 34


Вы не можете начинать темы
Вы не можете отвечать на сообщения
Вы не можете редактировать свои сообщения
Вы не можете удалять свои сообщения
Вы не можете добавлять вложения

Найти:
Перейти:  


Powered by phpBB © 2000, 2002, 2005, 2007 phpBB Group
Русская поддержка phpBB
Extended by Karma MOD © 2007—2012 m157y
Extended by Topic Tags MOD © 2012 m157y