Например TDA7294

Форум РадиоКот • Просмотр темы - Понимаем мультивибратор
Форум РадиоКот
Здесь можно немножко помяукать :)

Текущее время: Чт дек 11, 2025 13:40:05

Часовой пояс: UTC + 3 часа


ПРЯМО СЕЙЧАС:



Начать новую тему Ответить на тему  [ Сообщений: 438 ]     ... , , , 7, , , ...  
Автор Сообщение
Не в сети
 Заголовок сообщения: Re: Мультивибратор.
СообщениеДобавлено: Ср авг 31, 2011 13:19:22 
Опытный кот
Аватар пользователя

Карма: 9
Рейтинг сообщений: 45
Зарегистрирован: Чт мар 04, 2010 12:38:27
Сообщений: 762
Рейтинг сообщения: 0
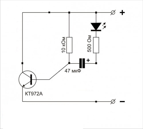
В принципе можно попробовать 940 использовать вместо 972 и без включения по схеме "дарлингтона"....

_________________
Против лома - нет приема! ...разве что, Закона Ома!
Лом ужасен и велик! Но... хороший проводник!


Вернуться наверх
 
Не в сети
 Заголовок сообщения: Re: Мультивибратор.
СообщениеДобавлено: Ср авг 31, 2011 14:09:57 
Встал на лапы

Зарегистрирован: Чт авг 04, 2011 15:31:40
Сообщений: 87
Откуда: ст.зеленчукская, КЧР
Рейтинг сообщения: 0
спасибо всем за помошь собрал работает!!!!!!!!!!!!!!!!!


Вернуться наверх
 
Не в сети
 Заголовок сообщения: Re: Мультивибратор.
СообщениеДобавлено: Ср авг 31, 2011 14:18:16 
Собутыльник Кота
Аватар пользователя

Карма: 28
Рейтинг сообщений: 757
Зарегистрирован: Сб ноя 13, 2010 12:53:25
Сообщений: 2896
Откуда: приходит весна?
Рейтинг сообщения: 0
VLADAMIR писал(а):
...а вот кт940а у меня вагонами в ниличии по этому хочеться применить то что есть...


Если так много телевизоров было распаяно, то дефицита в КТ315 и КТ361 быть точно не должно. Вот на них и собирайте мультивибраторы. КТ940А вообще-то для других целей предназначен.


Вернуться наверх
 
Не в сети
 Заголовок сообщения: Re: Мультивибратор.
СообщениеДобавлено: Ср авг 31, 2011 14:20:57 
Встал на лапы

Зарегистрирован: Чт авг 04, 2011 15:31:40
Сообщений: 87
Откуда: ст.зеленчукская, КЧР
Рейтинг сообщения: 0
Я собрал на кт940а, заработало моргает , только как сделать чтобы светодиоды тухли полностью, а то они меняют яркость и до конца не тухнут?


Вернуться наверх
 
Эиком - электронные компоненты и радиодетали
Не в сети
 Заголовок сообщения: Re: Понимаем мультивибратор
СообщениеДобавлено: Чт сен 08, 2011 20:45:15 
Сверлит текстолит когтями

Карма: 1
Рейтинг сообщений: -1
Зарегистрирован: Ср июн 22, 2011 21:14:17
Сообщений: 1158
Рейтинг сообщения: 0
Вещь хорошая : нарисовал , сделал печатку ,собрал , заработало :)
Теперь можно будет вместо светодиодов что нибудь другое ставить 8)


Вернуться наверх
 
Не в сети
 Заголовок сообщения: Re: Понимаем мультивибратор
СообщениеДобавлено: Вт сен 13, 2011 17:13:56 
Прорезались зубы
Аватар пользователя

Зарегистрирован: Пт мар 19, 2010 16:52:19
Сообщений: 224
Откуда: Челябинск
Рейтинг сообщения: 0
Собрал мультивибратор на КТ315...
Оба светодиода просто светят...
Конденсаторы 10uf х 25В
резисторы по 300 Ом и на 31КОм...

Питание 5 вольт

Как его запустить?

_________________
Изображение


Вернуться наверх
 
Не в сети
 Заголовок сообщения: Re: Понимаем мультивибратор
СообщениеДобавлено: Вт сен 13, 2011 21:22:21 
Друг Кота
Аватар пользователя

Карма: 48
Рейтинг сообщений: 96
Зарегистрирован: Пн мар 22, 2010 11:01:14
Сообщений: 7460
Откуда: СССР, г. Москва.
Рейтинг сообщения: 0
Собрать его правильно и из исправных деталей :)

_________________
Я рожден при социализме, и я этим горжусь!


Вернуться наверх
 
Не в сети
 Заголовок сообщения: Re: Понимаем мультивибратор
СообщениеДобавлено: Вт сен 13, 2011 21:25:47 
Прорезались зубы
Аватар пользователя

Зарегистрирован: Пт мар 19, 2010 16:52:19
Сообщений: 224
Откуда: Челябинск
Рейтинг сообщения: 0
Соник писал(а):
Собрать его правильно и из исправных деталей :)


Собирал по схеме...
И детали все новые...

Делал на плате:
http://radiokot.ru/forum/download/file.php?mode=view&id=77619


Вложения:
Комментарий к файлу: Мультивибратор
Мультивибратор.lay [21.17 KiB]
Скачиваний: 1666

_________________
Изображение
Вернуться наверх
 
Не в сети
 Заголовок сообщения: Re: Понимаем мультивибратор
СообщениеДобавлено: Вт сен 13, 2011 23:36:16 
Друг Кота
Аватар пользователя

Карма: 48
Рейтинг сообщений: 96
Зарегистрирован: Пн мар 22, 2010 11:01:14
Сообщений: 7460
Откуда: СССР, г. Москва.
Рейтинг сообщения: 0
Поменяй полярность конденсаторов - минусами на базы транзисторов.
И у тебя на одной базе транзистора висят сразу оба конденсатора. После разводки платы надо проверять :) Дальше сам.

_________________
Я рожден при социализме, и я этим горжусь!


Вернуться наверх
 
Не в сети
 Заголовок сообщения: Re: Понимаем мультивибратор
СообщениеДобавлено: Ср сен 14, 2011 19:28:03 
Прорезались зубы
Аватар пользователя

Зарегистрирован: Пт мар 19, 2010 16:52:19
Сообщений: 224
Откуда: Челябинск
Рейтинг сообщения: 0
Спасибо! )
Переделал! )))
Работает! )

Мультивибратор.lay


Вложения:
Мультивибратор.lay [20.9 KiB]
Скачиваний: 1368

_________________
Изображение
Вернуться наверх
 
Не в сети
 Заголовок сообщения: Re: Понимаем мультивибратор
СообщениеДобавлено: Сб окт 15, 2011 14:52:03 
Родился

Зарегистрирован: Сб окт 15, 2011 13:32:02
Сообщений: 5
Рейтинг сообщения: 0
Здравствуйте, коллеги!
Собрал мультивибратор по схеме, приведённой в статье "Понимаем мультивибратор" http://radiokot.ru/start/analog/practice/04/
Использовал те же элементы, так что всё заработало. Вдохновлённый успехом, решил её модифицировать. Ведь схема состоит из двух одинаковых блоков, по одному на каждый светодиод. Вот я и подумал, что, если добавлять такие блоки, то можно сделать СКОЛЬКИ_УГОДНО_ФАЗНЫЙ мультивибратор. Хотелось добиться результата, чтобы почерёдно мигало пять светодиодов (что-то типа "бегущего огня"). В общем, я правую часть схемы развернул и добавил ещё три блока.
Вложение:
Мультивибратор_5-1.JPG [41.43 KiB]
Скачиваний: 1117

Собирал поэтапно и проверял. С тремя блоками сначала не получилось, но после замены транзистора огоньки замигали. С четырьмя блоками светодиоды мигали попарно. С пятью блоками - просто горят. В общем, как я понял, схема с увеличением звеньев становится менее стабильной.
Посоветуйте, пожалуйста, в какую сторону копать? Хочется найти схему на 315-х транзисторах (простую, чтобы можно было понять, как она работает). Возможно ли это, чтоб она масштабировалась? То есть захотел вместо трёх - четыре светодиода, добавил ещё блок, и уже четыре поочерёдно мигают.


Вернуться наверх
 
Не в сети
 Заголовок сообщения: Re: Понимаем мультивибратор
СообщениеДобавлено: Сб окт 15, 2011 15:12:09 
Модератор
Аватар пользователя

Карма: 158
Рейтинг сообщений: 1600
Зарегистрирован: Пт апр 28, 2006 15:26:07
Сообщений: 11940
Откуда: Россия.
Рейтинг сообщения: 0
Медали: 2
Мявтор 3-й степени (1) Лучший человек Форума 2017 (1)
Так делаются многофазные мультивибраторы.
Ицхоки Я. С., Овчинников Н. И. Импульсные и цифровые устройства.
Стр 313
http://www.toroid.ru/book/ichokiJM.zip

Изображение


Вложения:
1.png [210.3 KiB]
Скачиваний: 1501
Вернуться наверх
 
Не в сети
 Заголовок сообщения: Re: Понимаем мультивибратор
СообщениеДобавлено: Вт окт 18, 2011 10:22:03 
Родился

Зарегистрирован: Сб окт 15, 2011 13:32:02
Сообщений: 5
Рейтинг сообщения: 0
aen, спасибо.
У меня родились вопросы.
1. Не понятен смысл резисторов Rb. Они просто соединены параллельно. То есть все эти резисторы можно заменить одним маленьким? Если предположить, что величина резистора Rk - 300 Ом, то для пятифазного мультивибратора величина общего резистора Rb = 1 / (1/300 + 1/300 + 1/300 + 1/300 + 1/300) = 60 Ом? То есть просто получается, что не сами эмиттеры идут на "минус", а соединяются с ним через резистор 60 Ом?
2. Как всё-таки оценить величину этого резистора Rb? Он равен, больше, меньше Rk?
3. В схеме есть ещё "подозрительный" резистор Rb1. Он в отличии от остальных Rbn соединяет не эмиттер с "минусом", а базу Т1 с "минусом". Видимо, у него несколько иное предназначение. Может это делитель напряжения для первой базы? Какова величина этого резистора? Для моей схемы могу предположить, что, если наша задача сразу открыть Т1, то на базе надо создать 0,6В. Если питание схемы 4,5В, верхний резистор R10 - 27 кОм, и на нём падение напряжения - (4,5 - 0,6) - 3,9В, значит величина нижнего R11 - 27000/3,9*0,6 = 4154 (4,1 кОм). Прав ли я в своих рассуждениях?
Вложение:
Мультивибратор_5-2.JPG [45.74 KiB]
Скачиваний: 777


Вернуться наверх
 
Не в сети
 Заголовок сообщения: Re: Понимаем мультивибратор
СообщениеДобавлено: Вт ноя 08, 2011 10:10:57 
Мучитель микросхем

Зарегистрирован: Пн июл 18, 2011 10:50:26
Сообщений: 409
Откуда: Москва
Рейтинг сообщения: 0
Медали: 1
Получил миской по аватаре (1)
Скажите плз, если у симметричной мультивибры отрезать одно плечо - она работать не будет, как я понимаю? Так?


Вложения:
mult_1plech.jpg [24.92 KiB]
Скачиваний: 657
Вернуться наверх
 
Не в сети
 Заголовок сообщения: Re: Понимаем мультивибратор
СообщениеДобавлено: Вт ноя 08, 2011 10:28:46 
Модератор
Аватар пользователя

Карма: 158
Рейтинг сообщений: 1600
Зарегистрирован: Пт апр 28, 2006 15:26:07
Сообщений: 11940
Откуда: Россия.
Рейтинг сообщения: 0
Медали: 2
Мявтор 3-й степени (1) Лучший человек Форума 2017 (1)
Здесь читай.
viewtopic.php?p=54186#p54186

aen писал(а):
Слева мультивибратор правильно нарисованный. Справа он же неправильно.
Но в картинке справа сразу видно, что мультивибратор, это просто двухкаскадный усилитель у которого есть связь с выхода на вход.
Все эти перестановки нужно делать в голове, а рисовать схемы конечно нужно по общепринятым правилам.

Изображение


Транзистор включен по схеме с общим эмиттером. Он крутит фазу входного сигнала. Что бы получить положительную обратную связь сигнал крутят еще одним каскадом и с выхода сигнал снова подают на вход. Т.о. получают положительную обратную связь.

Сигнал можно перевернуть трансформатором для получения положительной обратной связи. Тогда получим схему блокинг-генератора.

Изображение

Можно также перевернуть фазу RС цепочкой и получим RС генератор.

Изображение

Т.е. принцип всех генераторов один и тот же, это получить сигнал положительной обратной связи каким либо способом. В мультивибраторе его получают с помощью еще одного каскада с общим эмиттером, в блокинг-генераторе трансформатором, в RС генераторе фазу крутят RС цепочкой и т.д.
Т.е. принцип всех генераторов один и тот же, это получить сигнал положительной обратной связи каким либо способом. В мультивибраторе его получают с помощью еще одного каскада с общим эмиттером, в блокинг-генераторе трансформатором, в RС генераторе фазу крутят RС цепочкой и т.д.
Величина связи должна быть определенной, т.е. для работы генератора должны выполняться два условия.
1. Баланс фаз.
2. Баланс амплитуд.

Т.е. генератор это усилитель и сигнал с выхода на вход усилителя должен быть в определенной фазе и с достаточной амплитудой.


Вложения:
1.JPG [18.79 KiB]
Скачиваний: 16046
1.JPG [7.09 KiB]
Скачиваний: 15677
Вернуться наверх
 
Не в сети
 Заголовок сообщения: Re: Понимаем мультивибратор
СообщениеДобавлено: Вс ноя 13, 2011 23:51:14 
Родился

Зарегистрирован: Сб окт 15, 2011 13:32:02
Сообщений: 5
Рейтинг сообщения: 0
Алёша писал:
Цитата:
Он [транзистор] крутит фазу входного сигнала. Что бы получить положительную обратную связь сигнал крутят еще одним каскадом и с выхода сигнал снова подают на вход. Т.о. получают положительную обратную связь.

О! То есть количество звеньев (фаз) у мультивибратора всегда должно быть чётным, чтобы фаза последнего звена попадала в такт на первое звено.
Вот почему у меня пятифазный не запустился. Значит четырёх- и шести-фазные будут работать!


Вернуться наверх
 
Не в сети
 Заголовок сообщения: Re: Понимаем мультивибратор
СообщениеДобавлено: Вт ноя 22, 2011 10:22:23 
Родился

Зарегистрирован: Сб окт 15, 2011 13:32:02
Сообщений: 5
Рейтинг сообщения: 0
В статье в схеме со светодиодами используются электролитические конденсаторы. А важно ли соблюдать полярность при их подключении? Или им без разницы, так как ток всё равно туда-сюда гуляет?


Вернуться наверх
 
Не в сети
 Заголовок сообщения: Re: Понимаем мультивибратор
СообщениеДобавлено: Вт ноя 22, 2011 10:48:14 
Мучитель микросхем

Зарегистрирован: Пн июл 18, 2011 10:50:26
Сообщений: 409
Откуда: Москва
Рейтинг сообщения: 0
Медали: 1
Получил миской по аватаре (1)
Если электролит полярный - то полярность обязательно соблюдать. Есть вроде какие-то экзотические неполярные - там думаю не принципиально.


Вернуться наверх
 
Не в сети
 Заголовок сообщения: Re: Понимаем мультивибратор
СообщениеДобавлено: Вт ноя 22, 2011 11:33:31 
Модератор
Аватар пользователя

Карма: 162
Рейтинг сообщений: 2425
Зарегистрирован: Пн июл 07, 2008 10:46:09
Сообщений: 10735
Откуда: Россия
Рейтинг сообщения: 0
greenlook писал(а):
...так как ток всё равно туда-сюда гуляет?

Он "туда-сюда" не гуляет. Он только увеличивается или уменьшается, а течёт всё равно в одну сторону.

_________________
Если хотите, чтобы жизнь улыбалась вам, подарите ей своё хорошее настроение


Вернуться наверх
 
Не в сети
 Заголовок сообщения: Re: Понимаем мультивибратор
СообщениеДобавлено: Чт ноя 24, 2011 14:07:56 
Родился

Зарегистрирован: Сб окт 15, 2011 13:32:02
Сообщений: 5
Рейтинг сообщения: 0
Света писал(а):
Он "туда-сюда" не гуляет. Он только увеличивается или уменьшается...
То есть плюсом к коллектору одного транзистора, а минусом к базе другого?


Вернуться наверх
 
Показать сообщения за:  Сортировать по:  Вернуться наверх
Начать новую тему Ответить на тему  [ Сообщений: 438 ]     ... , , , 7, , , ...  

Часовой пояс: UTC + 3 часа


Кто сейчас на форуме

Сейчас этот форум просматривают: нет зарегистрированных пользователей и гости: 60


Вы не можете начинать темы
Вы не можете отвечать на сообщения
Вы не можете редактировать свои сообщения
Вы не можете удалять свои сообщения
Вы не можете добавлять вложения

Найти:
Перейти:  


Powered by phpBB © 2000, 2002, 2005, 2007 phpBB Group
Русская поддержка phpBB
Extended by Karma MOD © 2007—2012 m157y
Extended by Topic Tags MOD © 2012 m157y