Например TDA7294

Форум РадиоКот • Просмотр темы - Печатные платы выпрямителей, стабилизаторов и блоков питания
Форум РадиоКот
Здесь можно немножко помяукать :)

Текущее время: Чт янв 29, 2026 17:50:06

Часовой пояс: UTC + 3 часа


ПРЯМО СЕЙЧАС:



Начать новую тему Ответить на тему  [ Сообщений: 41 ]  1, ,  
Автор Сообщение
Не в сети
 Заголовок сообщения: Печатные платы выпрямителей, стабилизаторов и блоков питания
СообщениеДобавлено: Сб окт 31, 2015 21:24:33 
Поставщик валерьянки для Кота
Аватар пользователя

Карма: 61
Рейтинг сообщений: 952
Зарегистрирован: Чт июн 26, 2014 17:05:10
Сообщений: 1968
Откуда: -Моск-
Рейтинг сообщения: 4
Предлагаю выкладывать удачные варианты печатных плат для питающих устройств, проверенных в деле и удобных для повторения.

Двух полярный стабилизатор универсального назначения, собранный для использования с фоно корректором +/- 25 - 30 вольт.
Вид сверху
СпойлерИзображение

Вид снизу
СпойлерИзображение

Во вложении два варианта печатной платы стабилизатора, схема типовая для LM317T,LM337T.
Вложение:
Стабилизатор 2X30.lay [148.26 KiB]
Скачиваний: 4358


Вложения:
Стабилизатор низ.JPG [87.84 KiB]
Скачиваний: 18985
Стабилизатор верх.JPG [67.13 KiB]
Скачиваний: 18862
Вернуться наверх
 
Не в сети
 Заголовок сообщения: Re: Печатные платы выпрямителей, стабилизаторов и блоков пит
СообщениеДобавлено: Сб окт 31, 2015 21:29:27 
Друг Кота

Карма: 27
Рейтинг сообщений: 1283
Зарегистрирован: Ср фев 11, 2009 20:35:58
Сообщений: 7853
Рейтинг сообщения: 0
И зачем они без схемы ?


Вернуться наверх
 
Не в сети
 Заголовок сообщения: Re: Печатные платы выпрямителей, стабилизаторов и блоков пит
СообщениеДобавлено: Сб окт 31, 2015 22:58:09 
Поставщик валерьянки для Кота
Аватар пользователя

Карма: 61
Рейтинг сообщений: 952
Зарегистрирован: Чт июн 26, 2014 17:05:10
Сообщений: 1968
Откуда: -Моск-
Рейтинг сообщения: 0
Схема предложенного стабилизатора абсолютно общее место, голый datasheet на LM317T, LM337T.
На плате обозначены все позиции, при востребованной надобности, подрисую схемки.


Вернуться наверх
 
Не в сети
 Заголовок сообщения: Re: Печатные платы выпрямителей, стабилизаторов и блоков пит
СообщениеДобавлено: Вс ноя 01, 2015 06:06:21 
Друг Кота
Аватар пользователя

Карма: 146
Рейтинг сообщений: 6068
Зарегистрирован: Чт июн 04, 2009 21:06:49
Сообщений: 36293
Откуда: г.Мариинск
Рейтинг сообщения: 0
Медали: 1
Лучший человек Форума 2017 (1)
Для таких схем каждый составит собственную печатку . Более сложные схемы обычно разрабатываются под конкретные детали которые есть в данный момент, да и под конкретное место в корпусе, под те радиаторы что есть у конструктора. Так что чужая печатка без переделки вряд ли пригодится кому то другому. Если только для примера что бы потом переделать для своих нужд, но тогда они должны быть с схемами и в общеизвестном формате lay. От фото пользы нет не какой, только лишний трафик. я даже свои печатки редко сохраняю кроме изделий так сказать массового производства.

_________________
Тем кого не устаревает наличия ошибок в моем тексте, оставляю права не пользоваться моими советами или просто не читать мои сообщения.


Вернуться наверх
 
Эиком - электронные компоненты и радиодетали
Не в сети
 Заголовок сообщения: Re: Печатные платы выпрямителей, стабилизаторов и блоков пит
СообщениеДобавлено: Вс ноя 01, 2015 08:34:23 
Друг Кота
Аватар пользователя

Карма: 54
Рейтинг сообщений: 857
Зарегистрирован: Чт окт 14, 2010 19:43:23
Сообщений: 4469
Откуда: Родом из СССР
Рейтинг сообщения: 0
И под конкретные корпуса. Может кому-то лучше вытянуть печатку в длину, а кому-то в ширину.

_________________
Не мешайте мешать!
С." Ну почему Господь так долго не протянет нам руку помощи? И самое страшное: может быть он протягивает, но мы всё дольше и дольше этого не замечаем?"


Вернуться наверх
 
Не в сети
 Заголовок сообщения: Re: Печатные платы выпрямителей, стабилизаторов и блоков пит
СообщениеДобавлено: Вс ноя 01, 2015 08:39:47 
Друг Кота
Аватар пользователя

Карма: 146
Рейтинг сообщений: 6068
Зарегистрирован: Чт июн 04, 2009 21:06:49
Сообщений: 36293
Откуда: г.Мариинск
Рейтинг сообщения: 0
Медали: 1
Лучший человек Форума 2017 (1)
Кому то удобно расположить в угу рядом с круглым трансформатором.

_________________
Тем кого не устаревает наличия ошибок в моем тексте, оставляю права не пользоваться моими советами или просто не читать мои сообщения.


Вернуться наверх
 
Не в сети
 Заголовок сообщения: Re: Печатные платы выпрямителей, стабилизаторов и блоков пит
СообщениеДобавлено: Вс ноя 01, 2015 09:58:41 
Поставщик валерьянки для Кота
Аватар пользователя

Карма: 61
Рейтинг сообщений: 952
Зарегистрирован: Чт июн 26, 2014 17:05:10
Сообщений: 1968
Откуда: -Моск-
Рейтинг сообщения: 2
Уважаемый Телекот, в моём сообщении есть вложение с печатной платой в формате Sprint Layout 5.0
Низкопрофильный вариант стабилизатора я использовал с тороидальным трансформатором, для размещения в корпусе внешнего жёсткого диска (при сборке фоно корректора).
Такие наработки удобно присоединять в другие проекты, внося коррективы под конкретные нужды.
Для чего собственно и затеял, буду подкладывать ещё.


Вернуться наверх
 
Не в сети
 Заголовок сообщения: Re: Печатные платы выпрямителей, стабилизаторов и блоков пит
СообщениеДобавлено: Вс ноя 01, 2015 10:03:10 
Модератор
Аватар пользователя

Карма: 120
Рейтинг сообщений: 1088
Зарегистрирован: Пн дек 08, 2008 19:28:04
Сообщений: 22874
Откуда: 10км от Москвы на Север
Рейтинг сообщения: 3
Если уж выкладывать печатки, то обязательно со схемами, ибо схемы разные бывают ... :)


Вернуться наверх
 
Не в сети
 Заголовок сообщения: Re: Печатные платы выпрямителей, стабилизаторов и блоков пит
СообщениеДобавлено: Вт ноя 03, 2015 00:48:13 
Поставщик валерьянки для Кота
Аватар пользователя

Карма: 61
Рейтинг сообщений: 952
Зарегистрирован: Чт июн 26, 2014 17:05:10
Сообщений: 1968
Откуда: -Моск-
Рейтинг сообщения: 2
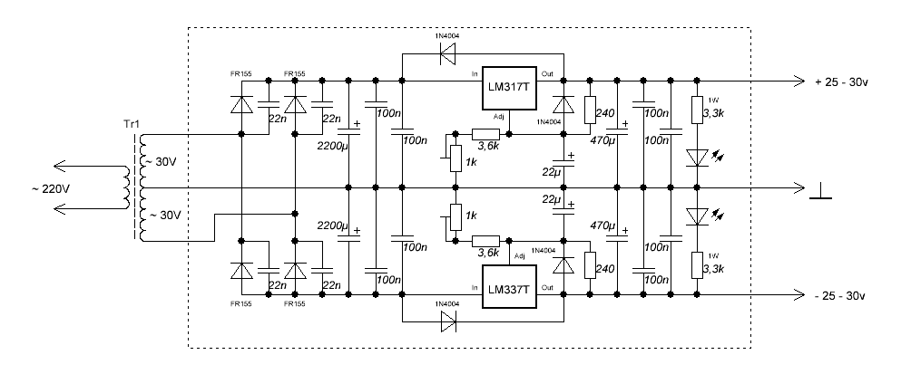
Я подрисовал схему для стабилизатора из первого сообщения.
СпойлерИзображение

Ещё одна версия платы стабилизатора, выпрямительный мост GBU, выходное напряжение +/- 12 - 15 вольт.
Вложение:
Стабилизатор.lay [63.22 KiB]
Скачиваний: 3132


Вложения:
Схема стабилизатора.GIF [12.9 KiB]
Скачиваний: 18891
Вернуться наверх
 
Не в сети
 Заголовок сообщения: Re: Печатные платы выпрямителей, стабилизаторов и блоков пит
СообщениеДобавлено: Ср ноя 04, 2015 23:02:21 
Поставщик валерьянки для Кота
Аватар пользователя

Карма: 61
Рейтинг сообщений: 952
Зарегистрирован: Чт июн 26, 2014 17:05:10
Сообщений: 1968
Откуда: -Моск-
Рейтинг сообщения: 2
Простой двух полярный стабилизатор с фиксированным напряжением, схема.
СпойлерИзображение

Внешний вид.
СпойлерИзображениеИзображение

Печатная плата во вложении.
Вложение:
7815-7915.lay [31.06 KiB]
Скачиваний: 2410


Вложения:
Стабилизатор низ.JPG [78.64 KiB]
Скачиваний: 13989
Стабилизатор верх.JPG [75.77 KiB]
Скачиваний: 14718
Двух полярный стабилизатор.GIF [5.63 KiB]
Скачиваний: 16257
Вернуться наверх
 
Не в сети
 Заголовок сообщения: Re: Печатные платы выпрямителей, стабилизаторов и блоков пит
СообщениеДобавлено: Вс ноя 08, 2015 18:06:10 
Поставщик валерьянки для Кота
Аватар пользователя

Карма: 61
Рейтинг сообщений: 952
Зарегистрирован: Чт июн 26, 2014 17:05:10
Сообщений: 1968
Откуда: -Моск-
Рейтинг сообщения: 4
Стабилизатор с плавным нарастанием напряжения после включения, схема.
СпойлерИзображение

Пример использования упомянутой схемы (выделено рамочкой), в составе устройства .
СпойлерИзображениеИзображение

При указанных в схеме номиналах, выходное напряжение достигает 10 вольт в течении примерно 4 - 5 секунд после включения.
(Используется для плавного нарастания яркости подсветки и задержки включения индикатора).
Печатная плата во вложении.
Вложение:


Вложения:
Фрагмент вид снизу.JPG [81.98 KiB]
Скачиваний: 12922
Фрагмент вид сверху.JPG [87.72 KiB]
Скачиваний: 13200
Стабилизатор с плавным нарастанием напряжения.GIF [6.63 KiB]
Скачиваний: 13908
Вернуться наверх
 
Не в сети
 Заголовок сообщения: Re: Печатные платы выпрямителей, стабилизаторов и блоков пит
СообщениеДобавлено: Вс ноя 22, 2015 23:29:26 
Поставщик валерьянки для Кота
Аватар пользователя

Карма: 61
Рейтинг сообщений: 952
Зарегистрирован: Чт июн 26, 2014 17:05:10
Сообщений: 1968
Откуда: -Моск-
Рейтинг сообщения: 2
Компактный стабилизатор на LM317T, схема.
СпойлерИзображение

Внешний вид.
СпойлерИзображениеИзображение

При указанных в схеме номиналах, выходное напряжение 20 вольт (питание фоно корректора, конструкция располагается во внешнем источнике питания).
Печатная плата во вложении.
Вложение:
Стабилизатор LM317.lay [26.9 KiB]
Скачиваний: 2027

Заменой резистора (установленного между выводом Adj микросхемы и землёй) можно получить любое желаемое напряжение (в пределах допустимого для LM317T).


Вложения:
Стабилизатор LM317T низ.JPG [85.78 KiB]
Скачиваний: 13253
Стабилизатор LM317T верх.JPG [80.1 KiB]
Скачиваний: 13135
Стабилизатор на LM317T.GIF [5.11 KiB]
Скачиваний: 13218
Вернуться наверх
 
Не в сети
 Заголовок сообщения: Re: Печатные платы выпрямителей, стабилизаторов и блоков пит
СообщениеДобавлено: Чт ноя 26, 2015 19:46:20 
Встал на лапы
Аватар пользователя

Карма: 23
Рейтинг сообщений: 32
Зарегистрирован: Чт ноя 26, 2015 17:52:50
Сообщений: 140
Рейтинг сообщения: 4
А вот мой вариант.
Питание двухполярное на 15В, но вы можете его регулировать от 5 до 24В, простой заменой стабилизаторов.
Изображение
Изображение
Изображение
Изображение
Изображение
Изображение
Изображение

Печатную плату не могу добавить, не выходит. :(

_________________
Корпорация MARS


Вернуться наверх
 
Не в сети
 Заголовок сообщения: Re: Печатные платы выпрямителей, стабилизаторов и блоков пит
СообщениеДобавлено: Пт ноя 27, 2015 18:03:21 
Поставщик валерьянки для Кота
Аватар пользователя

Карма: 61
Рейтинг сообщений: 952
Зарегистрирован: Чт июн 26, 2014 17:05:10
Сообщений: 1968
Откуда: -Моск-
Рейтинг сообщения: 0
Симпатичный и опрятный проект.
Файл печатной платы можно положить в архив формата zip (не все типы файлов допустимы для публикации на сайте).


Вернуться наверх
 
Не в сети
 Заголовок сообщения: Re: Печатные платы выпрямителей, стабилизаторов и блоков пит
СообщениеДобавлено: Ср дек 30, 2015 11:13:00 
Поставщик валерьянки для Кота
Аватар пользователя

Карма: 61
Рейтинг сообщений: 952
Зарегистрирован: Чт июн 26, 2014 17:05:10
Сообщений: 1968
Откуда: -Моск-
Рейтинг сообщения: 5
Стабилизированный блок питания с регулируемым напряжением 2,5 - 30 вольт. Изрядной мощности, на полевом транзисторе, схема.
Изображение
Внешний вид.
ИзображениеИзображение
Печатная плата во вложении.
Вложение:
Стабилизатор на IFRZ46N.lay [62.19 KiB]
Скачиваний: 2272

Блок питания используется совместно с усилителем А класса Джона Линсли-Худа, ток покоя 2А (каждого канала).
С некоторой осмотрительностью (нет защиты), можно употребить как лабораторный БП.
При надлежащем охлаждении сборок моста и транзистора, может раздать приличный ток. Предусмотрена возможность установки теплоотвода, между рядами U20C20C (с изолирующими прокладками).
IFRZ46N, TL431 и диодные сборки, извлечены из потраченного компьютерного оборудования.


Вернуться наверх
 
Не в сети
 Заголовок сообщения: Re: Печатные платы выпрямителей, стабилизаторов и блоков пит
СообщениеДобавлено: Вс мар 27, 2016 18:25:35 
Встал на лапы
Аватар пользователя

Карма: 23
Рейтинг сообщений: 32
Зарегистрирован: Чт ноя 26, 2015 17:52:50
Сообщений: 140
Рейтинг сообщения: 2
Добрый вечер.
Вроде получилось добавить печатку к моему проекту БП.
http://img.radiokot.ru/files/110806/x76e5ltom.jpg


Вложения:
Комментарий к файлу: Печатная плата в "народном" формате Lay6
Блок питания.rar [24.33 KiB]
Скачиваний: 1410

_________________
Корпорация MARS
Вернуться наверх
 
Не в сети
 Заголовок сообщения: Re: Печатные платы выпрямителей, стабилизаторов и блоков пит
СообщениеДобавлено: Ср май 18, 2016 21:20:23 
Поставщик валерьянки для Кота
Аватар пользователя

Карма: 61
Рейтинг сообщений: 952
Зарегистрирован: Чт июн 26, 2014 17:05:10
Сообщений: 1968
Откуда: -Моск-
Рейтинг сообщения: 5
Компактный, маломощный двух полярный стабилизатор, схема.
Изображение
Используется для питания индикатора уровня сигнала, внешний вид.
Изображение Изображение
(Плата дополнена одно полярным стабилизатором на 12 вольт, для питания подсветки шкал индикаторов).
Печатная плата во вложении.
Вложение:
Маломощный стабилизатор.lay [73.4 KiB]
Скачиваний: 1404


Вернуться наверх
 
Не в сети
 Заголовок сообщения: Re: Печатные платы выпрямителей, стабилизаторов и блоков пит
СообщениеДобавлено: Вт ноя 22, 2016 23:51:19 
Поставщик валерьянки для Кота
Аватар пользователя

Карма: 61
Рейтинг сообщений: 952
Зарегистрирован: Чт июн 26, 2014 17:05:10
Сообщений: 1968
Откуда: -Моск-
Рейтинг сообщения: 4
Регулируемый блок питания на микросхеме импульсного регулятора напряжения LM2576T-ADJ (Step-Down Switching Regulator).
Схема.
Изображение
Входное напряжение, либо постоянное до 40 вольт, либо переменное до 25 вольт (на фильтрующем конденсаторе не должно выделятся более 40 вольт).
Выходное напряжение от 1,5 до 35 вольт, ток до 3 ампер.
Изображение Изображение
Дроссель намотан на кольце салатового цвета, диаметром 20мм., толщиной 8мм. 50 - 60 витков медного, эмалированного провода, диаметром 0,7 - 0,8мм.
В выходном LC фильтре использован дроссель от компьютерного БП.
На микросхему необходимо установить радиатор. Блок питания греется умеренно, даже при значительном токе.
Однако при длительной работе с нагрузкой, потребляющей ток свыше 1,5 - 2 ампера, требуется установить радиатор на диодный мост.
Печатная плата во вложении.
Вложение:
Блок питания на LM2576T.lay [36.16 KiB]
Скачиваний: 1332


Вернуться наверх
 
Не в сети
 Заголовок сообщения: Re: Печатные платы выпрямителей, стабилизаторов и блоков пит
СообщениеДобавлено: Ср ноя 23, 2016 00:09:52 
Друг Кота
Аватар пользователя

Карма: 146
Рейтинг сообщений: 6068
Зарегистрирован: Чт июн 04, 2009 21:06:49
Сообщений: 36293
Откуда: г.Мариинск
Рейтинг сообщения: 1
Медали: 1
Лучший человек Форума 2017 (1)
Печатная плата и схема правда с более рациональном расположением деталей есть в дотащите на эту микросхему.
Изображение

_________________
Тем кого не устаревает наличия ошибок в моем тексте, оставляю права не пользоваться моими советами или просто не читать мои сообщения.


Вернуться наверх
 
Не в сети
 Заголовок сообщения: Re: Печатные платы выпрямителей, стабилизаторов и блоков пит
СообщениеДобавлено: Ср ноя 23, 2016 00:26:52 
Поставщик валерьянки для Кота
Аватар пользователя

Карма: 61
Рейтинг сообщений: 952
Зарегистрирован: Чт июн 26, 2014 17:05:10
Сообщений: 1968
Откуда: -Моск-
Рейтинг сообщения: 0
Моя платка сделана с оглядкой на DataSheet, но при сопоставимой площади имеет выпрямительный мост, выходной фильтр, и посадочные места под крупные конденсаторы.
Являет собой практически готовый источник питания, проверенный в деле, с длительными прогонами под хорошей нагрузкой.
В DataSheet на LM2596, эскиз печатной платки на моё разумение, сделан изящнее.


Вернуться наверх
 
Показать сообщения за:  Сортировать по:  Вернуться наверх
Начать новую тему Ответить на тему  [ Сообщений: 41 ]  1, ,  

Часовой пояс: UTC + 3 часа


Кто сейчас на форуме

Сейчас этот форум просматривают: Dedz65 и гости: 44


Вы не можете начинать темы
Вы не можете отвечать на сообщения
Вы не можете редактировать свои сообщения
Вы не можете удалять свои сообщения
Вы не можете добавлять вложения

Найти:
Перейти:  


Powered by phpBB © 2000, 2002, 2005, 2007 phpBB Group
Русская поддержка phpBB
Extended by Karma MOD © 2007—2012 m157y
Extended by Topic Tags MOD © 2012 m157y