Например TDA7294

Форум РадиоКот • Просмотр темы - Радиостанции со случайными кварцами
Форум РадиоКот
Здесь можно немножко помяукать :)

Текущее время: Чт янв 15, 2026 10:06:45

Часовой пояс: UTC + 3 часа


ПРЯМО СЕЙЧАС:



Начать новую тему Ответить на тему  [ Сообщений: 28 ]  1,  
Автор Сообщение
Не в сети
 Заголовок сообщения: Радиостанции со случайными кварцами
СообщениеДобавлено: Ср янв 20, 2016 14:56:56 
Держит паяльник хвостом
Аватар пользователя

Карма: 42
Рейтинг сообщений: 393
Зарегистрирован: Ср июн 27, 2007 17:09:12
Сообщений: 970
Рейтинг сообщения: 0
MASIK писал(а):
Приемник на дискретных элементах или микросхемы (самая распространенная и доступная база, всё что можно извлечь с б/у аппаратуры) но без применения микросборок типа MRX49A и им подобным.
Мне нравится решать подобные проблемы, поэтому я стал решать её.
Первое, что попробовал, это приемник по стандартной схеме УКВ ЧМ приемника с WFM с керамическим фильтром в УПЧ на 6,5 МГц в качестве ФОС. Такие фильтры в телевизорах стоят. Хотя конечно можно было применить и фильтр на частоту 10,7 МГц.
При этом в виду того, что кварцев с разносом у нас нет, то задающий генератор в передатчике сделал по интерполяционной схеме.
Немного про это здесь написал, подробнее потом, если руки дойдут.
У второго приемника УПЧ сделан на LC фильтрах. Что бы получить приемлемую добротность, а значит и приемлемую избирательность по соседнему каналу и нужную полосу пропускания, катушки пришлось мотать на каркасах диаметром 8 мм. На более мелких каркасах приемлемых параметров приемника добиться не удалось. В передатчике стоит кварц 20 МГц, затем идет утроение.
В гетеродине приемника стоит кварц 18,432 МГц возбуждаемый на третьей гармонике. В итоге промежуточная частота получилась порядка 4, 5 МГц.
Если в первом приемнике в УПЧ стоит К174УР3, то этот приемник решил попробовать с низкой ПЧ, поэтому сделал его с двойным преобразованием со второй промежуточной частотой порядка 150 кГц.
Хотя конечно в нем тоже можно просто поставить К174УР3 и сделать с одним преобразованием, если конечно есть в наличии эта микросхема.
Про этот приемник тоже потом. С начала про приемник с АМ с применением кварцевых фильтров. В приемнике практически нет катушек, которые нужно настраивать, точнее есть одна на входе приемника, но настраивают её просто на максимум при приеме, что делается элементарно.
Приемник с АМ, т.к. полоса пропускания у него получилась порядка 4 кГц и сделать ЧМ при такой полосе пропускания приемника оказалось затруднительно, да и параметры подобного приемника даже уступали приемнику с АМ, поэтому я ЧМ отверг в данном случае.
У меня оказалось в наличии кварц на 20 МГц, на 27 МГц, четыре кварца на 7 МГц и кварц на 7,156 МГц. Т.о. можно сделать приемник на 27 МГц с кварцевым фильтром на 7 МГц.
В окончательном варианте сделал с двойным преобразование со второй промежуточной частотой равной 7,156 – 7 = 156 кГц, т.к. оказалось, что приемник по подобной схеме настроить легче, т.к. он оказался более стабилен в работе.
Дело в том, что общее усиление по ПЧ желательно получить порядка 5000 и сделать подобный усилитель на частоте 7 МГц довольно трудно, а при двойном преобразовании можно усиление разделить, т.е. сделать усиление по первой ПЧ порядка 25 – 50 и по второй порядка 100 – 200, что намного проще, да и приемник работает стабильнее, тем более, что фильтром во второй ПЧ является контур составленный из готового дросселя индуктивностью 50 – 200 мкгн и подобранного конденсатора, что бы получить резонансную частоту этого контура порядка 150 кГц. Например с дросселем 50 мкгн этот конденсатор получается 22 нанофарады. Особой точности не требуется, т.к. полоса пропускания у этого каскада получается намного больше, чем полоса кварцевых фильтров.
Первый приемник на трехзвенном кварцевом фильтре. Хотел четырехзвенный, но в этом случае оказалось, что кварцы нужно подбирать, а у меня такой возможности не было, поэтому сделал трехкристальный. Первый УПЧ имеет усиление порядка 25, а второй порядка 200.
В общем все работает, но мне не понравилось, что нужен подбор кварцев, да и в первом УПЧ пришлось ставить катушку, хотя настройка её элементарная и её даже в экран можно не ставить, поэтому во втором подобном приемнике пошел дальше и в первой ПЧ поставил два двухзвеннных кварцевых фильтра. При этом я их даже не настраивал. Просто запаял имеющиеся у меня четыре кварца на 7 МГц и все.
Правда все кварцы из одной партии, т.к. покупал их сразу несколько штук.

Схема получилась на первый взгляд сложна, но на самом деле она элементарная.

Изображение

VT1 это УВЧ. На входе имеет смысл поставить контур на 27 МГц, но тогда придется контура экранировать, а т.к. этого делать не хотелось, то я смирился с некоторым ухудшением параметров приемника и контур на входе ставить не стал. Вместо транзистора КТ349 можно поставить даже КТ361 или КТ315 переделав немного схему. Я поставил транзистор p-n-p просто из за того, что было просто удобнее паять на макетке, когда проверял схему.
VT2 первый смеситель, а VT7 первый гетеродин на частоту 20 МГц. Подстроечным конденсатором С17 настраиваемся на частоту передатчика. У меня получилось так, что параллельно С21 пришлось припаять еще конденсатор 47 пф (про настройку потом).
Это все, если частоту гетеродина нужно немного увеличить при точной настройке. Если частоту нужно уменьшать, то вместо подстроечного конденсатора нужно поставить катушку, как это написано в этой же теме выше, а лучше просто здесь подстроечник совсем не ставить, т.е. его закоротить а частоту подстроить подобным подстроечником в передатчике.
Дальше идет двухкристальный КФ и первый каскад УПЧ1. Он сделан на транзисторах VT2, VT3. Возможно хватило бы одного транзистора, т.к. усиление данного каскада пришлось ограничивать. Усиление его зависит от конденсатора С21. Максимум усиления будет при конденсаторе порядка 10 н, но при этом перегружается второй смеситель , поэтому усиление ограничил.
После идет еще один двухкристальный фильтр и усилитель. Второй усилитель на VT5 нагружен на трансформатор намотанный на ферритовом кольце. Первая обмотка имеет 10 витков, вторая пять витков. Ставить трансформатор на кольце пришлось из за того, что бы закоротить второй смеситель для частоты второй промежуточной частоты 150 кГц. Иначе приемник начинал ловить промышленные помехи, которых много на частотах в сотни килогерц, а так у нас второй смеситель по сути закорочен для этих частот по входу. Там даже электролит С22 стоит.
Дальше идет второй смеситель на VT6 и второй гетеродин на VT8. Частота гетеродина определяется кварцем 7,156 МГц, а значит вторая промежуточная частота получается 156 кГц. Гетеродин можно сделать и на кварце ниже 7 МГц. Вторую промежуточную частоту можно сделать в пределах 100 – 200 кГц. При этом нужно только пересчитать номинал конденсатора С31, что бы собственная частота контура составленного из дросселя Др.1 и этого конденсатора была примерно равна второй промежуточной частоте. Особой точности не нужно, т.к. нагруженная добротность данного контура довольно низкая.
В общем после второго смесителя идет двухкаскадный УПЧ2. Его усиление порядка 150 - 200.
Первый каскад на транзисторе VT9 сделал с такой нагрузкой в виду того, что в подобном каскаде наиболее просто осуществить АРУ.
Дальше идет обычный детектор. Если поставить диоды германиевые, например Д9, то VD3 нужно закоротить, а резистор R21 убрать.
В качестве диода VD3 нужно поставить кремниевый диод с напряжением отсечки порядка 0,7V
У КД522 оно 0,4V. Можно например КД503 или Д220. Я поставил стабилитрон в прямом направлении. Стабилитрон любой односторонний.
VT 11 это усилитель АРУ. С его выхода сигнал идет на смещение каскада на транзисторе VT9. Видим, что при увеличении сигнала на выходе детектора, VT11 открывается, коллекторный ток транзистора VT9 уменьшается, а значит и усиление второго УПЧ уменьшается.

Дальше идет самая основная часть приемника предназначенного для радиоуправления.
На выходе детектора получаем такой сигнал. Теперь из него нужно получить импульсы, что подаем на МК или логику и при этом отстроится от шумов, что в любом случае присутствуют на выходе детектора.
Эту задачу усложняет то, что в тракте нежелательно ставить развязывающие конденсаторы, т.е. схема должна быть «прозрачной» для постоянного напряжения.
Имеется в виду, что подаем в передатчике на вход «единицу» на выходе приемника тоже будет единица. Подаем «ноль», на выходе преемника тоже будет ноль.
Если в тракте модулятора передатчика или после детектора в приемнике поставить развязывающие конденсаторы, то это может привести к ошибкам при передаче пачек импульсов. Здесь выше про это писал.
Остается только один способ, это сделать сдвиг уровня этого сигнала, усилить раза в 2 – 3, что бы иметь возможность подать все это на пороговый элемент.
Всех проще это можно сделать с помощью ОУ, что обычно и делают. Схему можно посмотреть открыв даташит на продаваемые RF модули. Можно например на ОУ LM358. Одним ОУ сдвигаем уровень и усиливаем, а на втором делаем компаратор.
Так обычно делают в покупных RХ модулях.

Изображение

Вот я её на RX модуле наблюдаю. :)
СпойлерИзображение


Это по моему самый хороший вариант, т.к. он ко всему прочему следит за уровнем нуля на выходе детектора.

Я же решил сделать это на транзисторах. Всего легче оказалось это сделать применив полевой транзистор с небольшим напряжением отсечки. После этого сигнал поступает на триггер Шмидта на VT12, VT13 и формирователь импульсов на VT14.

Дальше настройка(это потом, как фото сигналов в контрольных точках приемника сделаю)


Вложения:
2.PNG [518.02 KiB]
Скачиваний: 6081
2.PNG [24.81 KiB]
Скачиваний: 14420
7.GIF [35.56 KiB]
Скачиваний: 16369
Вернуться наверх
 
Не в сети
 Заголовок сообщения: Re: Радиостанции на основе микросхем TDA7021 и TDA7000
СообщениеДобавлено: Ср янв 20, 2016 15:34:28 
Поставщик валерьянки для Кота
Аватар пользователя

Карма: 81
Рейтинг сообщений: 444
Зарегистрирован: Чт дек 27, 2012 20:46:09
Сообщений: 2029
Откуда: Болгария, г. Лом
Рейтинг сообщения: 0
del

_________________
Лом - ето город в Болгарии, а не инструмент юстировки електроники.


Вернуться наверх
 
Не в сети
 Заголовок сообщения: Re: Радиостанции на основе микросхем TDA7021 и TDA7000
СообщениеДобавлено: Ср янв 20, 2016 15:49:46 
Держит паяльник хвостом
Аватар пользователя

Карма: 42
Рейтинг сообщений: 393
Зарегистрирован: Ср июн 27, 2007 17:09:12
Сообщений: 970
Рейтинг сообщения: 0
Да.
Это я когда рисовал, ошибся.
Исправил схему.
Конечно триггер Шмидта на транзисторах p-n-p.
Полевым транзистором я там сдвигаю сигнал выше к плюсу питания и поэтому триггер Шмидта удобнее делать именно такой, перевернутый.

После детектора получил такое и этот сигнал неудобно подавать на триггер Шмидта.
Уровни не те.

Изображение

Хотя если его делать на германиевых транзисторах или на LM358 то можно.
Но я полевым транзистором сдвинул сигнал вверх, немного усилил и получил такое.
Главное здорово не усиливать, что бы шумы потом можно было триггером Шмидта отсечь. Что бы уровень шумов был меньше гистерезиса триггера.

Изображение

Т.е. сигнал стал прижат вверху к напряжению питания.
Этот сигнал для перевернутого триггера Шмидта на p-n-p транзисторах выглядит уже нормально.

Изображение

В данном случае напряжение питания+5 вольт для триггера на p-n-p транзисторах стало как бы общим проводом.


Вложения:
6.GIF [2.92 KiB]
Скачиваний: 14390
5.GIF [1.84 KiB]
Скачиваний: 13915
4.GIF [3.56 KiB]
Скачиваний: 14176
Вернуться наверх
 
Не в сети
 Заголовок сообщения: Re: Оффтоп
СообщениеДобавлено: Ср янв 20, 2016 17:35:34 
Держит паяльник хвостом
Аватар пользователя

Карма: 42
Рейтинг сообщений: 393
Зарегистрирован: Ср июн 27, 2007 17:09:12
Сообщений: 970
Рейтинг сообщения: 0
Настройка довольно простая.
Сначала делаем передатчик с АМ в усеченном виде. Кварц здесь на 27 МГц основной гармоники. Если кварц гармониковый, то задающий генератор придется делать например по схеме Пирса или Колпитца и возбуждать его на третьей гармонике. Как это делается писал выше.
В передатчике не хватает выходного каскада и транзисторного ключа. Выходной каскад можно по обычной схеме , что нарисован справа, но для настройки он не нужен.
Питание в окончательном варианте поднять вольт до девяти.

Изображение

Модуляция в данном случае происходит импульсами в сотни герц от генератора на логике. Это только для настройки.
В принципе можно и не на логике. Можно просто мультивибратор сделать на двух транзисторах.
Сначала настраиваем приемник на частоту передатчика. В общем принцип выше уже описал.
На передатчик ставим антенны длиной порядка 10 см. Кварц на 7,156 МГц в приемнике замыкаем.
Конденсатор С21 отпаиваем.
Осциллограф подключаем к коллектору VT5, т.е. на выход первого УПЧ.
Передатчик относим от приемника так, что бы амплитуда сигнала была порядка 10 мв.
Крутим подстроечный конденсатор и добиваемся примерно такой картинки.

Изображение

В данном случае мы частоту гетеродина можем только увеличивать. Есди нё нужно уменьшать, то вместо подстроечника нужно поставить катушку, как это написано в этой же теме под заголовком «Часть 3»
viewtopic.php?p=2588064#p2588064
Или этот подстроечный конденсатор поставить последовательно с кварцем в передатчике и крутить уже там.
А это пример, когда настройка неправильная, т.е. частоты немного не совпадают.
Обращать внимание нужно на вид картинки между импульсами.

Изображение

Теперь крутим сердечник катушки L1 и настраиваем её по максимуму. Больше никаких настроек катушек в приемнике нет.
Подбираем конденсатор С21. Чем больше этот конденсатор, тем больше усиление, но при слишком большом усилении возможно самовозбуждение. На осциллографе увидим синусоиду 7 МГц даже при выключенном передатчике и амплитуда её будет довольно большая. Слишком большое усиление от первого УПЧ выжимать не имеет смысла, т.к. может получится только хуже. Нужно подобрать такой конденсатор, что бы вид картинки не изменился, а общее усиление первого УПЧ было порядка 50. Я подобрал такой, что амплитуда у меня увеличилась где то в два раза.
При слишком большом усилении картинка может испортиться и станет похожей, как и при неточной настройке.
Вот я попробовал сделать усиление больше для пробы.

Изображение

В общем такого допускать не нужно.
Дальше убираем перемычку с кварца 7,156 МГц во втором смесителе.
Резистор R19 лучше отключить от коллектора VT11, т.е. оторвать АРУ, а на резистор подать напряжение порядка 1,5 – 2 вольта. Можно с делителя на резисторах, а можно АРУ и не отключать, но все таки она немного мешает при настройке.
Осциллограф подключаем к коллектору VT9, т.е. на выход первого каскада второго УПЧ. Там еще дроссель стоит.
Видим картинку, что видели уже раньше, но размах здесь уже больше и частота уже не 7 МГц, а 156 кгц.

Изображение

Правда просматриваются уже и шумы.
При этих манипуляциях нужно отодвигать передатчик так, что бы не возникало ограничения сигнала, а то картинка будет недостоверной. Точнее, чем меньшей амплитуды добьемся, тем картинка достовернее. У меня тут амплитуда где то порядка 30 мв.
Теперь можно посмотреть на выходе второго УПЧ, т.е. на коллекторе VТ10.
У меня так.

Изображение

Здесь одна клеточка равна 0,5 вольт.
Это на выходе детектора или на затворе полевого транзистора.
Здесь одна клеточка равна 0,2 вольта.

Изображение

Это делается с помощью отдаления иди приближения передатчика. Если слишком близко сделать, то будет или ограничение или перегрузка смесителей и картинка смажется, поэтому сильно передатчик приближать не нужно. Нам нужно увидеть только картинку, что бы удостовериться, что все работает.
Проверяем АРУ. При выключенном передатчике напряжение на коллекторе усилителя АРУ, т.е. на VT11 равно почти напряжению питания. При включенном передатчике, если поднести его ближе это напряжение падает почти до нуля.

Теперь самое главное.
Как из этих импульсов, что у нас получились на выходе детектора.

Изображение

Получить такие и при этом избавиться от помех, которые возникают из за шумов.

Изображение

Понятно, что нужно поставить триггер Шмидта с гистерезисом больше уровня шумов.
Забегу вперед. Я делал гистерезис порядка 0,5 вольта.
Первый способ получить импульсы, что нам нужны, это сделать так, как это делают в покупных R{ модулях, т.е. на ОУ. Схему выкладывал выше.
Если триггер Шмидта делать на транзисторах, то как писал выше, нам нужно усилить этот сигнал раза в два и сдвинуть его вверх к питанию иди вниз к земле, т.к. триггер Шмидта на кремниевых транзисторах не работает с сигналами в десятые доли вольта.
Как писал выше, я усилил и сдвинул вверх с помощью полевого транзистора с напряжением отсечки 2 вольта. Чем меньше напряжение отсечки у полевого транзистора, тем лучше. Можно взять кроме моего еще КП303А, КП303Б. В общем в справочнике посмотреть. С буквой «И» мне просто под руку попался.
Делается это с помощью подстроечного резистора R24. Потом этот резистор в принципе можно заменить на постоянный.
Вот я усилил и сдвинул вверх.

Изображение

Триггер Шмидта на транзисторах p-n-p эту картинку так видит.

Изображение

Т.е. получается, что нужен триггер с порогом срабатывания 2 вольта.
Порог подбирается резистором R25.
После триггера Шмидта стоит формирователь на транзисторе VT14. Это просто обычный ключ.
Если нужно сменить полярность импульсов. то этот формирователь подключают к коллектору VT12.
В принципе вся настройка.
Это импульсы на выходе.

Изображение

Вероятно, если сделать настройку кварцевых фильтров, то параметры бы улучшились, но в данном случае была задача сделать и проверить работу с фильтрами со случайными кварцами, т.е. без предварительного их подбора.



А здесь приемники с катушками, только там цепи согласования с МК не дорисованы.


Вложения:
11.PNG [93.54 KiB]
Скачиваний: 14380
9.PNG [47.99 KiB]
Скачиваний: 13657
8.PNG [66.1 KiB]
Скачиваний: 13668
7.PNG [76.84 KiB]
Скачиваний: 13678
6.PNG [74.4 KiB]
Скачиваний: 13612
5.PNG [76.58 KiB]
Скачиваний: 13597
4.PNG [87.07 KiB]
Скачиваний: 13639
3.PNG [72.06 KiB]
Скачиваний: 13848
2.PNG [74.42 KiB]
Скачиваний: 13735
1.PNG [89.72 KiB]
Скачиваний: 14124
передатчик.GIF [11.16 KiB]
Скачиваний: 23436
Вернуться наверх
 
Эиком - электронные компоненты и радиодетали
Не в сети
 Заголовок сообщения: Re: Эксперименты с простыми приемниками и передатчиками.
СообщениеДобавлено: Вс фев 07, 2016 20:43:58 
Держит паяльник хвостом
Аватар пользователя

Карма: 42
Рейтинг сообщений: 393
Зарегистрирован: Ср июн 27, 2007 17:09:12
Сообщений: 970
Рейтинг сообщения: 0
Просто напоминаю критерий, что лежит в основе всех этих схем.
Цитата:
Приемник на дискретных элементах или микросхемы (самая распространенная и доступная база, всё что можно извлечь с б/у аппаратуры).
И еще цель и это основная, просто посмотреть на практике на реальные сигналы в подобных схемам, что бы представлять, с какими проблемами можем столкнуться на практике.
Если посмотреть схемы промышленных RF модулей, то они строятся по таким же структурным схемам и в них при настройке можно посмотреть эти же сигналы, что смотрим в наших схемах.

Изображение

Понятно наши схемы более примитивны, хотя структурная схема у них одинаковая.
Особенно отличается схема обработки сигнала после детектора.
В промышленных RF эта часть схемы намного совершеннее. Мы конечно тоже можем усложнить, но тогда количество элементов резко увеличиться.

Теперь попробуем сделать приемник с кварцами с произвольным разносом.
В дальнейшем уже испытал два приемника. Один с ПЧ 400 кГц, другой с ПЧ 648 кГц.

Но сначала сделаем контрольный приемник по классической схеме с керамическими фильтрами.

С данным приемником будем сравнивать все последующие в которых кварцы будут уже с произвольным разносом.
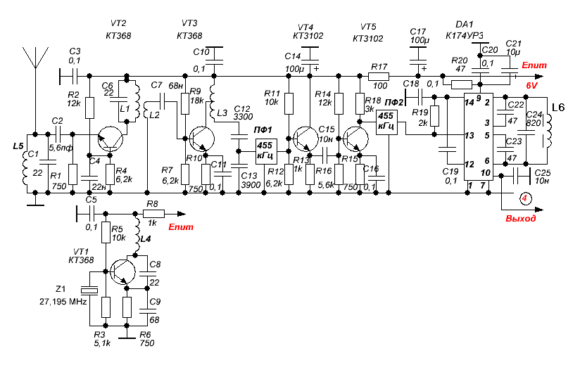
Схема приемника стандартная. Основа приемника микросхема К174УР3. Микросхема К174УР3 имеет чувствительность порядка 100 мкв и т.к. делаем приемник довольно низкого класса, то нет смысла добиваться чувствительности более 1 мкв. Отсюда имеем, что усиление по ВЧ до микросхемы должно быть порядка 100 – 150.
Отсюда вырисовывается схема.
Усилитель УВЧ с усилением порядка пять.
Активный смеситель усиливает раза в два.
Первые каскады УПЧ до микросхемы порядка 15 – 20.
С учетом потерь в фильтрах получаем нужное на усиление.
Для настройки мне понадобился низкочастотный осциллограф и частотомер с полосой 30 МГц. Все остальные приборы, просто самодельные приставки к этим двум приборам.

Изображение

В общем, писать про схему особо нечего, т.к. она совершенно стандартная.
Идеально, если расположение на плате приемника будет такое же, как и на схеме, т.е. в «линейку». Катушки L1 и L4 располагаются на расстоянии 10 мм друг от друга и т.о. напряжение гетеродина поступает на вход смесителя.
После включения нужно только установить режимы транзисторов по постоянному току. Токи транзисторов кроме VT3 должны быть 1,5 – 2 ма. Устанавливаются подбором резисторов в цепях смещения.
Ток VT3 должен быть порядка 0,7 – 1 ма.
Крутим сердечник L4 с гетеродине и добиваемся, что бы он возбудился на нужной нам частоте. У меня 27,195 МГц. Реально возбудился на частоте 27,194 МГц с копейками, но это не важно.
Имеет смысл к коллектору транзистора в гетеродине подключить ВЧ пробник и настроиться на максимум.

Изображение

Мои керамические фильтры имеют входное и выходное сопротивление где то 2 кОм, отсюда и в схеме после первого фильтра появился эмиттерный повторитель, который имеет как раз примерно такое входное сопротивление. Полоса пропускания фильтров 15 кГц. Подобные фильтры ставятся в приемники с ЧМ. Эти фильтры практически полностью определяют АЧХ приемника. Фильтры, что ставят в АМ приемники в данном случае не совсем пригодны, т.к. обычно долее узкополосные, хотя в крайнем случае можно поставить и их, но это усложнит настройку приемника в виду их более узкой полосы пропускания.

Про катушки.

Все катушки, кроме L6 без экранов, что упрощает их изготовление.
Катушка гетеродина L4 и катушка L1 располагаются на расстоянии 10 мм друг от друга. За счет их индуктивной связи напряжение гетеродина поступает на вход смесителя. Катушки L1 и L4 располагаются вертикально, а катушка L5 горизонтально. В принципе, при некотором ухудшении параметров приемника, катушку L5 можно не ставить. При этом конденсатор С1 увеличить до 200 – 1000 пф.
Как уже писал, АЧХ данного приемника формируют керамические фильтры, поэтому требования к катушкам в этом приемнике довольно низкие.
L1, L4 и L5 намотаны на каркасах диаметром 5,5 – 6 мм. В них вворачиваются сердечники из карбонильного железа или ВЧ феррита.
Намотаны проводом диаметром 0,4 мм и содержат по 15 витков.
Катушка L2 имеет два витка и намотана поверх L1.
Катушка L3, это фильтр ПЧ. В данной схеме служит в основном для согласования смесителя и керамического фильтра, поэтому добротность контура L3, С12, С13 особой роли не играет и катушку L3 можно намотать на любом каркасе, но если катушку делать не в броневом сердечнике, то эту катушку имеет смысл поместить в экран, что бы устранить до минимума связь этой катушки с катушкой L6, что приведет или к самовозбуждению или к снижению чувствительности. Я просто взял каркас от фильтра ПЧ, что ставили в приемник «Спидола», намотал 80 витков с отводом от середины. Мотал в четыре провода диаметром 0,1 мм, хотя можно намотать просто проводом диаметром 0,2 мм. После этого просто определил, какую емкость нужно поставить параллельно этой катушке, что бы резонансная частота контура была 455 кГц.
Делаю методом ударного возбуждения контура. В качестве импульсов возбуждения использую импульсы калибратора осциллографа. Они там частотой 1 кГц. Конденсатор в контур поставил 1000 пф.
Собираю такую схему.

Изображение

На осциллографе наблюдаю какую картинку.

Изображение

Я там частоту развертки увеличиваю до тех пор, пока не смогу по «клеточкам» подсчитать примерно частоту колебаний. У меня получилась где то 620 кГц. Пересчитываем конденсатор в контуре. Он получается порядка 1800 пф. Вот он там и составлен из двух, т.е. из С12 и С13.
По картинке можно также оценить добротность. Нужно сосчитать количество колебаний, пока они не упадут по уровню в 23 раза.
Здесь на форуме про это уже писали.
viewtopic.php?p=2327146#p2327146
Можно конечно определить с помощью генератора ВЧ который можно перестраивать в пределах 300 – 800 кГц.
Про это можно почитать в ж. Радио 7-1968 год, тем более, что это пригодится в дальнейшем, т.к. в дальнейшем мы же хотим сделать приемник на доступных деталях, в том числе и на тех кварцах, что есть в наличии.

Изображение

Там еще вторая страница есть.

Катушку L6 делал по такому же принципу, только она на каркасе с ферритовым цилиндриком. Там у меня намотано 100 витков проводом 0,2 мм.
Такие катушки стояли в старом приемнике Гиала и др. Как говорил, эта катушка обязательно должна быть в экране. Это нужно, что бы предотвратить проникновение сигнала ПЧ с выхода на вход. Иначе УПЧ будет работать как бы «сам на себя» и чувствительность приемника снизится. Про это подробнее я ниже напишу, когда будем рассматривать приемник без керамических фильтров и с с кварцами с любым разносом.
В принципе эту катушку можно намотать и на другом каркасе. Это просто колебательный контур на частоту 455 кГц. Добротность её тоже особо большая не нужна. От величины добротности этого колебательного контура зависит уровень выходного напряжения ЧД.
В общем я брал то, что было под рукой и при этом не здорово мелких размеров, т.к. глаза уже не те, что бы мотать мелкие катушки.


Про кварцы.

В данном приемнике нужны кварцы с определенным разносом. При этом разнос, например как здесь 455 кГц должен быть не у самих кварцев, а что бы разность частот передатчика и гетеродина приемника была 455 кГц. Здесь писал, что на кварце обычно пишут частоту его последовательного резонанса.
viewtopic.php?p=2204499#p2204499
А возбудится он вблизи последовательного или вблизи параллельного резонанса в зависимости от схемы генератора. Разница конечно не большая, но и она бывает достаточна, что приемник и передатчик не будут настроены друг с другом с нужной точностью и к сожалению с этим многие столкнулись, когда делали подобные приемники и передатчики. Выше по ссылке я про это уже писал. Намного проще все это решается в приемниках с амплитудной модуляцией(АМ). Там достаточно купить дешевые кварцы с нужным разносом и это бывает достаточно, хотя и для АМ продаются специально подобранные пары кварцев. Их цена зависит от точности подбора. Для ЧМ тоже продаются подобранные пары кварцев. Кварцы подбирают не просто по разносу, а по разносу генерации в схеме.

Изображение

В ЧМ передатчике модуляцию получают методом затягивания частоты кварцевого генератора с помощью внешних реактивностей, поэтому приходится проводить подстройку частоты как в передатчике, так и в приемнике, что бы они работали точно на нужной нам частоте. Отсюда и сложности.
В данном случае я взял передатчик отсюда.
viewtopic.php?p=2588064#p2588064
Денис писал(а):
У меня есть кварц на 27,195 МГц который я поставлю в гетеродин приемника с промежуточной частотой 455 КГц. Это значит мне нужно что бы передатчик работал на частоте больше или меньше на 455 КГц
У меня есть кварц 13,824 МГц и если я эту частоту удвою, то получу частоту 27,648 МГц
Разница частот получается
27,648 – 27,195 = 453 КГц, что близко к требуемой.
Разницу в два килогерца попробуем скомпенсировать при настройке нашего задающего генератора в передатчике. Т.е. нам нужно, что бы задающий генератор работал на частоте 13,825 МГц
Также пробовал передатчик делать на кварце 9,216 МГц отсюда.
viewtopic.php?p=2618653#p2618653
Точнее подобный передатчик у меня остался от прошлых экспериментов. Я взял с двумя кварцами, что бы было больше свободы для экспериментов, хотя в нашем случае можно поставить один кварц.

Изображение

Только для начала модулирую передатчик импульсами, что полаю с генератора сделанном на логике. Просто делаю упор в первую очередь на радиоуправление, т.к. в системах радиоуправления есть свои тонкости.
В общем нам нужен испытательный передатчик и он может выглядеть так.

Изображение

Как его настроить, можно прочитать здесь.
viewtopic.php?p=2588064#p2588064
В данном случае импульсы на варикап подаются через конденсатор, а в приемнике сигнал с ЧД на схему формирования тоже будет поступать через конденсатор. Это упрощает устройство согласования, но тракт становится не прозрачным, т.е. через данный тракт нельзя подать просто потенциал единицы или нуля. Это ограничивает возможности тракта, но часто это ограничение не важно.
Также недостаток такого построения тракта в том, что при включении передатчика и приемника нужно какое то время, что бы разделительные конденсаторы зарядились.
На первый взгляд кажется, что нужно просто уменьшить разделительные емкости, что бы они заряжались быстро, но к сожалению а этом случае при передаче пачек импульсов будут возникать ошибки, т.к. уровень пачек в этом случае может изменяться.

Изображение

В дальнейшем рассмотрим и прозрачный тракт. В нем нет этих проблем, хотя в настройке он сложнее.
От передатчика не нужна большая мощность. Даже лучше, если она будет маленькая и при настройке его не нужно будет относить далеко от приемника. В качестве антенны можно припаять провод длиной 15 – 20 см.
В дальнейшем передатчик модулировался пачками импульсов. Для этого генератор на логике делался по такой схеме.

Изображение

Резистор R3 нужно подобрать так, что бы на выходе было целое количество импульсов.
Схема совершенно стандартная и особых объяснений не требует.

Еще потребуется приставка ГКЧ к осциллографу. Её можно сделать по любой схеме, что много раз выкладывали на форуме.
viewtopic.php?f=10&t=115533
Можно сделать здесь.
viewtopic.php?p=2330256#p2330256

Изображение

А лучше как делал здесь.
http://www.radiocxema.h1n.ru/2018/06/03 ... иллографу/

Изображение

В данном же случае я использовал совсем простую и просто разряжал конденсатор не через стабилизатор тока, а через резистор. Принцип действия подобной приставки понятен из картинки.

Изображение

С помощью этой приставки можно увидеть и как настроен приемник и если ли самовозбуждение и т.д.
ГКЧ у меня тоже спаян просто на макетке. Представляет из себя генератор коротких импульсов по любой схеме частотой 20 – 50 Гц для настройки кварцевых фильтров и частотой 200 – 300 Гц для настройки LC фильтров, генератор пилы амплитудой 10 – 12 вольт и генератор на 27 МГц с варикапом и даже вместо варикапа в моем стоит диод Д310, т.к. варикап мне ставить туда стало жалко. Генератор в некоторых пределах перестраивается просто сердечником в катушке.
Если у осциллографа есть вход «Х», то даже генератор пилы можно сделать по упрощенной схеме, т.к. форма импульсов в этом случае не важна. Можно просто конденсатор заряжать через резистор и сбрасывать генератором коротких импульсов.
Резистором R2 добиваемся нужной формы пилы. Через него конденсатор заряжается. Если его заменить на стабилизатор тока, то пила получается очень линейная, только в нашем случае это не так важно.
Резистором R3 добиваемся, что бы она сбрасывалась до нуля. Через него конденсатор разряжается.
С генератора ВЧ сигнал подаем на вход приемника. Хотя и подавать не всегда обязательно. Часто достаточно, что бы они располагались рядом.
Полностью схема выглядит так.

Изображение

Если у осциллографа нет входа «Х» то его можно попробовать синхронизировать с ГКЧ через внешнюю синхронизацию. Сигнал для внешней синхронизации можно снять или с генератора импульсов или из точки «А». Хотя в этом случае генератор пилы желательно сделать, как в схеме выше, со стабилизатором тока на транзисторе.

Вот я делал ГКЧ со стабилизатором тока и использовал внешнюю синхронизацию.
В принципе такой работает лучше.

Изображение

Катушка L1 такая же, как и в приемнике, т.е. 15 витков провода 0,4 мм на каркасе диаметром 6 мм. Имеет подстроечный сердечник которым и производится точная подстройка на частоту.
У меня все это сделано просто на макетке, т.к. предназначено только для целей, что поставили на данный момент. Частоту 27 МГц предварительно устанавливаем с помощью частотомера. Не забывать, что частотомер может вносить погрешность, поэтому подключать его или через аттенюатор или еще каким способом. Я просто чарез резистор 3 кОм подключал к эмиттеру транзистора VT3 в ГКЧ.

Катушку L5 и конденсатор С2 пока не ставим. Припаиваем на вход в качестве антенны, провод 10 см.
Отключаем микросхему К174УР3, т.к. с ней возможно самовозбуждение, а нам пока не до него. Нагружаем керамический фильтр на резистор 2 кОм.

Изображение

Осциллограф через резистор 510 Ом подключаем на выход второго керамического фильтра. Резистор 510 Ом нужен, что бы при подключении осциллографа не возникло самовозбуждение. Иногда такое бывает.
ГКЧ ставим рядом, включаем и крутим сердечник катушки в ГКЧ, пока на экране осциллографа не увидим картинку.

Изображение

Если приемник перегружается, то нужно отодвинуть ГКЧ подальше. После этого подкручиваем катушки L3 и L1 по максимуму.
Это АЧХ нашего приемника. Она полностью формируется керамическими фильтрами и смотрим мы её, что бы потом сравнивать с тем, что будет получаться, когда АЧХ будем формировать с помощью LC контуров. Мы же сейчас делаем контрольный приемник и впоследствии нам нужно будет добиться от других приемников примерно таких же параметров, что и у этого.
Теперь нужно настроить приемник точно на частоту передатчика.
Можно проверить по биениям. В передатчике конденсатор С2 отпаиваем от генератора импульсов, т.е. передатчик будет излучать одну несущую без модуляции.
Включаем ГКЧ. Напряжение качания на варикап нужно сделать поменьше, что бы картинка расширилась. Так лучше будет видно.

Изображение

Включаем передатчик и относим его на такое расстояние, что бы он не забивал приемник. На картинке АЧХ смотрим где у нас возникают биения. Нужно, что бы они были посередине. Если они сдвинуты к какому либо краю, то настройкой катушки L1 в передатчике делаем, что бы биения были посередине.
Вот у меня видно, что биения возникают не по центру.

Изображение

Я подкручиваю катушку L1 и устанавливаю биения по центру.

Изображение

Можно конечно настроится и другим способом.
Например отключить пилу в ГКЧ и подключить е нему частотомер.
Осциллографом опять смотреть синусоидальное напряжение на выходе второго керамического фильтра. Настроится на максимум и отодвигать генератор, что бы приемник не перегружался. Можно антенну укоротить, а то и совсем убрать.
На частотомере в принципе наша точная частота настройки, но лучше еще проконтролировать. Для этого вывинчиваем сердечник в катушке ГКЧ, что бы амплитуда упала в два раза и записываем показания частоты. Теперь вкручиваем сердечник. Сначала амплитуда будет расти, а потом снова уменьшаться. Когда уменьшится в два раза, снова записываем показание частотомера. Среднеарифметическое записанных показаний будет нашей точной частотой.
Подключаем частотомер к передатчику и сердечником катушки L1 в передатчике, устанавливаем эту частоту.

Теперь выключаем все генераторы.
Восстанавливаем схему приемника и подключаем осциллограф на выход ЧД. Это вывод «10» микросхемы.
Должны увидеть шум. Здесь она клеточка равна 0,5 вольта.

Изображение

Если крутить сердечник катушки L3, то полоса смещается по вертикали и меняется уровень шума. Все это говорит о нормальной работе приемника и об отсутствии самовозбуждения и проникновения сигнала ПЧ с выхода УПЧ на его вход.
Включаем ГКЧ и должны увидеть S-кривую частотного детектора. Она может быть несимметричной. Правильной симметричной формы добиваются вращением сердечника катушки L3

Изображение

Вот в принципе приемник настроен и теперь можно смотреть, как он будет принимать сигнал нашего передатчика.
Восстанавливаем схему передатчика, т.е. на вход подаем импульсы и при правильной настройке видим на выводе «10» микросхемы К174УР3 такую картинку.

Изображение

О правильной настройке говорит еще то, что если совместить последние три картинки, то у них у всех совпадает нулевая линия, что проходит где то на уроне двух клеточек с копейками.

Изображение

Если импульсы немного не совпадают, то можно чуть подкрутить катушку L1 в передатчике.
Но это если немного, не более 1/3 клеточки.
Если такого не наблюдаем, значит в настройке где то ошиблись и придется всю настройку проверить по новой.
Дальше подаем пачки импульсов и начинаем заниматься согласованием выхода ЧД с МК или логикой.
Также рассмотрим применение этого приемника в радиостанции. Как сделать передатчик для радиостанции, написано выше, в предыдущих частях, а вот шумоподавитель рассмотрим подробнее, но сначала согласование с логикой.
На первый взгляд все просто.
Имеем такую картинку на выходе ЧД.

Изображение

Нужно взять пороговое устройство, например триггер Шмидта с порогом 1,2 вольта и получим нужные нам импульсы. К сожалению уровень 1,2 вольта в реале может меняться в зависимости от напряжения питания или при расстройке приемника или передатчика, поэтому имеет смысл немного усилить этот сигнал, что бы иметь какой то запас на случай сдвига уровня сигнала, но не на много и обязательно без ограничения.
Если усилить сразу сильно, да еще с ограничением, то отношение сигнала к шуму сильно упадет и могут появится ошибки при передаче информации.
Оптимально усилить в нашем случае нужно раза в четыре и тогда уж подать на пороговое устройство с гистерезисом.
Наличие гистерезиса у порогового устройства в нашем случае играет большую роль. Дело в том что в реальном сигнале после ЧД обязательно присутствуют кроме основного сигнала еще и шумы. Так вот, что бы информация на логику передавалась без ошибок, величина гистерезиса порогового устройства была больше уровня шумов, что будут в сигнале вместе с полезным сигналом. Это тоже является одной из причин, что сигнал после ЧД сильно усиливать не нужно.
Вот если сделать правильно.
Пусть у нас величина гистерезиса триггера Шмидта больше уровня шумов, что присутствуют вместе с полезным сигналом.
Усилим наш сигнал с выхода ЧД раза в четыре раза и пусть имеем такую картинку.

Изображение

Т.е. имеем один импульс, а значит информация прошла без искажений.
Смотрим, что будет если величина гистерезиса будет меньше уровня шумов.

Изображение

В этом случае мы получим ложный импульс от помехи.
Я этот импульс пометил «!»
Вот поэтому с одной стороны нам сигнал после ЧД как бы и нужно усилить для надежности работы порогового устройства, но если перестараемся, то будет только хуже, т.к. уровень шумов может превысить величину гистерезиса порогового устройства и у нас появятся ложные импульсы.

Понятно, что если нужна дальность 100 м, а передатчик имеет мощность 1 вт, то об этом можно и не задумываться, т.к. в этом случае отношение сигнал/шум на данной дальности и при такой мощности передатчика будет очень большим, т.е. сигнал на выходе ЧД будет практически без шумов и можно сигнал с ЧД просто усилить и подать на логику или МК.

В соответствии с этим и пробуем составить схему, что бы в какой то мере повысить помехоустойчивость канала. У меня получилась довольно примитивная, хотя вариантов намного больше, но в принципе она работоспособная. Можно попробовать вариант на ОУ LM358, что делают в покупных радиомодулях. Там даже слежение за уровнем сигнала есть.
В том числе данная схема "прозрачная" т.к. разделительных конденсаторов в ней нет.
Я не пробовал, т.к. подобного ОУ у меня под рукой не было. Может потом попробую.

Изображение

Это схема на самом примитивном уровне, но я старался, что бы она соответствовала вышесказанному.

Изображение

VT1 собственно усилитель. Резистором R5 и R8 добиваюсь на его коллекторе, т.е. в точке «А» такой картинки. Клеточка здесь равна одному вольту.

Изображение

Дальше идет на триггер Шмидта. Порог срабатывания подстраивается резистором R9.
Как установить порог понятно из схемы. Нужно просто оторвать R6 от коллектора VT1 и подавая с помощью потенциометра напряжения на этот резистор, установить порог срабатывания чуть больше 1,5 вольта.
Это видно из картинки. В каждом конкретном случае эти цифры могут немного отличаться от моих.

После триггера Шмидта ставится ключ. В зависимости от нужной полярности импульсов ключ подключается или к «Вых1» или к «Вых2»
В ключе, что подключают к «Вых1» имеет смысл подобрать резистор R2 для надежного срабатывания ключа.

Изображение

Это я вижу после ключа.

Изображение

Теперь на варикап в передатчике будем подавать пачки импульсов и посмотрим, как все будет работать. Я подобрал элементы так, что бы в пачке было пять импульсов.
На выходе в приемнике тоже должно получится именно пять импульсов в пачен.
После ЧД я вижу такое.

Изображение

После ключа вижу наши пачки импульсов.
Импульсы здесь вниз смотрят, т.е. инвертированы относительно импульсов в передатчике, но в дальнейшем, как уже говорил, мы можем их сделать в любой полярности.

Вот наши пачки импульсов после ключа.

Изображение

Ключ подключен к «Вых1»

Теперь можно переходить к приемникам со случайными кварцами, а не с определенным разносом и будем их сравнивать с этим контрольным приемником.

Следующие приемники пока только в вордовском файле ниже.
Вложение:
123.doc [1.16 MiB]
Скачиваний: 993

Один приемник там с ПЧ равной 400 кГц, а второй 648 кГц
Потом там же попишу и про шумоподавитель, что ставят в ЧМ приемники в случае использования их для голосовой связи.


Вложения:
333.GIF [18.6 KiB]
Скачиваний: 4721
22.gif [8.81 KiB]
Скачиваний: 4998
11.GIF [19.4 KiB]
Скачиваний: 5780
1.GIF [19.03 KiB]
Скачиваний: 9066
ГКЧ.GIF [15.24 KiB]
Скачиваний: 16298
1.GIF [38.59 KiB]
Скачиваний: 13482
Вернуться наверх
 
Не в сети
 Заголовок сообщения: Re: Эксперименты с простыми приемниками и передатчиками.
СообщениеДобавлено: Вс фев 07, 2016 20:44:26 
Держит паяльник хвостом
Аватар пользователя

Карма: 42
Рейтинг сообщений: 393
Зарегистрирован: Ср июн 27, 2007 17:09:12
Сообщений: 970
Рейтинг сообщения: 0
Продолжим экспериментировать исходя из этих требований.
Цитата:
Приемник на дискретных элементах или микросхемы (самая распространенная и доступная база, всё что можно извлечь с б/у аппаратуры).
Будут повторения с уже написанным. Просто делал я все это в другом порядке, поэтому в описании подучились накладки и повторы.
Удобно конечно в качестве фильтра основной селекции(ФОС) приемника взять керамический или кварцевый фильтр, но возникает проблема, где взять кварцы с нужным разносом?
Второй путь, это сделать УПЧ с применением LC фильтров, но здесь проблема в изготовлении катушек с нужной добротностью при малых габаритах, но есть смысл попробовать.
Вот я имею каркасы вытащенные из старых советских приемников.

Изображение

Есть еще каркасы из какого то польского приемника.

Изображение

А также ферритовые горшки диаметром 10 мм. Они применялись в качестве контуров в приемнике «Спидола»
Вот с них я начну. Что бы уменьшить габариты, сверху на них приклею пластмассовую пластинку с резьбовым отверстием М4 и буду в них вворачивать сердечники из карбонильного железа диаметром 4 мм. Можно конечно и ферритовые. Даже лучше.
Передатчик на кварце с основной частотой 27 МГц, хотя можно и гармониковый. В гетеродин ставлю имеющийся у меня гармониковый кварц на частоту 27,648 МГц. Значит промежуточная частота получается 648 кГц.
Понятно, что кварцы можно взять и другие. Просто нужно добиться, что бы ПЧ получилась в пределах 400 – 700 кГц.
Что бы увеличить добротность, а значит и улучшить избирательность по соседнему каналу приемника, что определит чувствительность, мотаю в три провода диаметром 0,1 мм. Мотаю по заполнения. Уместилось 80 витков. Дальше подбираем конденсатор в контуре, что бы получить резонансную частоту контура около 648 кГц в моем случае. Делаю методом ударного возбуждения контура. В качестве импульсов возбуждения использую импульсы калибратора осциллографа. Они там частотой 1 кГц. Конденсатор в контур ставлю 1000 пф.
Собираю такую схему.

Изображение

Изображение

Я там частоту развертки увеличиваю до тех пор, пока не смогу по «клеточкам» подсчитать примерно частоту колебаний. У меня получилась где то 800 кГц. Пересчитываем конденсатор в контуре. Он получается 1500 пф.
По картинке можно также оценить добротность. Нужно сосчитать количество колебаний, пока они не упадут по уровню в 23 раза.
Здесь на форуме про это уже писали.
viewtopic.php?p=2327146#p2327146
Хорошо бы получить ненагруженную добротность порядка 100, но я немного не дотянул.
Если делаем ЧМ приемник, то в качестве ЧМ детектора и усилителя УПЧ применить К174УР3.
В принципе можно уже схему рисовать.
Питание пришлось делать 6 вольт, т.к. К174УР3 плохо работает при питании ниже 5 вольт.

Изображение

После смесителя поставил два связанных контура намотанных на каркасах, что писал выше, от приемника «Спидола» Они без экранов. Связь между контурами делаем чуть меньше критической. Она подбирается конденсатором С13, но про это потом. Дальше идет резонансный каскад на транзисторе VT4. Контур L5, С14, С21. Катушка L5 намотана на каркасе с ферритовым цилиндром, кстати L6 тоже. Они помещены в экраны. Выбор каркасов был просто из того, что было доступно и при этом, что бы получить добротность катушек хотя бы порядка 50. Они намотаны проводом диаметром 0,2 мм по 100 витков. После этого методом, что описано выше получили конденсаторы в контурах. Если получатся немного другие, то ничего страшного. Главное, что бы они не превышали 1500 пф, а значит характеристическое сопротивление контура было больше 200 Ом.
Катушка УВЧ L1 и катушка гетеродина L7 располагаются на расстоянии 10 – 12 мм друг от друга. Таким образом у нас напряжение гетеродина поступает на смеситель.
На первый взгляд лишним выглядит эмиттерный повторитель на транзисторе VT4, но его пришлось поставить после борьбы с проникновение напряжения ПЧ с выхода частотного детектора, на его вход. Такое проникновение снижает чувствительность приемника, т.к. частотный детектор начинает работать как бы «сам на себя». Это можно определить, если при отсутствия сигнала, с подключенной антенной посмотреть осциллографом на выходе ЧД. Там должны присутствовать равномерный шум порядка десятых долей вольта.

Изображение

Если есть проникновение сигнала ПЧ с выхода на вход, то шумы или очень маленькие и на вид «рваный» или их даже совсем нет. При этом приемник работать будет, но чувствительность резко снизится.
Также может возникнуть самовозбуждение, но про это все потом.
На входе приемника можно поставить катушку, но тогда придется катушку L1 ставить в экран, хотя я пробовал эту дополнительную катушку просто располагать под 90 градусов по отношению к L1 и как бы самовозбуждения нет, но это по месту нужно пробовать.
Включение К174УР3 стандартное, да и вообще схема стандартная и при желании её можно изменить. Например сделать смеситель и гетеродин по другой схеме, как это сделано в следующем приемнике. Я этих приемников сделал штук пять разных, в том числе и АМ, но про это потом. Сейчас главное настройка.
Точнее здесь именно это и главная цель, т.к. схема совершенно стандартная и главное, это как её настроить.
Этот приемник можно использовать или в системе радиоуправления или в просто радиостанции. Разница будет только в обработке сигнала после ЧД. Например в радиостанции желательно добавить шумоподавитель в приемнике и ограничитель звукового сигнала в передатчике. Про ограничители можно почитать здесь.
viewtopic.php?p=2618654#p2618654
В приемнике для радиоуправления обработать сигнал так, что бы избавиться от помех. Про это тоже потом.
Понятно, что чем больше приборов, тем качественнее можно настроить.
Для настройки данного приемника требуется осциллограф. Можно низкочастотный, т.к. смотреть будем только сигналы промежуточной частоты.
Также желателен частотомер с полосой 30 МГц, но в данном случае можно обойтись и без него.
Нужен генератор ВЧ на частоту 27 МГц. Можно самодельный по любой схеме. У меня просто на макетке спаян.
Нужна приставка ГКЧ к осциллографу и это по сути главное. С помощью этой приставки можно увидеть и как настроен приемник и если ли самовозбуждение и т.д.
ГКЧ у меня тоже спаян просто на макетке. Представляет из себя генератор коротких импульсов по любой схеме частотой 20 – 50 Гц для настройки кварцевых фильтров и частотой 200 – 300 Гц для настройки LC фильтров, генератор пилы амплитудой 10 – 12 вольт и генератор на 27 МГц с варикапом и даже вместо варикапа в моем стоит диод Д310, т.к. варикап мне ставить туда стало жалко. Генератор в некоторых пределах перестраивается просто сердечником в катушке.
Если у осциллографа есть вход «Х», то даже генератор пилы можно сделать по упрощенной схеме, т.к. форма импульсов в этом случае не важна. Можно просто конденсатор заряжать через резистор и сбрасывать генератором коротких импульсов.

Изображение

Резистором R2 добиваемся нужной формы пилы. Через него конденсатор заряжается. Если его заменить на стабилизатор тока, то пила получается очень линейная, только в нашем случае это не так важно.
Резистором R3 добиваемся, что бы она сбрасывалась до нуля. Через него конденсатор разряжается.

С генератора ВЧ сигнал подаем на вход приемника. Хотя и подавать не всегда обязательно. Часто достаточно, что бы они располагались рядом.

И так спаяли схему. Схему на плате нужно располагать «в линейку», т.е. так, как она на схеме расположена. Это обеспечит наиболее устойчивую работу схемы.
Проверили тока через транзисторы.
Ток первого транзистора 1,5 – 2 ма. Удобно проверять, измеряя напряжение на резисторе, что стоит в эмиттере. В нашем случае напряжение на R7 должно быть порядка 1 – 1,5 вольта. Считается по закону Ома.
Ток второго транзистора 0,7 – 1 ма.
Третьего 1,5 – 2 ма
Четвертого тоже.
Пятый 2 – 3 ма.
Ток выставляется стандартно подбором резисторов в цепях смещения.
Покрутили катушку L7 в гетеродине и добились генерации на частоте кварца. Имеет смысл к коллектору подключить ВЧ пробник и настроиться на максимум.

Изображение

Увеличиваем конденсатор С13 раза в два. Я параллельно ему припаял еще конденсатор 30 пф.
Включаем приемник и ГКЧ. Осциллограф подключаем к точке «1»
Крутим сердечник катушек L3 и L4. Добиваемся такой картинки.
Только не перегружайте приемник. Если сигнал ограничивается, то уменьшайте уровень сигнала с ГКЧ. У меня вообще просто на приемнике антенна 10 см, а ГКЧ лежит рядом.

Изображение

Теперь нужно уменьшать связь между контурами и добиться одногорбой характеристики. Уменьшаем С13 так, что бы картинка была как ниже, но амплитуда не уменьшалась, т.к. при чрезмерно маленьком С13 картинка тоже будет с одним горбом, но амплитуда горба упадет.

Изображение

Дальше подключаем осциллограф к точке «2» и крутим L5 добиваясь максимума. При этом картинка остается такой же одногорбой. Амплитуда увеличится где то раз в пять.
Проверяем картинку в точке «3» Она практически должна остаться прежней.
Т.о. мы сформировали АЧХ нашего приемника. Если есть частотомер, то можно узнать полосу пропускания нашего приемника по уровню 0,7
Для убираем качание в генераторе, изменяем частоту генератора в обе стороны от максимума так, что бы амплитуда уменьшилась в 1,4 раза. Разность частот и будет полосой пропускания приемника. У меня получилась где то 20 кГц, что примерно соответствует полосе пропускания керамических фильтров, что ставят в ЧМ приемники.
Также можно подстроить катушку L1, что стоит в УВЧ. Настраивать по максимуму.
Дальше нужно настроить приемник точно на частоту нашего передатчика. Для этого можно спаять только задающий генератор и подать на него импульсы частотой порядка 1 кГц. Я поставил генератор на логике. Можно сделать мультивибратор на транзисторах.
Про настройку подобного генератора на кварце и получение в нем ЧМ можно прочитать здесь.
viewtopic.php?p=2588064#p2588064
Дальность подобного передатчика довольно маленькая и это даже удобно для настройки.
Кварц здесь на 27 МГц основной гармоники. Если кварц гармониковый, то маячек придется делать по другой схеме. Потом нарисую и его.
Для начала делаем так. Если покрутить R4, то в небольших пределах будет меняться частота работы передатчика. Во всяком случае мы должны этого добиться, читая то, что написано по ссылке выше.

Изображение

Катушка L1 намотана на каркасе диаметром 6 мм. Содержит четыре секции по 5 витков.
Подробнее про настройку подобного генератора можно почитать по ссылке выше.
У меня сердечник катушки у меня полностью закручен. Девиация частоты поручилась ±5 кГц. Я частотомером проверял. Для этого движок R4 ставим сначала в нижнее положение, потом в верхнее. Разница даст удвоенную девиацию.
Ставим на среднюю частоту. Можно просто на среднем движке R4 выставить примерно половину напряжения питания.
Принимаем этот сигнал настраиваем по максимуму катушки L3, L4, L5. Желательно после этого опять проверить картинку с помощью ГКЧ и убедится, что она не изменилась, т.е. нам нужно и что бы картинка не изменилась и точно на частоту передатчика настроится.
В принципе при навыках можно смотреть на картинку с ГКЧ и включив передатчик, медленно его приближая и удаляя, что бы добиться биений на картинке. Биения должны быть посередине картинки. Биения просматриваются слабо, но увидеть их можно. Если они не посередине, значит настройка на передатчике немного не совпадает. По картинке удобно подправить. Уж здорово точно не нужно, т.к. девиация у нас получилась порядка 10 кГц, а полоса приемника 20 кГц, но чем точнее настроимся, тем лучше.

Дальше настраиваем сам УПЧ с ЧД который у нас собран на микросхеме К174УР3.
Катушка L6 намотана на каркасе с ферритовым цилиндром. Содержит 80 витков провода 0,2 мм. В принципе её тоже можно проверить методом ударных колебаний. Помещена в экран. Экран пришлось делать самодельный из латуни, т.к. готовый не нашел.
Подключаем антенну. Осциллограф на вывод «10» микросхемы. Должны увидеть шум. Наличие шума говорит, что все работает, самовозбуждения нет и проникновения сигнала ПЧ с выхода на вход тоже нет. Можно для интереса сердечник катушки L6 покрутить. Линия с шумом будет немного смещаться и его уровень немного меняться.
С помощью ГКЧ настроим эту катушку так, что бы получить правильную S-кривую частотного детектора.
Вот так выглядит шум на выходе.

Изображение

Теперь включаем ГКЧ и находим нашу S-кривую. Подключать не нужно. Антенну на приемник возможно тоже не нужно подключать, а если и подключить, то не более 5 см. Иначе приемник просто перегрузится.
Крутим L6 и добиваемся симметричной S-кривой. Обычно она находится на уровне 1,5 – 2 вольта. Здесь одна клеточка равна 0,5 вольт.

Изображение

ГКЧ выключаем, включаем передатчик. Шум на выходе должен пропасть и будет просто прямая линия. Крутим в передатчике переменный резистор R4 и линия должна опускаться и подниматься в пределах десятых долей вольта. Это и понятно, т.к. при изменении частоты передатчика, на выходе ЧД меняется напряжение.

Теперь меняем в передатчике переменный резистор на генератор. Его можно и на транзисторах сделать. Частота примерно 1 кГц.

Изображение

На выходе ЧД при правильной настройке видим такую картинку.

Изображение

При правильной настройке уровень, на котором располагаются импульсы примерно такой же, как и уровень шумов при отсутствии сигнала. Это писал уже в статье по эталонный СМ приемник.
Просто чаще нужно контролировать себя и проверять с помощью ГКЧ.
Дальнейшие каскады приемника зависят от его назначения. Если он предназначен для радиостанции, то желательно сделать шумоподавитель и само собой УНЧ.
Если этот приемник будет в системе радиоуправления, то нужно будет согласовать выход ЧД с МК или с логикой. Здесь два варианта.
Первый вариант прозрачный.
Это когда на входе передатчика подать потенциал единицы, то на выходе приемника тоже будет единица. В этом случае по сути тракт как бы пропускает постоянную составляющую.
И второй вариант, это когда тракт пропускает только импульсные сигналы и не пропускает постоянную составляющую.
В первом варианте не будет никаких ограничений на передаваемые импульсные сигналы. Во втором случае есть некоторые ограничения.
Какой вариант выбрать зависит от поставленной задачи.
В обоих случаях подход будет разный, но про это тоже потом.

Дальнейшим продолжением было избавиться от микросхемы К174УР3 и сделать ЧМ приемник полностью на транзисторах. К сожалению все попытки сделать такой приемник привели к неудаче. Приемник конечно работал, но параметры мне не совсем понравились. Был выход его усложнить, но я на это не пошел, точнее отложил это на потом, а занялся подобным приемником с АМ модуляцией.
Параметры такого приемника получились лучше, чем у простого приемника с ЧМ, сделанном полностью на транзисторах.

Про согласование выхода ЧД с МК или логикой подробнее потом напишу.


Вернуться наверх
 
Не в сети
 Заголовок сообщения: Re: Эксперименты с простыми приемниками и передатчиками.
СообщениеДобавлено: Вс фев 07, 2016 20:44:52 
Держит паяльник хвостом
Аватар пользователя

Карма: 42
Рейтинг сообщений: 393
Зарегистрирован: Ср июн 27, 2007 17:09:12
Сообщений: 970
Рейтинг сообщения: 0
АМ приемник 27 МГц без керамических фильтров в УПЧ.

Принцип построения схемы АМ приемника до УПЧ, мало чем отличается от приемника с ЧМ. Немного изменил схему смесителя и гетеродина, но это просто что бы попробовать. Можно было сделать также, что и в предыдущей схеме. На схеме добавилась катушка на входе. С ней чувствительность немного выше, зато возросла вероятность самовозбуждения, т.к. все катушки в данном приемнике не имеют экранов. Просто решил так попробовать. Если катушки поместить в экран, то хуже не будет.
Все катушки стоят вертикально, а L9 горизонтально.
Катушка L6 намотана на ферритовом кольце диаметром 8 мм. Параметры кольца не знаю. Просто взял какой был, намотал сначала 30 витков и конденсатор 300 пф. Оказалось, что много. Отмотал и получилось 25 витков. Добротность этого контура не высокая, поэтому особой точности не нужно. Просто в приемнике с АМ один из главных узлов, это АРУ, а самая простая схема с регулировкой усиления получается именно по такой схеме с катушкой в коллекторе. Эту катушку можно намотать и на другом сердечнике, например таком же, что и L3, L4. Но при этом придется её поместить в экран, как это сделали в предыдущем приемнике с ЧМ. При этом упроститься настройка, т.к. резонансную частоту этого контура можно будет подстраивать сердечником.
АРУ действует просто. При увеличении уровня сигнала на выходе детектора АРУ снижается ток смещения на базе. Также уменьшается также и ток транзистора в УВЧ. Не очень хороший способ уменьшать ток в УВЧ для осуществления АРУ, но в простом приемнике можно этим пожертвовать ради простоты.
Частота ПЧ в данном приемнике 400 кГц, но ничего не мешает её выбрать другую в пределах 300 – 700 кГц. Все зависит от наличия у вас кварцев.

Изображение
Здесь крупнее.
СпойлерИзображение

Питание во всех АМ приемниках делал 4,5 вольта.

В общем по схеме видно, что VT1 это УВЧ.
VT2 гетеродин
VT3 смеситель
VT4 первый каскад УПЧ. В нем осуществляется АРУ
VT5 – VT7 это последующие каскады УПЧ
Детектор сигнала построен на германиевых диодах VD1 – VD2. Дальше у меня стоит полевой транзистор, т.к. было удобнее приспосабливать данный приемник для целей радиоуправления, поэтому выходное напряжение после детектора сделал отрицательное.
Детектор АРУ отдельный. Сделан на транзисторе VT8. АРУ получилась с задержкой, что конечно хорошо.
По схеме видно, что при увеличении уровня сигнала транзистор VT8 открывается. Вследствие этого уменьшается базовый ток транзистора VT1 в УВЧ VT4, в первом каскаде УПЧ, что приводит к уменьшению усиления в ВЧ тракте приемника, т.е. получаем именно АРУ.
Вообще то УПЧ можно упростить. В частности вместо VT5 – VT7 вероятно хвати одного, максимум два транзистора, но мне для экспериментов было удобнее применить схему которая бы легко позволяла менять усиление. Усиление данной схемы равно отношению R20/R21.
Т.е. для того, что бы изменить усиление при настройке, достаточно изменить резистор R21, что удобно при экспериментах. По сути это ОУ на дискретных элементах.
По схеме все, т.к. она стандартная и особенностей не имеет. У нас задача, как приемник будет работать, если в нем в УПЧ применить катушки из того, что у нас есть. Если в предыдущем приемнике катушки, определяющие АЧХ приемника применили те, что ставились в советский приемник «Спидола», то в этот поставил катушки, что стояли в каком то польском приемнике. Они тоже состоят из ферритового горшка с резьбовым сердечником и соответственно каркас внутри.

Изображение

Сложил вместе три провода диаметром 0,1 мм и намотал катушку L4. Мотал до заполнения. Получилось 80 витков. После этого можно было мотать и L3, уже зная на каком витке делать отвод. Сделал на 20-ом витке.
Дальше как и в приемнике с ЧМ. Спаял УВЧ, смеситель, гетеродин. Подал на вход сигнал с ГКЧ и посмотрел, что получилось с этими катушками.
АРУ лучше отключить. Для этого достаточно отпаять конденсатор С23, а между коллектором и эмиттером VT8 припаять резистор на 3 кОм, что бы напряжение АРУ было порядка 2 вольта.
Осциллограф подключаем к базе VT4.
Делаем как и в ЧМ приемнике. Только здесь сначала увеличиваем конденсатор С13, добиваемся двухгорбой АЧХ

Изображение

Дальше уточняем ёмкость С13, что бы получить одногорбую АЧХ без уменьшения амплитуды.
У меня так получилось.

Изображение

Нельзя сказать, что уж очень хорошо, но в принципе для наших требований достаточно.
Потом по максимуму настраиваем катушки в УВЧ.
После этого можно паять и остальную схему.
Если нет генератора на частоты 500 – 800 кГц, то получается много мороки с катушкой L6 в виду того, что она не имеет у меня подстройки. Если собрать такой генератор по любой схеме, то можно просто подать сигнал с генератора на базу VT4, осциллограф на базу VT5 и определить резонансную частоту контура. В случае большого несовпадения, подправить изменив емкость конденсатора С29.
Я проверял опять с помощью ГКЧ.
Щуп осциллографа на базу VT5.
Смотрим нашу АЧХ.
Между коллектором VT4 т общим проводом припаиваем конденсатор 30 – 39 пф. Амплитуда должна уменьшиться. Если увеличилась, значит нужно будет увеличивать емкость С29.
Если все таки амплитуда уменьшилась, то нужно или поставить С29 пикофарад поменьше или поднести к кольцу постоянный магнит. Амплитуда тоже должна уменьшаться. Если увеличивается, то придется уменьшать С29. Мне после проверки пришлось увеличивать на 30 пф. Стоял 330 пф, пришлось поставить 360 пф.
Если эту катушку сделать с сердечником и в экране, то можно было просто подкрутить, как в ЧМ приемнике, но я решил попробовать на кольце и без экрана.
Опять же, как и раньше, детали на плате нужно располагать так, как они нарисованы на схеме, т.е. в линейку. Иначе можно замучится с самовозбуждением. Кстати с ним пришлось немного побороться. Пришлось поставить развязки по питанию и подобрать усиление УПЧ. Ну это в нашем случае делается подбором R21. Уже писал.
То, что нет самовозбуждения, говорит наличие шума на выходе детектора при отсутствии сигнала.

Изображение

Здесь клеточка равна 0,2 вольта и при этом после детектора у меня напряжение отрицательное, т.е. нулевая линия в самом верху экрана.
При этом уровень шума зависит от того, подключена ли антенна. Еа картинке антенна подключена. Если антенну отключить, то уровень шумов после детектора снижается раз в пять. Это тоже говорит о правильной работе АМ приемника.
При самовозбуждении посде детектора получается просто прямая линия или видны какие то периодические сигналы. Обычно импульсы.
С самовозбуждением часто приходится бороться. Делается это стандартными способами. Подробнее про это потом. Сейчас просто нет времени.

Дальше восстанавливаем цепь АРУ и теперь можно посмотреть, как приемник реагирует на передатчик. Сначала делаем передатчик без оконечного каскада.
В нем не хватает выходного каскада и транзисторного ключа. Выходной каскад можно по обычной схеме , что нарисован справа, но для настройки он не нужен.
Питание в окончательном варианте поднять вольт до девяти.

Изображение

Модуляция в данном случае происходит импульсами в сотни герц от генератора на логике. Этот генератор можно сделать и на транзисторах по схеме мультивибратора.
Это только для настройки.
Дальше настраиваем приемник на частоту передатчика. Про это выше уже писал.
Измеряем частоту передатчика частотомером и проверяем, совпадает ли частота передатчика и частота приема приемника. Она может отличаться на сотни герц – единицы килогерц.
Способов много. Можно проверить так же, как и при настройке предыдущего приемника, т.е. по биениям. В передатчике резистор R7 отпаиваем от генератора импульсов и припаиваем его к общему проводу.
Включаем ГКЧ. Полосу качания нужно сделать поменьше, что бы картинка расширилась. Так лучше будет видно.

Изображение

Включаем передатчик и относим его на такое расстояние, что бы он не забивал приемник. На картинке АЧХ смотрим где у нас возникают биения. Нужно, что бы они были посередине. Если они сдвинуты к какому либо краю, то настройкой катушек L3 и L4 делаем, что бы биения были посередине.
Вот у меня видно, что биения возникают не по центру.

Изображение

Я подкручиваю катушки L3 и L4 и устанавливаю биения по центру.

Изображение

После этого имеет смысл снова проверить качество настройки катушки L6, как это делали выше.

Второй способ.
Подключаем вольтметр на выход АРУ, т.е. к коллектору VТ8
Отключаем пилу в ГКЧ. К его выходу подключаем частотомер. Крутим частоту ГКЧ и находим, где у нас напряжение АРУ будет минимальным. Оно не должно быть меньше 2 вольта. Если меньше, то или отодвиньте приемник от ГКЧ или уменьшите антенну.
Крутите медленно частоту ГКЧ сначала в одну сторону до тех пор, пока напряжение АРУ не увеличится пусть на один вольт. Записываете показание частотомера.
Потом крутите в другую сторону и опять смотрите показания частотомера.
Среднеарифметическое будет частотой на которой работает приемник. Потом измеряете частоту передатчика и если они не совпадают, то немного подкручиваете катушки L3 и L4 в нужную сторону и снова проверяете, как написано выше.
А лучше отключить АРУ и смотреть сигнал осциллографом на базе VT5. В этом случае смотреть когда амплитуда синусоиды будет уменьшаться в два раза. Только опять следить, что бы УПЧ не перегружался.
После установки частоты подключаем R7 в передатчике к генератору импульсов, включаем и смотрим сигнал после детектора.
Вот я передатчик отнес в другую комнату. Антенны где то по 30 см, и смотрю.
Видны небольшие помехи, т.е. рядом работает телевизор и компьютер.

Можно еще «поиграться» резистором R21. От него зависит усиление по ПЧ. Чем меньше, этот резистор, тем усиление больше, но увлекаться не стоит, т.к. чрезмерное усиление может привести или к самовозбуждению или к ухудшению параметров приемника, т.к. чрезмерное усиление с посредственными фильтрами, как в нашем случае, может только навредить. Приемник просто забьется шумами.
Как и прежний приемник, этот тоже можно применить или в системе радиоуправления или в простой радиостанции.
Я делал упор на радиоуправление, поэтому потом делал различные схемы согласования приемников с МК или логикой, но про это потом.
Хотя вот можно посмотреть импульсы сформированные схемой с которой они поступают уже на МК.

Изображение

Про это потом. Осталось дорисовать еще три приемника. Они уже на частоты 70 - 80 МГц. Один с трехзвенным кварцевым фильтром, другой с LC фильтрами в УПЧ и третий с широкополосной ЧМ и керамическим фильтром в УПЧ.


Добавил 26.02.2016г
Навеяло этой темой.
viewtopic.php?f=28&t=127341
Для интереса перестроил этот приёмник на частоту 27,135 МГц, где общаются дальнобойщики. До трассы 2 км. Антенну сделал просто провод где то 1,5 м.
Расположение на первом этаже.
В принципе дальнобойщиков слышу.
Конечно нужно бы приделать еще уровневый шумоподавитель, что бы не "шипел" в отсутствии сигнала. Шум появляется при подключении антенны. При этом иногда сигнал слишком зашумлен и неразборчив. Вероятно это тот, что дальше по расстоянию.
Нужно будет попробовать сделать ВЧ часть на полевых транзисторах, что повысит динамический диапазон, да и вместо контуров в УПЧ поставить керамический фильтр и посмотреть, что получится.
Заодно попробовать антенну сделать рамочную и в какой то мере избавиться от помех от бытовых приборов.


Вложения:
1.GIF [29.34 KiB]
Скачиваний: 19003
1.PNG [106.02 KiB]
Скачиваний: 1275
Вернуться наверх
 
Не в сети
 Заголовок сообщения: Re: Эксперименты с простыми приемниками и передатчиками.
СообщениеДобавлено: Ср фев 10, 2016 07:16:34 
Мучитель микросхем
Аватар пользователя

Карма: 23
Рейтинг сообщений: 106
Зарегистрирован: Ср май 05, 2010 16:30:45
Сообщений: 415
Откуда: Удмуртия
Рейтинг сообщения: 0
Денис грандиозная работа :beer: . Легко читается и всё понятно.Много нового для себя усвоил .СПАСИБО! С нетерпением жду продолжения. :tea:


Вернуться наверх
 
Не в сети
 Заголовок сообщения: Re: Эксперименты с простыми приемниками и передатчиками.
СообщениеДобавлено: Чт фев 11, 2016 11:26:03 
Потрогал лапой паяльник

Карма: 1
Рейтинг сообщений: 10
Зарегистрирован: Вт мар 12, 2013 13:27:23
Сообщений: 310
Откуда: Петербург
Рейтинг сообщения: 0
Спасибо! Настоящая радиотехника. Ваши статьи помогли мне собрать рацию


Вернуться наверх
 
Не в сети
 Заголовок сообщения: Re: Эксперименты с простыми приемниками и передатчиками.
СообщениеДобавлено: Вс фев 14, 2016 22:16:41 
Друг Кота

Карма: -1
Рейтинг сообщений: 86
Зарегистрирован: Вт мар 13, 2012 12:16:13
Сообщений: 8900
Откуда: .ru
Рейтинг сообщения: 0
Да, интересно. :tea:


Вернуться наверх
 
Не в сети
 Заголовок сообщения: Re: Самостоятельное изучение электроники
СообщениеДобавлено: Вт фев 16, 2016 15:25:49 
Друг Кота

Карма: -1
Рейтинг сообщений: 86
Зарегистрирован: Вт мар 13, 2012 12:16:13
Сообщений: 8900
Откуда: .ru
Рейтинг сообщения: 0
Хочу поделиться своими наблюдениями... по поводу перестройки кварцевых генераторов. :roll:
Денис писал(а):
Дело в том, что для того, что бы получить достаточную на практике ЧМ в кварцевом генераторе, кварц должен работать на основной частоте резонанса. При работе кварца на гармонике сдвинуть его очень трудно. В данной схеме в цепь коллектора тоже можно поставить колебательный контур, но при этом кварц как и в исходной схеме все равно возбуждается на основной гармонике, а контур просто выделяет гармонику основной частоты кварца. Т.е. в данном случае мы можем выделить и четные гармоники кварца.

Согласен. Если у нас есть кварц на основную частоту (например 27,12 Мгц), то никаких проблем с перестройкой кварцевого генератора нет. Собрал по обычной схеме и двигай по частоте сколько хочешь. Я например брал кварцы на основную частоту, с маленькой статической ёмкостью и перестраивал на сотни килогерц. :)

Пример: http://nauchebe.net/2010/11/odnotranzis ... pravlenie/

Гораздо сложнее двигать частоту гармониково кварца...
Денис писал(а):
И третье, что не очень для нас хорошо, т.к. мы хотим сделать передатчик ЧМ на кварце это то, что сделать достаточную для нас на практике ЧМ модуляцию в кварцевом генераторе можно только если кварц в схеме работает на основной гармонике. Это видно из эквивалентной схемы кварца, что выкладывал выше. При возбуждении кварца на механической гармонике получить существенную ЧМ невозможно.


Когда собирал разные схемы на кварцах, то сразу обратил внимание на:
Денис писал(а):
Т.е. купив кварц на котором написано 27 МГц окажется, что 27 мгц это его третья гармоника, а основная его гармоника 9 МГц, но у подобных кварцев добиваются, что АЧХ его в районе третьей гармонике выглядела так.

Изображение

Т.е. как то там делают, что бы эти максимумы АЧХ на третьей гармонике были больше, чем у не гармоникового кварца на 9 мгц. Но все равно, если этот кварц на котором написано 27 мгц поставленный в схему генератора по осциляторной схеме, он будет генерировать частоту около 9 мгц, т.е. возбудится на своей основной гармонике

В этом всё дело, получается что активность гармоникового кварца на разных гармониках разная. :roll:

Провёл простой эксперимент. Вот схема:
Изображение

1-Включил гармониковый кварц 27,12 Мгц по обычной (классической) схеме. Кварц завелся на 9,04 Мгц. Затем подключил катушку последовательно кварцу и вкручиваю сердечник... Частота стала уменьшаться, а вместе с частотой стала уменьшаться амплитуда. При уменьшении частоты генератора более ~15 кГц проиходит срыв генерации.

2-Затем добавил катушку в эмиттер. Кварц завелся на 27,12 Мгц. Затем опять подключил катушку последовательно кварцу и опять вкручиваю сердечник... Частота стала уменьшаться, а вместе с частотой стала уменьшаться амплитуда, но не так сильно как в первом случае. При уменьшении частоты генератора более ~80...100 кГц проиходит паразитное возбуждение.
Изображение
Побробней я написал тут: http://radiokot.ru/circuit/analog/receiv_transmit/30/

Вывод из всего написанного выше. Иногда всё таки лучше перестраивать гармониковый кварц, когда он работает на гармонике.
Так у меня получилась больше перестройка по частоте (до момента срыва генерации), именно из-за большей активности на гармонике. :roll:

Понятно, что можно запустить кварц на первой гармонике и принять специальные меры для расширения резонансного промежутка...
Денис писал(а):
Как раз так и поступили В. Волков, М. Рубинштейн в своей статье в ж. Радио №10 1972 г, но настройка этого генератора получилась довольно трудоемкой.

Просто мне не хотелось делать трудоёмкую настройку... :roll:

Такие же катушки (в эмиттер) часто ставят в приёмники радиоуправления, для запуска кварца на третей гармонике.
http://radiostorage.net/?area=news/324
Денис писал(а):
Генератор Пирса на кварце часто делают также на логических элементах. Для этого логический элемент с помощью резистора ставят в активный режим, т.е. вместо транзистора ставят просто логический элемент переведя его в активный режим(в режим усиления)

Некоторые даже запускают гармониковые карцы на микроконтроллерах...
http://www.diagram.com.ua/list/mc/mc60.shtml

Хотя, по гармониковым кварцам я могу ошибаться. Поэтому прошу Дениса прокомментировать мои выводы. :beer:

Сразу скажу, что я не знаю технологию изготовления кварцев. В справочниках пишут про "особы срез"... Т.е. как то там делают... я до конца не разобрался...


Вложения:
Комментарий к файлу: паразитное возбуждение
5.PNG [92.09 KiB]
Скачиваний: 1285
схема.jpg [65.2 KiB]
Скачиваний: 1433
Вернуться наверх
 
Не в сети
 Заголовок сообщения: Re: Самостоятельное изучение электроники
СообщениеДобавлено: Сб апр 23, 2016 02:00:02 
Мудрый кот
Аватар пользователя

Карма: 14
Рейтинг сообщений: 230
Зарегистрирован: Пн янв 12, 2009 01:59:20
Сообщений: 1815
Откуда: Россия.
Рейтинг сообщения: 0
roman.com писал(а):
Некоторые даже запускают гармониковые карцы на микроконтроллерах...
http://www.diagram.com.ua/list/mc/mc60.shtml
Но там же по ссылке обычный генератор Пирса возбуждаемый на нечетной гармонике и ничего нового не придумали.
Внизу нарисовал.
Найдите хотя бы одно отличие.

Изображение


Вложения:
1.GIF [21.99 KiB]
Скачиваний: 7374
Вернуться наверх
 
Не в сети
 Заголовок сообщения: Re: Эксперименты с простыми приемниками и передатчиками.
СообщениеДобавлено: Сб апр 23, 2016 20:45:15 
Электрический кот

Карма: 15
Рейтинг сообщений: 242
Зарегистрирован: Пн окт 06, 2014 18:37:50
Сообщений: 1038
Откуда: Великие Луки
Рейтинг сообщения: 0
Можно, если кварц предназначен для этого.


Вернуться наверх
 
Не в сети
 Заголовок сообщения: Re: Эксперименты с простыми приемниками и передатчиками.
СообщениеДобавлено: Ср апр 27, 2016 17:50:31 
Сверлит текстолит когтями
Аватар пользователя

Карма: 22
Рейтинг сообщений: 110
Зарегистрирован: Вс сен 25, 2005 10:07:31
Сообщений: 1219
Откуда: Россия.
Рейтинг сообщения: 0
Денис писал(а):
Радиостанции на основе микросхем TDA7021. Часть 1
Это та же радиостанция, что продается в качестве набора здесь?
http://radiokotstruktor.ru/catalog/good/28


Вернуться наверх
 
Не в сети
 Заголовок сообщения: Re: Простой приемник и передатчик.
СообщениеДобавлено: Вт июл 12, 2016 09:28:05 
Держит паяльник хвостом
Аватар пользователя

Карма: 42
Рейтинг сообщений: 393
Зарегистрирован: Ср июн 27, 2007 17:09:12
Сообщений: 970
Рейтинг сообщения: 0
И наконец приемник и передатчик для радиоуправления или для голосовой связи в которых вообще нет никаких дефицитных деталей, в том числе и дефицитных каркасов для катушек.

Смысл всего написанного ниже не в том, что бы показать какая "крутая" схема. Схема довольно примитивная. Смысл в том, что бы подробно описать настройку подобных схем, для тех, кто впервые сталкивается с о схемами приемником и передатчиков.

Приемник имеет промежуточную частоту около 30 кГц. В приемнике и передатчике стоят одинаковые кварцы. У меня были гармониковые кварцы на 40 мГц, на основную гармонику 20 мГц и 25 мГц. Я выбрал кварцы на 25 мГц и сделал приемник и передатчик на 75 мГц, хотя можно сделать и на 40 мГц и на 60 мГц.
Избирательность по соседнему каналу обеспечивается полосовым фильтром составленным из двух фильтров. Один ФНЧ с частотой среза 40 кГц, а другой ФВЧ с полосой среза порядка 16 кГц.
Включив эти фильтры последовательно, получаем полосовой фильтр.

Изображение

ФНЧ сделан по такой схеме.

Изображение

Понятно, что самая дефицитная деталь здесь катушка. Индуктивность катушки должна быть порядка 3 мГн. Намотать удобнее на малогабаритном броневом ферритовом сердечнике или на ферритовом кольце. Я намотал на ферритовом кольце диаметром 10 мм. Мотал проводом диаметром 0,1 мм. В принципе, чем больше витков, тем лучше. У меня хватило терпения намотать 150 витков. Дальше любым способом измеряем индуктивность полученной катушки и рассчитываем конденсаторы. Суть в том, что собственная частота такого контура должна быть порядка 40 кГц.

Изображение

Я измерял с помощью осциллографа по методу, что писал уже выше в теме. Просто взял катушку, параллельно подключил емкость 10 н и измерил резонансную частоту полученного контура. Она получилась 28 кГц, а это значит, что бы получить резонансную частоту 40 кГц сумма конденсаторов С1 и С2 должна быть в два раза меньше. Отсюда и получилось, что емкости нужно поставить по 10 н.

ФВЧ сделан по схеме активного фильтра на одном транзисторе. Как писал, частота среза у него выбрал 16 кГц

Изображение

В общем схема приемника похожа на ту, что в этой статье.
http://radiokot.ru/start/analog/practice/18/
Разница только в рабочей частоте и в том, что увеличил промежуточную частоту, что позволило применить этот приемник не только для радиоуправления, а и также в простой ЧМ радиостанции.

Изображение

Из схемы все ясно.
VT1 Это УВЧ
VT2 смеситель.
VT6 гетеродин.
Катушки L2 и L5 располагаются на расстоянии 8 -10 мм друг от друга. Так сигнал гетеродина поступает на вход смесителя.
Дальше идет ФНЧ на элементах L4, С16, С17
VT3 активный ФВЧ
VT4, VT5 УПЧ
Дальше идет логический КМОП элемент переведенный в активный режим, т.е. это тоже каскад УПЧ. Что бы этот элемент работал в активном режиме нужно на коллекторе VT5 установить напряжение при отсутствии сигнала, равное половине питания. Делается подбором R8, а если это не удается, то можно подкорректировать резистор R3
Сигнал с УПЧ идет на счетный частотный детектор. Про его принцип работы можно почитать в этой статье.
http://radiokot.ru/konkursCatDay2015/43/
Он состоит из триггера Шмита на двух КМОП элементах, дифференциатора на VT7 и интегратора на VT8
В качестве КМОП элементов можно взять любые инвертора КМОП. В данном случае я взял К561ЛЕ10

Если посмотреть на схему, то видно, что каскады на VT2 – VT5 плюс логический элемент в активном режиме, представляет из себя усилитель на частоты 20 – 40 кГц с очень большим усилением. Нужно его защитить от внешних наводок на этих частотах. Это сделано выбором вида связи УВЧ и смесителя. Как видим на схеме, что вход этого усилителя для частот 20 – 40 кГц практически закорочен на общий провод через катушку L3 и конденсатор C14 большой емкости.
Проверить, что приемник не ловит эти наводки очень просто. Нужно подключить осциллограф на выход УПЧ, отключить питание гетеродина и убедится, что на выходе УПЧ шумы не превышают десятых долей вольта.
Шумы на выходе УПЧ резко возрастают до единиц вольт только если восстановить схему и на вход подключить антенну длиной всего лишь 10 см. Это говорит о том, что сигнал на приемник поступает только через антенный вход.

Если приемник делать для радиоуправления, то после частотного детектора ставим формирователь импульсов.
Если приемник применяем в радиостанции, то ставим шумоподавитель и УНЧ.

Но про это потом.


Вложения:
пр.GIF [20.56 KiB]
Скачиваний: 7852
Вернуться наверх
 
Не в сети
 Заголовок сообщения: Re: Эксперименты с простыми приемниками и передатчиками.
СообщениеДобавлено: Вт июл 12, 2016 16:31:56 
Друг Кота

Карма: -1
Рейтинг сообщений: 86
Зарегистрирован: Вт мар 13, 2012 12:16:13
Сообщений: 8900
Откуда: .ru
Рейтинг сообщения: 0
Да, экспериментировал с такими приёмника (супергетеродин с низкой ПЧ). Собирал простенький приёмничек для радиоуправления такой:
Вложение:
радиомодуль 1.JPG [185.05 KiB]
Скачиваний: 1045

Затем решил упростить. Получился такой:
Вложение:
радиомодуль 2.JPG [185.98 KiB]
Скачиваний: 1044

-Чувствительность у них одинаковая.
-Избирательность у второго приёмника хуже, но обычно это не так важно.

Приёмник привлекает своей простотой. Не требует поиск кварцев с разносом 455 кгц, достаточно двух одинаковых кварцев.

Для простой рации или для радиоуправления пойдёт.
:tea:


Вернуться наверх
 
Не в сети
 Заголовок сообщения: Re: Простой приемник и передатчик.
СообщениеДобавлено: Ср июл 13, 2016 12:37:50 
Держит паяльник хвостом
Аватар пользователя

Карма: 42
Рейтинг сообщений: 393
Зарегистрирован: Ср июн 27, 2007 17:09:12
Сообщений: 970
Рейтинг сообщения: 0
Дальше настройка. Точнее я просто проверил работу и особой настройки не потребовалось. Проверил токи транзисторов.
VT1 ток 0,8 -1 ма
VT2 ток 0,4 -0,5 ма
Покрутил катушку гетеродина и добился работы генератора. Частота генерации получилась 74,953 МГц. Это значит, что передатчик должен работать на частоте где то на 30 кГц больше или меньше этой частоты. Точнее определим после, как начнем настройку.
Теперь нужно проверить АЧХ УПЧ. Это можно сделать с помощью генератора синусоидальных колебаний с частотой 10 – 60 кГц. Для этого отключить гетеродин, а базу VT2, т.е. смесителя соединить с общим проводом. Сигнал с генератора подавать на коллектор VT2. Я подавал уровень 2 мв через конденсатор и резистор порядка 1 кОм. Нужно просто следить, что бы УПЧ не перегружался. У меня нет НЧ генератора, поэтому сделал простейший функциональный генератор на эти частоты. Смотреть нужно на коллекторе VT5. Уровень там должен быть не более 0,5V
В общем реальная АЧХ у меня получилась 25 – 55 кГц. Т.о. средняя частота получилась (25+55)/2=40 кГц и я так и оставил.

Если осциллограф или вольтметр подключить к коллектору VT8, т.е. на выход частотного детектора и менять частоту генератора в пределах 20 – 60 кГц, то напряжение там будет меняться в пределах 0,5 – 2V, что в принципе и понятно, т.к. это же частотный детектор.

Я делал также и по другому. Взял приставку ГКЧ к осциллографу, что использовал раньше при настройке приемников на 27 МГц и установил частоту порядка 25 МГц, т.е. приемник у меня принимал третью гармонику моего ГКЧ. Осциллограф подключил к коллектору VT5.
На экране видим такую картинку. Реальная полоса частот УПЧ получилась 25 – 55 кГц, но это не столько важно, хотя при желании нижнюю границу можно поднять килогерц 35. Для этого нужно просто изменить параметры ФВЧ или снизить верхнюю, изменив параметры ФНЧ, но я не стал .
В принципе можно глядеть на картинку и меняя параметры ФВЧ и ФНЧ получать нужную АЧХ приемника.

Изображение

Видим симметричную картинку и это и понятно, т.к. избирательности по зеркальному каналу у нас нет, поэтому видим одинаково и основной канал приема и зеркальный. Как выше писал за основной канал можно взять любой, что удобнее. Когда я стал делать передатчик, то оказалось, что частоту передатчика удобнее взять больше.
Сейчас же можно подстроить контура в УВЧ по максимуму.
Для интереса посмотрел картинку и на выходе логической микросхемы, что работает у нас в активном режиме, т.е. на выходе УПЧ сигнал с которого у нас идет на триггер Шмита.

Изображение

Здесь сигнал уже ограничивается.
Теперь посмотрим сигнал на выходе частотного детектора.

Изображение

Видим, что при изменении частоты меняется напряжение на выходе частотного детектора.
Дальше сделал передатчик-маячок. По сути это задающий генератор нашего будущего передатчика. Схема стандартная. Контур в коллекторе настраиваем на утроенную частоту кварца. Если на входе поставим модулятор и микрофон, то получим передатчик для радиостанции. Если на вход подать импульсы управления, то получим передатчик для радиоуправления. Я пока ничего не подавал. Катушкой L1 установил частоту где то на 30 кГц больше, чем частота гетеродина в приемнике.

Изображение

Просто подключил к нему антенну длиной 15 см. Такую же антенну подключил к приемнику и относ в соседнюю комнату. Расстояние получилось где то 5 метров. Осциллограф подключил к выходу УПЧ и увидел импульсы частотой около 30 кГц.

Изображение

Если в приемнике отпаять конденсатор С25 и подключить осциллограф к коллектору VT7, то можно увидеть продифференцированые импульсы.

Изображение

Т.е. все работает в соответствии с тем, что написано в этой статье про данный частотный детектор.
http://radiokot.ru/konkursCatDay2015/43/
Дальше можно заняться передатчиком.


Вернуться наверх
 
Не в сети
 Заголовок сообщения: Re: Простой приемник и передатчик.
СообщениеДобавлено: Вс июл 17, 2016 10:14:27 
Держит паяльник хвостом
Аватар пользователя

Карма: 42
Рейтинг сообщений: 393
Зарегистрирован: Ср июн 27, 2007 17:09:12
Сообщений: 970
Рейтинг сообщения: 0
Сначала просто к нашему передатчику-маячку на вход приделаем батарейку.

Изображение

Движок R15 вниз и сердечником катушки L1 устанавливаем частоту генератора на 40 кГц выше частоты гетеродина в приемнике. Можно подключить осциллограф на выход УПЧ приемника и вращением сердечника катушки L1 установить частоту принимаемых импульсов 40 кГц.

Изображение

Теперь крутим движок R15 в маячке и добиваемся изменения частоты импульсов на 5 кГц. На осциллографе это конечно можно примерно увидеть, но лучше конечно пользоваться частотомером. У меня получилось, что на варикап нужно подавать порядка 1,2 вольта. Переворачиваем батарейку. Частота измениться в другую сторону. Т.е. получается, что для девиации частоты на ±5 кГц, на варикап нужно подавать импульсы амплитудой пика от пика 2,5 вольта.

Изображение

Делаем генератор импульсов с частотой порядка 500 Гц и резистором R15 устанавливаем нужную амплитуду импульсов.

Изображение

Само собой эти импульсы мы должны увидеть на выходе нашего приемника, но сначала передатчик не включаем. Осциллограф подключаем на выход частотного детектора. Видим шумы, что и естественно. Такое видим в любом ЧМ приемнике.

Изображение

Включаем маячок. S1 замыкаем. На выходе частотного детектора видим прямую линию. У меня она на уровне 1,1 вольта.
S1 размыкаем и на выходе частотного детектора видим такую картинку.

Изображение

Дальше эти импульсы нужно немного усилить и подать на триггер Шмита. После него получим нужные нам импульсы управления. Я усилил и сделал триггер Шмита на КМОП логике. Можно взять любые инвертора. Я взял К561ЛЕ10. Просто она у меня была под рукой. Само собой входы инвертора в ней нужно объединить. Первый инвертор переведен в линейный режим. Его усиление выбрано так, что бы это каскад не входил в режим ограничения. Это улучшит помехоустойчивость. Про это уже писал выше в теме.

Изображение

Усиление подбирают резистором R1. Чем меньше резистор, тем меньше усиление. У меня на выходе этого инвертора получилось так, т.е. до уровня ограничения сигнал не усиливается.

Изображение

С этого усилителя сигнал поступает на триггер Шмита.
На выходе триггера Шмита получаем нужный нам логический сигнал.

Изображение

Как писал выше, что если на входе передатчика поставим усилитель с микрофоном, то получится радиостанция для голоса, но про это потом. Сейчас полная схема передатчика.

Изображение

Выходной каскад сделан на двух параллельно соединенных транзисторах КТ316Б. Можно КТ368, а лучше какой либо один с рассеиваемой мощностью на коллекторе порядка 0,5 вт и с Fт не менее 1 ГГц. У меня не было. Ставил КТ316Б только по причине, что КТ368 стало жалко для этого.
Мощность для радиостанции можно выжать порядка 300 мвт. Для целей радиоуправления пришлось ограничить до 200 мвт, т.к. при передаче речи передатчик работает короткое время, а для радиоуправления передатчик должен работать непрерывно. Но при длительной работе выходные транзисторы все таки сильно нагреваются.

Остальное потом.


Вернуться наверх
 
Не в сети
 Заголовок сообщения: Re: Простой приемник и передатчик.
СообщениеДобавлено: Вс июл 17, 2016 17:58:55 
Друг Кота

Карма: -1
Рейтинг сообщений: 86
Зарегистрирован: Вт мар 13, 2012 12:16:13
Сообщений: 8900
Откуда: .ru
Рейтинг сообщения: 0
Да, всё именно так и у меня тоже получилось... Хотя я бы выкинут из схемы некоторые дтали))
Денис писал(а):
Первый инвертор переведен в линейный режим. Его усиление выбрано так, что бы это каскад не входил в режим ограничения. Это улучшит помехоустойчивость.

Каким образом это улучшит помехоустойчивость? Наоборот это только ухудшит помехоустойчивость... Любая помеха приводит к срабатыванию триггер Шмита и соответственно получим на выходе ложные срабатывания...
Денис писал(а):
Дальше эти импульсы нужно немного усилить и подать на триггер Шмита. После него получим нужные нам импульсы управления.

Если говорить про радиоуправление... А какие нам нужны импульсы управления? Для старых аналоговых систем нужны прямоугольные импульсы с крутым фронтом. всё современные системы радиоуправления используют кодовую модуляцию. Для них не требуется "особых" (c крутым фронтом) импульсов...
Денис писал(а):
Для целей радиоуправления пришлось ограничить до 200 мвт, т.к. при передаче речи передатчик работает короткое время, а для радиоуправления передатчик должен работать непрерывно. Но при длительной работе выходные транзисторы все таки сильно нагреваются.

Да, нужно ставить выходной транзистор на радиатор... :roll: И лучше всё таки на выходе использовать П-контур (как минимум два каскада П-контура). П-контур лучше подавляет гармоники. Иначе будет куча помех на телевизоре и FM приёмнике... Я в этом уже убедился.)))
:)

К стате.. а в чём "фишка" подавать сигнал на катод? Я смотрю в радиотелефонах 46-49 Мгц так сделано...

Я обычно делаю так:
Вложение:
10m9p60uvh.GIF [10.18 KiB]
Скачиваний: 915

:dont_know:


Вернуться наверх
 
Не в сети
 Заголовок сообщения: Re: Простой приемник и передатчик.
СообщениеДобавлено: Вс июл 17, 2016 18:23:31 
Держит паяльник хвостом
Аватар пользователя

Карма: 42
Рейтинг сообщений: 393
Зарегистрирован: Ср июн 27, 2007 17:09:12
Сообщений: 970
Рейтинг сообщения: 0
roman.com писал(а):
Каким образом это улучшит помехоустойчивость? Наоборот это только ухудшит помехоустойчивость...
Здесь выше в теме уже писал.
viewtopic.php?p=2644775#p2644775
Денис писал(а):
Оптимально усилить в нашем случае нужно раза в четыре и тогда уж подать на пороговое устройство с гистерезисом.
Наличие гистерезиса у порогового устройства в нашем случае играет большую роль. Дело в том что в реальном сигнале после ЧД обязательно присутствуют кроме основного сигнала еще и шумы. Так вот, что бы информация на логику передавалась без ошибок, величина гистерезиса порогового устройства была больше уровня шумов, что будут в сигнале вместе с полезным сигналом. Это тоже является одной из причин, что сигнал после ЧД сильно усиливать не нужно.

roman.com писал(а):
Зачем триггер Шмита?

Из написанного выше также видно, зачем нужен триггер Шмита.
Для повышения помехоустойчивости в присутствии помех.

Понятно, что схему при желании можно упростить сделав после частотного детектора просто усилитель на транзисторе или поставить логическую микросхему с четырьмя инверторами и усилитель сделать как в исходной схеме. При этом помехоустойчивость снизится.

Данные катушек выложу в конце.


Вернуться наверх
 
Показать сообщения за:  Сортировать по:  Вернуться наверх
Начать новую тему Ответить на тему  [ Сообщений: 28 ]  1,  

Часовой пояс: UTC + 3 часа


Кто сейчас на форуме

Сейчас этот форум просматривают: нет зарегистрированных пользователей и гости: 14


Вы не можете начинать темы
Вы не можете отвечать на сообщения
Вы не можете редактировать свои сообщения
Вы не можете удалять свои сообщения
Вы не можете добавлять вложения

Найти:
Перейти:  


Powered by phpBB © 2000, 2002, 2005, 2007 phpBB Group
Русская поддержка phpBB
Extended by Karma MOD © 2007—2012 m157y
Extended by Topic Tags MOD © 2012 m157y