Например TDA7294

Форум РадиоКот • Просмотр темы - FAQ по Цифровой паяльной станции (от михи-псков)
Форум РадиоКот
Здесь можно немножко помяукать :)

Текущее время: Пн ноя 03, 2025 01:41:19

Часовой пояс: UTC + 3 часа


ПРЯМО СЕЙЧАС:



Начать новую тему Ответить на тему  [ Сообщений: 341 ]  1, , , , ...  
Автор Сообщение
Не в сети
 Заголовок сообщения: FAQ по Цифровой паяльной станции (от михи-псков)
СообщениеДобавлено: Чт мар 10, 2011 23:41:27 
Вымогатель припоя
Аватар пользователя

Карма: 4
Рейтинг сообщений: 102
Зарегистрирован: Чт фев 19, 2009 23:41:27
Сообщений: 615
Откуда: Беларусь, Барановичи
Рейтинг сообщения: 23
Данный FAQ был выделен из темы форума Цифровая паяльная станция (от михи-псков) созданной для обсуждения одноимённой статьи на сайте, находящейся тут - http://radiokot.ru/lab/controller/32/

От лица нынешних и будущих пользователей данной паяльной станции, выражаю огромную благодарность Миха-псков написавшему данную статью, и Volly автору альтернативных прошивок под неё, а так же всем котам повторившим её, и развившим её в многофункциональную паяльную станцию!

FAQ

Допустимые микроконтроллеры для использования в самодельных паяльных станциях по ниже приведённым схемам
Изображение

А также новейшие ревизии МК Atmega8A

Внимание! при создании печатки - помните что у разных корпусов ноги могут не совпадать с нумерацией по приведённым тут схемам!

Паяльная станция работает от внутреннего генератора на частоте 8MHz.

Схемные решения паяльной станции

Для тех у кого возникли вопросы а какая прошивка подходит к той или иной схеме: все схемы по сути идентичны в плане построения, но имеют свои отличия в виде различного исполнения канала термопары, плюс различных фич в виде авто отключения и т.д. Прошивки для термофена берём с 2 поста с раздела Версии для Термофена Lykey 702 от Volly. Прошивка под паяльник из начала 2 поста, Под авторскую схему можно взять с статьи.

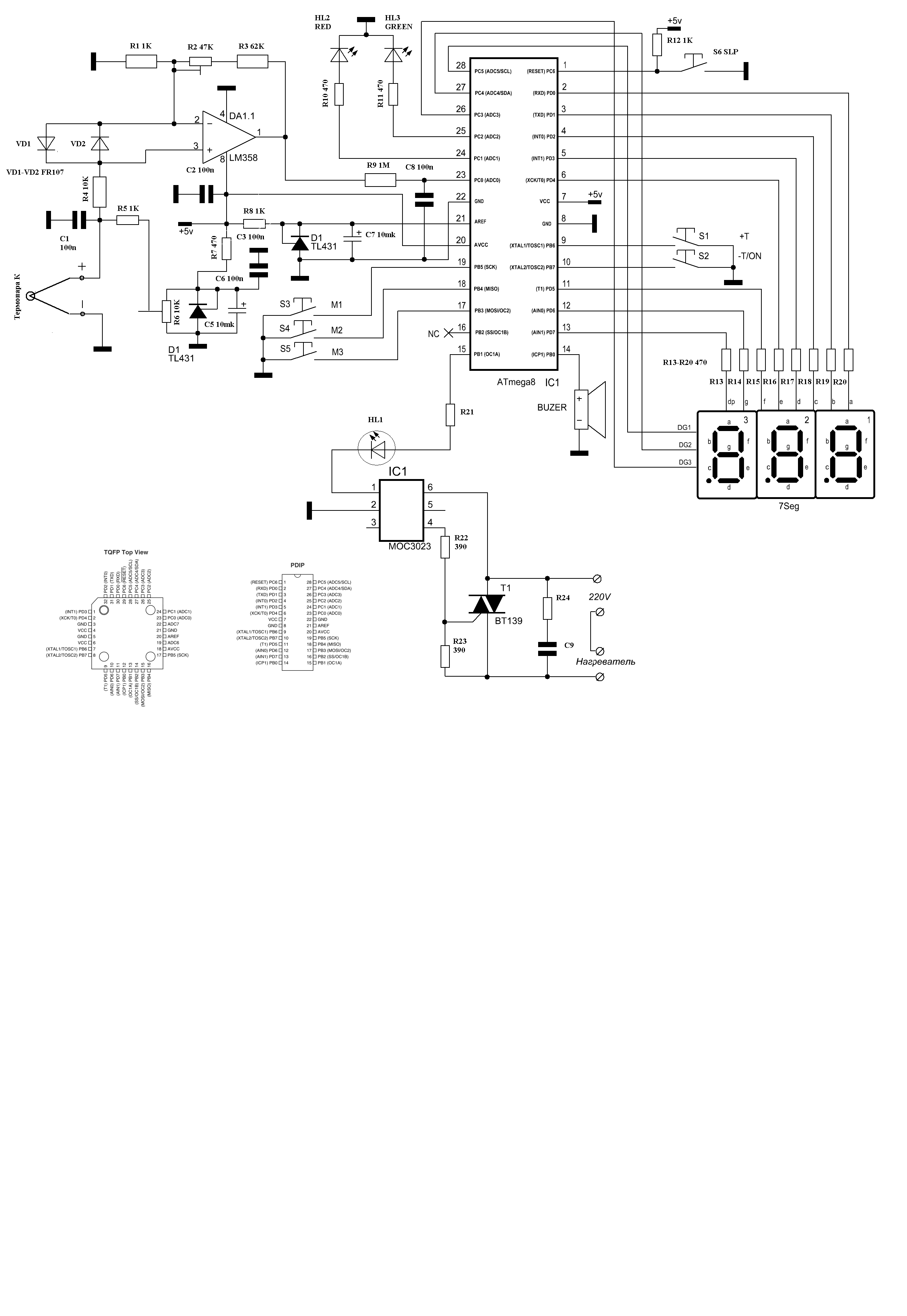
Схема вариант 1

Схема для паяльника и фена, управление скоростью мотора на транзисторах, реализовано автоматическое выключение термофена (на полевиках). Реализация управления нагрева паяльника стандартная - полевик.

Особенности схемы питания двигателя вентилятора : Переменный резистор R20 класса А, калибровка питающего напряжения (верхнее и нижнее значение) производятся путём подбора резисторов R21 и R22. Питание транзисторного регулятора - 29 вольт переменного напряжения с трансформатора через диодный мост, в этом случае будет обеспечено требуемое регулирование скорости потока.

Схема вариант 2

Для паяльника, схема с компенсатором термоспая (холодного конца термопары).

Настройка: резистором R1 выставляем комнатную температуру, подключаем нагреватель и резистором R3 выставляем температуру нагревателя паяльника. Подбираемые резисторы R4 и R2. Регулируемый стабилизатор U3 LM285-2.5G заменим на TL431. Схема подключения TL431 Схема находиться на стр. .

Схема вариант 3

Схема для паяльника и фена. Реализация управления нагрева паяльника - симистор.

Для питания мотора вентилятора термофена используется регулируемый стабилизатор напряжения LM317. Реализовано автоматическое отключение термофена (посредством использования реле).

Схема вариант 4

Схема для паяльника и фена. Реализация управления нагрева паяльника - полевик.

Настройка: резистором R1 (рекомендуется вместо него вначале подключить подстроечный резистор на 10-20 кОм) выставляем комнатную температуру, подключаем нагреватель и резистором R5 выставляем температуру нагревателя паяльника. Подбираемый резистор R4. Для питания мотора вентилятора Термофена используется регулируемый стабилизатор напряжения LM317. Схема находиться на стр. .

Схема вариант 5 NEW

Схема для паяльника и фена. Реализация управления нагрева паяльника - полевик. Для питания мотора вентилятора Термофена используется регулируемый стабилизатор напряжения LM317. Блок питания Импульсный. Выключатель одной парой контактов вырубает нагреватель фена напрямую, питание станции дублируется через реле, пока термофен не охладиться до 50 градусов - вентилятор паяльной станции не выключиться. Схема находиться на стр. 136.

Для повторяющих блок питания с данной схемы обратите внимание

Victor_P. писал(а):
Погонял вечером немного свою прошивку, в алгоритме работы и управлении глюков не нашел (так что вся надежда на независимых экспертов).
Немного подкорректировал коэффициенты ПИД, кто будет тестить введите P46, I01, D12, t11, U80, или скачайте новый еепром (в нем это профиль 1, (в P-0 U70, а в P-2 U90)), и дальше уже отталкивайтесь от этих значений при настройке.
Более точно подобрать значения не могу из-за нестабилизированного БП на IR2153 (с каждым днем все больше убеждаюсь, что для ПС это не самое удачное решение), на нем питание гуляет от 23В при максимальном ШИМ до 26В при минимальном, это не дает точно настроить ПИД.
Буду переделывать БП, новый будет на TOP204YN или PKS605YN или PKS606YN, скорее всего на PKS605YN. Пока прошу Spruts80 убрать схему 5 из ФАКа, или хотя бы написать в коментарии к ней, что БП там не самый подходящий.


Сама схема паяльной станции нормальная! И очень работоспособна!

Схема вариант 6

Схема для фена. Для питания мотора вентилятора Термофена используется регулируемый стабилизатор напряжения LM317, + схема транзисторного управления мотором. Методы настройки и подбора резисторов в измерительной части стандартные. Схема находиться на стр. 154.

Схема вариант 7

Схема для фена. Для питания мотора вентилятора Термофена используется регулируемый стабилизатор напряжения LM317 Методы настройки и подбора резисторов в измерительной части стандартные. Режим автоматического отключения на реле. Схема находиться на стр. 95.

Схема вариант 8

Схема для паяльника и термофена. Реализация управления нагрева паяльника - полевик. Транзисторный регулятор оборотов. Методы настройки и подбора резисторов в измерительной части стандартные.

Схема вариант 9

Схема паяльной станции (канал паяльника) оптимизирована для ИК-излучателя. Реализация управления нагрева - симистор с оптопарой. Методы настройки и подбора резисторов в измерительной части стандартные. Схема находиться на стр. 81.

Схема вариант 10

Схема паяльной станции, канал термофена и паяльника на одном микроконтролёре, прошивка стандартная - для канала паяльника, переключение между каналами механическое. Реализация управления нагрева - полевик, задержка выключения фена осуществляется с помощью полевика с конденсатором в цепи затвора. Для питания мотора вентилятора Термофена используется регулируемый стабилизатор напряжения LM317. Внимание в данной схеме используеться самодельный фен на 24 вольта, для подключения заводского термофена на 110 вольт нужно самостоятельно доработать схему орентируясь на схемы для термофена/паяльника, и не забываем диод в обвязке питания спирали термофена обязателен! Методы настройки и подбора резисторов в измерительной части стандартные. Подробнее про всё можно узнать тут Схема находиться на стр. 7.
----------
Модели станции для Протеуса

Канал термофена
Канал паяльника


----------

Важная информация к размышлению:

Частота шима в паяльной станции 15Гц

Внимание! При покупке нагревательного элемента в магазине не забудьте проверить его магнитом, так как были замечены случаи подделки нагревательного элемента самими китайцами, вместо нихрома используется заменитель нихрома очень плохого качества (с примесями) - больше 6 месяцев нагреватель не служит - выгорает :(. Самое лучшее решение покупать нормальный паяльник, либо использовать честный нагреватель от Hakko - он выдаёт честные ватты в отличии от китайских.

Используемая в данных схемах "Пищалка" (Бузер) должна быть с генератором, на напряжение 5V.

Особенности питания мотора вентилятора в термофене: в китайской паяльной станции Lykey 702 нижнее значение напряжения питания мотора 10,5V (самые малые обороты), верхнее значение питания мотора 29,5V (максимальные обороты).
Рекомендуется максимальные обороты выставлять в 24V, так как большинство вентиляторов рассчитанны на данное напряжение питания :))

Внимание! так как на форуме проскакивали сообщения об моторах в термофенах (их много различных китайских производителей) которые при подачи 5 или 12 вольт работали в полную силу, то предварительно визуально проверяйте на сколько именно вольт мотор в вашем термофене (разобрав фен, старайтесь прочитать маркировку на плате вентилятора).

Внимание! при использовании прошивок на термофен (Luk702_fan_SE-2.rar, Luk_fan_CC.rar) обращайте внимание что данные прошивки контролируют наличие напряжения на пине PC5(ADC5/SCL) - 28 нога (DIP корпус) оно должно находиться в пределах 0.4V- минимальные обороты двигателя, 0,9V-максимальные обороты двигателя. За это отвечает делитель напряжения и в крайнем случае его придётся пересчитать :idea: .
Рассчитать делитель можно тут

Для прошивки Lukey852d+ контроль на 28 ноге отключён. Она (прошивка от Lukey852d+) так же подходит для использования в выше изложенных схемам с минимальным изменением их (всё важное описано в посте содержащем данную прошивку)

Мощность трансформатора не менее 50 Вт ( лучше больше :)) примерно 100 Вт ), ток 2.5 -3,5 Ампера.
Две раздельные обмотки для питания нагревателя паяльника (24 вольта, а постоянное или переменное напряжение зависит от вашей фантазии и выбранной схемы) и мотора термофена (напряжение зависит от двигателя). Для питания (+5 вольт) цифровой части станции можно использовать как силовые (питающие паяльник/мотор) так и отдельные обмотки трансформатора, всё зависит от того какой трансформатор вам попадёт в ваши коготки :)) . Известны случаи успешного применения различных импульсных блоков питания: как заводского изготовления (требуют минимум переделки), так самостоятельного изготовления, данных схем полно в этом замечательном форуме, не ленитесь искать.

Полевик/Симистор лучше всего расположить в самом блоке питания (чем меньше наводок на измерительную часть тем лучше). Также лучше размещать подальше от измерительной, микроконтроллёрной части станции - нервы дороже.
Используйте побольше блокировочных керамических конденсаторов (0.1 мкф) на линии питания (5 вольт) микроконтроллера.
Если на дисплее бегают цифры и температура не может устаканиться то причина одна - наводка от симистора/полевика на измерительную часть. Одна из частых причин это не правильно разведённая земля, близко расположенный симистор от измерительной части или дорога идущая от LM358 проходит рядом с симистором.

Особенности соединения земли: во избежания возникновения всевозможных глюков, прыгания температуры и т.д. не когда не ведите землю на полевик (питание паяльника) через измерительную часть! Землю лучше разводить от Блока питания к потребителям ( в виде звезды) .

Внимание! при покупке паяльника выясняете точно что у вас стоит термопара (сопротивление 1-2 Ом) или терморезистор (сопротивление (43-58 ом). Сам нагреватель может быть от 2,5-3,5 Ом (Hakko -тонкоплёночный напылённый нагревательный элемент) до 16-20 Ом ( нихром в керамическом корпусе).

Коротко об различии термопары и термистора видно по рисункам:
Термопара
download/file.php?id=19486
download/file.php?id=18975
Термистор
download/file.php?id=18974
download/file.php?id=18976


Внимание! Категорически не рекомендуется покупать паяльник ZD-415, у него большая инерционность. Но если купили его попробуйте за питать его пониженным напряжением, может и будет толк с него. ( Взято с форума)

Рисунок распиновки разъёма паяльника.

Изображение

1 - плюс Термопары
2 - минус Термопары
3 - не используются
4 - не используются
5 - Нагревательный элемент
6 - Нагревательный элемент

Разъем паяльника Solomon SL-I\

Изображение

При использовании нагревательного элемента с терморезистором рекомендуется подтяжка его к +5 вольтам, это уже реализовано в некоторых схемах, а в некоторых нужно чуть чуть подправить схему. Например:
Изображение вместо резистора 1,5 кОм можно поставить переменный и откалибровать (без подключенного нагревателя, станция покажет текущую комнатную температуру) примерное сопротивление резистора 4.7кОм - 10кОм.

Либо использовать такую схему включения, и подбирая резисторы добиться точности показания температуры. Либо применить такой тип усилителя
Изображение, подробнее viewtopic.php?p=552336#p552336

Компенсатор стабилизатор холодного спая термопары/терморезистора на основе регулируемого стабилитрона TL431

Изображение

Можно и термопару подтягивать к +5V так же ка и терморезистор, лишним это не будет.

Калькулятор для расчёта сопротивления резисторов, при использовании схемы регулировки скорости мотора на LM317 можно взять тут.

Разборка термофена от паяльной станции типа Lykey702.

Выкрутить горловину (там мелкая резьба), выкрутить 2 винта возле вентилятора, и осторожно располовинить.
Фотография разобранного термофена.
Внимательно сравните распиновку проводов с приведённой ниже, осмотрите мотор вентилятора на наличие маркировки.

Примерная распиновка термофена Lykey 702 (Внимание! цвет проводов разных китайских производителей может различаться! Желательно разобрать фен, и проверить визуально!

Изображение

Или такая

Изображение

Потребление мотора термофена примерно от 100ма до 300ма, мотор там простой компьютерный типа улитка.
Важно! если он у вас вышел по каким то причинам из строю, то для его ремонта можно использовать запчасти от простого компьютерного куллера.

Внимание! Встречаются термофены несущие на своём борту не термопару а терморезистор ( Lykey868), а терморезистору подтяжка к +5 вольтам обязательна. Это можно реализовать любыми изложенными тут способами: используя TL431, простой подстроечный резистор, простой резистор. Подробнее как это сделать рассмотрено выше.


Мануал на Lykey 702 от aquarius26.

aquarius26 писал(а):
Сделал типа Service manual,
В мануале возможны небольшие ошибки!
http://upload.com.ua/get/901382473/
http://files.mail.ru/B56ABD

Находиться на странице 90.

Дополнения к Паяльной станции.

Добавление кнопки "OFF" к каналу паяльника (по схемам 1,2,3) к термофену эту кнопку не при крутишь :) .


Подключение датчика наличия паяльника на подставке. Реализация режима принудительного выхода из Stand-By.

Если пин PB2 соединяется с землёй (паяльник в руках)- таймеры обнуляются и станция выходит из сна (если в нём была).

Для обнуления используется только момент снятия (смена логической 1 на PB2 на логический 0).
От Volly: Cброс таймеров и т.д. происходит по смене на пине PB2 "1" на "0". Если включить геркон между пином PB2 и землёй- понадобится геркон с нормально замкнутыми контактами. Если между пином PB2 и +5в (а пин PB2 подтянуть резистором к земле)- понадобится с нормально разомкнутыми. (viewtopic.php?p=573650#p573650)

Алгоритмы работы термофена (относяться к прошивкам от Volly, кроме прошивки к 852)
8) 8)
Термофен снят с подставки - на пине PC3/ADC3 - 0
Термофен на подстаке - на пине PC3/ADC3 - 1
Обрыв термопары в термофене -на пине PC3/ADC3 - 1.
Температура термофена ниже 50 градусов - на пине PC3/ADC3 - 1
Температура термофена выше 50 градусов на на пине PC3/ADC3 - 0
Напряжение на пине PC0/ADC0 - от 2,5v до 5v (минимальная и максимальная температура)

В Luk702_fan_SE-2 от напр. на выводе PC5/ADC5 так-же зависит мощность на нагревателе. Это логично, чем сильнее дует вентилятор- тем большая мощность требуется от нагревателя для одной и то-же температуры.
Прошивка для 852д+ и есть Luk702_fan_SE-2 но с отсутствием всякого контроля по PC5/ADC5.

Коротко обо всём

Фотографии внутренностей Lykey 702 http://rghost.ru/3210956 Внимание архив размером 13,7 метра
Размеры основной платы 138,35 на 96,84, размеры модуля 46,24 на 32,11 , размеры в миллиметрах :))

Дорабатывающим китайскую паяльную станцию - обратите внимание что там отсутствует сетевой выключатель и трансформатор хоть и не много но греется, после окончания гарантии вскройте и поставьте его, либо заведите привычку вытягивать сетевую вилку паяльной станции из розетки после работы - техника безопасности 8) и обратите внимание если ваш трансформатор чуток гудит то желательно заменить используемые там саморезы для стяжки железа на шпильки, и соответственно пропитать его лаком

mcp.php?i=main&mode=post_details&f=25&p=3177069


Faq от Spruts80.rar - архив с файлами
Faq от Spruts80.pdf - содержимое архива (список файлов)
Базовая ветка форума.rar - архив с файлами
Базовая ветка форума.pdf - содержимое архива (список файлов)

Просьба к модераторам - скопируйте ссылки в первое сообщение темы


Вложения:
Комментарий к файлу: 702
702.GIF [15.08 KiB]
Скачиваний: 543605
Комментарий к файлу: Протеус-паяльник
Payalnik.rar [76.67 KiB]
Скачиваний: 21504
Комментарий к файлу: Протеус-термофен
Termofen.rar [57.17 KiB]
Скачиваний: 22539
Комментарий к файлу: Схема 7
Паяльная станция.spl7.rar [37.1 KiB]
Скачиваний: 31564

_________________
FAQ по паяльной станции "от михи-псков" и доработке Lykey 702/852D+,схемы,платы, прошивки


Последний раз редактировалось Spruts80 Сб апр 28, 2012 20:08:34, всего редактировалось 33 раз(а).
Вернуться наверх
 
Не в сети
 Заголовок сообщения: Re: FAQ по Цифровой паяльной станции (от михи-псков)
СообщениеДобавлено: Чт мар 10, 2011 23:42:03 
Вымогатель припоя
Аватар пользователя

Карма: 4
Рейтинг сообщений: 102
Зарегистрирован: Чт фев 19, 2009 23:41:27
Сообщений: 615
Откуда: Беларусь, Барановичи
Рейтинг сообщения: 14
Фьюзы для программы Пони-Прог выставляються как указанно на рисунке как для паяльной станции Миха-Псков так и для Lykey ( как для термофена так и для паяльника)

Изображение
Выставление фьюзов в AVR Studio http://www.radiokot.ru/forum/download/file.php?id=32061
Выставление фьюзов в CodeVisionAVR http://www.radiokot.ru/forum/download/file.php?id=32080
Выставление фьюзов в AVRDUDE http://www.radiokot.ru/forum/download/file.php?id=39142
Выставление фьюзов в Uniprof http://radiokot.ru/forum/download/file.php?id=41513 Не проверенно!
Калькулятор для расчёта фьюзов находиться тут http://www.engbedded.com/fusecalc/

Прошивки для обсуждаемой тут паяльной станции от Миха-Псков:

От много уважаемого автора данной станции Михи-Псков находятся в самой статье, которую можно прочитать тут http://radiokot.ru/lab/controller/32/

От многоуважаемого Volly есть прошивки под индикаторы с общим анодом (CA) и общим катодом (CC). Исходников прошивок автор не распространяет! Просить бесполезно!

Firmw.3.6b.CC&CA-fixed.rar находиться на странице 112. Для Atmega 8!!!
Скачать http://www.radiokot.ru/forum/download/file.php?id=33338 *
----------
Firmw3.7b-atmega88-2.rar находиться находиться на странице 130. Для Atmega 88!!! Версия 2.
Скачать download/file.php?id=40010 *
----------
Firmw.3.7b.CC&CA.rar находиться на странице 131. Для Atmega 8!!!
Скачать download/file.php?id=40336 *
----------
Firmw.3.8b.CC&CA.rar находиться на странице 182. Для Atmega 8!!!
Скачать download/file.php?id=66242 *
----------
Firmw.3.9b3.CC&CA.rar находиться на странице 191. Для Atmega 8!!!
Скачать download/file.php?id=73735 "Удаленно"
----------
Firmw.3.9b4.CC&CA.ATMEGA88.rar находиться на странице 192. Для Atmega 88!!!
Скачать download/file.php?id=73950 "Удаленно"
----------
Firmw.3.9b4.CC&CA.rar находиться на странице 192. Для Atmega 8!!!
Скачать download/file.php?id=73817 "Удаленно"
----------
Firmw.3.9b.CC&CA Fix.rar находиться на странице 195. Для Atmega 8!!!
Скачать download/file.php?id=84177 *
----------
Firmw.3.9b.CC&CA.ATMEGA88 Fix.rar находиться на странице 195. Для Atmega 88!!!
Скачать download/file.php?id=84176 *
----------
Firmw.900°С.CC&CA.ATMEGA8.rar находиться на странице 213. Для Atmega 8!!!
Скачать download/file.php?id=83489 *
ВНИМАНИЕ МАКСИМАЛЬНО ВОЗМОЖНАЯ ТЕМПЕРАТУРА В ПРОШИВКЕ 900°С - для муфельной печи :))
----------
Firmw_CAnode.rar находиться на странице 232. Для Atmega 8!!!
Скачать download/file.php?id=103816 *
Защита отключена. Вместо профиля мощности- гистерезис (0...9 + 1°).
----------
Firmw_CCath.rar находиться на странице 232. Для Atmega 8!!!
Скачать download/file.php?id=93602 *
Защита отключена. Вместо профиля мощности- гистерезис (0...9 + 1°).

----------

От многоуважаемого начинающего писателя прошивок, и просто хорошего человека Victor_P. прошивка для канала паяльник.
Исходников прошивок автор ..... а без понятия, может и распространяет


SI_Mikha_v09b.rar находиться на странице 255. Для Atmega 8!!!
Скачать download/file.php?id=105111 *
Новый EEPROM под него 3x7LED_Mikha_eep.rar
Скачать download/file.php?id=105203 *
Подробнее про настройку и возможности написано тут viewtopic.php?p=1248091#p1248091
Я надеюсь автор тхт с описанием приложит в архив в следующей ревизии :)) .
----------
SI_Mikha_VP_v1.0.rar находиться на странице 259. Для Atmega 8!!!
Скачать download/file.php?id=105111 *
----------
SI_Mikha_VP_v1.1.rar находиться на странице 263. Для Atmega 8!!!
Скачать download/file.php?id=108188 *
----------


Схемные решения для построения канала паяльника стандартные (выложены выше в посту), они отличаются от схемного решения применённого в Lykey!

----------

Внимание если вы меняете стандартную прошивку вашей заводской (китайской) паяльной станции в канале термофена или паяльника на ниже приведённые, то вам необходимо приобрести новые атмеги8, так как стоящие в станции считать и сохранить программатором не возможно :idea: После пере прошивки станции вам нужно отрегулировать температуру как комнатную (резистор подтяжки термопары к +5V, обычно имеет сопротивление примерно несколько мегоом) так и выставить рабочую температуру паяльника (подстроечным резистором) используя внешнюю термопару либо материалы с известной точкой плавления! Об этом написано ниже. Без этого нормальная работа паяльной станции в плане поддержания нужно температуры не гарантируется.

----------

Версии для Термофена Lykey 702 от Volly: Подходит как для замены штатной прошивки в Lykey, так и для самостоятельного изготовления ( схемные решения выложены выше).Внимание возможно нужно будет установить диод (если у вас его нету) для срезки полуволны по 220 вольтам при питании нагревателя фена (смотреть схемные решения выложенные выше)

----------
Luk702_fan_SE-2.rar находиться на странице 57, для индикатора с общим анодом, в данной прошивке диод для среза полуволны нужен. Скачать download/file.php?id=18793 *
----------
Luk_fan_CC.rar находиться на странице 68, для индикатора с общим катодом, в данной прошивке диод для среза полуволны нужен! Скачать download/file.php?id=21452 *
----------
Luk702_fan_SE-3.rar находиться на странице 137, для индикатора с общим анодом, в данной прошивке диод для среза полуволны не нужен, ограничение программное. Скачать download/file.php?id=43761 "Удаленно"
----------
Lukey_rework_b4.rar находиться на странице 215, для индикатора с общим анодом и катодом, в данной прошивке диод для среза полуволны нужен. Скачать download/file.php?id=87897 Тестовая бета "Удаленно"
----------
Lukey_rework_b5.rar находиться на странице 225, для индикатора с общим анодом и катодом, в данной прошивке диод для среза полуволны нужен. Скачать download/file.php?id=89491 Тестовая бета *
----------
Прошивки подходят для самостоятельного изготовления термофена по приведённым тут схемам.

***************************************************************

Версии для паяльника Lykey 702 от Volly: Для замены штатной прошивки в Lykey 702. Схемное решение их нее китайское. Не забываем читать файл README.TXT в нём описание данной прошивки.

Luk702_sir.rar находиться на странице 54.
Скачать download/file.php?id=18611 *
----------
Luk702_sir-SE.rar находиться на странице 55.
Скачать download/file.php?id=18625 *
----------
LUK702_sir_timer.rar находиться на странице 57.
Скачать download/file.php?id=18794 "Удаленно"
----------
Lukey_sir_b4.rar находиться на странице 225, для индикатора с общим анодом и катодом Скачать download/file.php?id=89492 * Тестовая бета
----------
Lukey_sir_b4 3sw-2.rar находиться на странице 256, для индикатора с общим анодом и катодом Скачать download/file.php?id=106237 * Тестовая бета
3 кнопки PC1, PC2, PC4, двухцветный светодиод подкл.- pc3, pc5. Управление таймерами как Lukey_sir_b4 (включить с нажатой кнопкой на pc1)
----------
Lukey_sir_b4 3sw-3.rar находиться на странице 259, для индикатора с общим анодом и катодом Скачать download/file.php?id=106737 * Тестовая бета
3 кнопки PC1, PC2, PC4, двухцветный светодиод подкл.- pc3, pc5. Управление таймерами как Lukey_sir_b4 (включить с нажатой кнопкой на pc1) Попробовал изменить немного частоту динам. индикации и АЦП преобразования. Так-же изменил выход из сна и офф. Выход из сна и офф- только по нажатию + или -. Выход из ERR- только выключением.
----------


Прошивка для паяльной станции Lukey852d+ (термофен)

Firmw.rar находиться на странице 78.
Скачать download/file.php?id=23977 для индикатора с общим анодом

Volly писал(а):
С прошивкой для Lukey 852D+ диод ставить нельзя, там оно программно ограничивается.


Не проверенные прошивки! :idea:

Firmw FAN CC.rar находиться тут download/file.php?id=43375 *
Для индикатора с общим катодом
Подробнее: на 137 странице - обсуждение.


Не известные прошивки под Lykey 702 (паяльник).

Luk702_3sw.rar находиться на странице 56 - думаю что для паяльника, добавлена возможность подключения 3 кнопок (прессетов температуры). Скачать download/file.php?id=18701 *
кнопки на PC1, PC2, PC4 (24 25 27 нога процессора)
биппер (со встроенным ген.) к порту B3 (17 нога)


Приведённые прошивки подходят для самостоятельного изготовления термофена по приведённым тут схемам. Но помните что индикаторы бывают с общим катодом или с общим анодом.
----------

main.eep- файл EEPROM
main.hex - файл программы

----------
Ошибки выдаваемые паяльником на индикатор
511 или Err - максимальная температура ( на выходе операционника больше 2.5 вольт ) , паяльник не подключен.
:))

Ошибки выдаваемые термофеном на индикатор
543 - Обрыв / не подключена термопара.
:))

Ревизии прошивок идут с верху вниз то есть в верху самые первые, в низу самые последние!

_________________
FAQ по паяльной станции "от михи-псков" и доработке Lykey 702/852D+,схемы,платы, прошивки


Последний раз редактировалось Spruts80 Пн май 21, 2012 20:09:42, всего редактировалось 31 раз(а).

Вернуться наверх
 
Не в сети
 Заголовок сообщения: Re: FAQ по Цифровой паяльной станции (от михи-псков)
СообщениеДобавлено: Чт мар 10, 2011 23:43:23 
Вымогатель припоя
Аватар пользователя

Карма: 4
Рейтинг сообщений: 102
Зарегистрирован: Чт фев 19, 2009 23:41:27
Сообщений: 615
Откуда: Беларусь, Барановичи
Рейтинг сообщения: 9
Печатки для самостоятельного изготовления паяльной станции.

Я конечно вас всех понимаю что тут дикое количество печаток собрано на любой вкус :)) и вы можете запутаться какую/какие прошивки использовать под ту или иную печатку :)) , помните есть всего 2 канала: канал паяльника и канал термофена и под них есть прошивки расположенные выше стоящих постах, каждый архив содержит прошивку под индикатор с общим катодом или общим анодом

Внимание! Проверяйте выбранную печатку и внимательно читайте форум, так как обычно за выкладыванием печатки идёт её обсуждение и решение проблем возникших при её использовании, но в большинстве случаев все они проверены мной по мере возможности а если и возник нет проблема то её всегда можно решить :))

----------
Печатка от Victor_P. находиться тут http://www.radiokot.ru/forum/viewtopic. ... 75#p345975
Коротко: всё в посте на странице 77. Проект в AD ниже по странице.
----------
Печатка от lsv35rus находиться тут viewtopic.php?p=356105#p356105
Коротко: всё в посте на странице 79.
----------
Печатка от Nimnul находиться тут viewtopic.php?p=358610#p358610
Коротко: всё в посте на странице 80. Оптимизированная печатка для ИК-излучателей.
----------
Печатка от wonderful находиться тут viewtopic.php?p=367600#p367600
Коротко: всё в посте на странице 82. Не плохой импульсный блок питания.
----------
Печатка от marjan83 находиться тут viewtopic.php?p=397668#p397668
Коротко: всё в посте на странице 94, канал паяльника.
----------
Печатка от serg_svd находиться тут viewtopic.php?p=407293#p407293
Коротко: всё в посте на странице 99.
----------
Печатка от Gudya находиться тут viewtopic.php?p=423292#p423292
Коротко: всё в посте на странице 103. Канал термофена.
----------
Печатка от Alex78 скачать download/file.php?id=37445
Коротко: всё в посте на странице 119.
----------
Печатка от moon7 находиться тут viewtopic.php?p=498090#p498090
Коротко: всё в посте на странице 120, SMD, микроконтроллер в корпусе Tqfp, канал паяльника.
----------
Печатка от Georgiy находиться тут viewtopic.php?p=513864#p513864
Коротко: всё в посте на странице 123.
----------
Печатка от aam находиться тут viewtopic.php?p=519488#p519488
Коротко: всё в посте на странице 125, SMD, микроконтроллер в корпусе Tqfp, канал паяльника.
----------
Печатка от IMUSTIM13 находиться тут http://moemesto.ru/IMUSTIM13/file/8728471/Цифровая%20паяльная%20станция.rar Скопируйте и вставьте ссылку в окно браузера.
Коротко: всё в посте на странице 130.
----------
Печатка от mgvmax находиться тут download/file.php?id=40004
Коротко: всё в посте на странице 130, платы и схемы в протеусе, контролёр АТмега88.
----------
Печатка от Nikolai4 находиться тут download/file.php?id=40424
Коротко: всё в посте на странице 131, smd, симистор и полевик на отдельной плате, питание от импульсного блока питания. Плата блока питания там же download/file.php?id=40425
----------
Печатка от IMUSTIM13 находиться тут http://moemesto.ru/IMUSTIM13/file/9308453/Только%20фен.rar Скопируйте и вставьте ссылку в окно браузера.
Коротко: всё в посте на странице 139, ДИП, канал термофена.
----------
Печатка от goodspeedmen находиться тут viewtopic.php?p=579418#p579418
Коротко: всё в посте на странице 139, ДИП, канал паяльника и термофена.
----------
Печатка от Victor_P. находиться тут download/file.php?id=43350 и download/file.php?id=43349
Коротко: всё в посте на странице 136, ДИП.
----------
Печатка от #DIZEL# находиться тут viewtopic.php?p=598157#p598157
Коротко: всё в посте на странице 141, ДИП, канал термофена.
----------
Печатки от меня находиться тут viewtopic.php?p=602950#p602950
Коротко: всё в посте на странице 145, ДИП и SMD, схемы и печатки в программе Dip Trace.
----------
Печатка от fox_ находиться тут download/file.php?id=47766
Коротко: всё в посте на странице 152, ДИП, канал паяльника.
----------
Печатка от sanderman находиться тут download/file.php?id=47734
Коротко: всё в посте на странице 152, SMD, микроконтроллеры в корпусе Tqfp, канал термофена и паяльника.
----------
Печатка от Skipew находиться тут download/file.php?id=47713
Коротко: всё в посте на странице 152, ПП фена, паяльника, индикации и БП.
----------
Печатка от Slavyan17 находиться тут download/file.php?id=57140
Коротко: всё в посте на странице 164, Дип компоненты, только канал паяльника.
----------
Печатка от Human находиться тут viewtopic.php?p=704434#p704434
Коротко: всё в посте на странице 164, SMD, микроконтроллер в корпусе Tqfp, только канал термофена.
----------
Печатка от меня находиться тут viewtopic.php?p=734312#p734312
Коротко: всё в посте на странице 171, только канал термофена, дип - компоненты, транзисторный регулятор.
----------
Печатка от vlad465 находиться тут download/file.php?id=60431
Коротко: всё в посте на странице 173, Импульсный источник питания, LM2575-ADJ вместо LM317, smd детали.
----------
Печатка от ra9yon находиться тут viewtopic.php?p=756886#p756886
Коротко: всё в посте на странице 176.
----------
Печатка от kernel находиться тут viewtopic.php?p=795541#p795541
Коротко: всё в посте на странице 180. ATmega в корпуе TQFP всё остальное выводное и Дип - корпусах. Только канал паяльника.
----------
Печатка от voffkaZ находиться тут viewtopic.php?p=879747#p879747
Коротко: всё в посте на странице 186. Канал паяльника и термофена. Дип компоненты.
----------
Печатка от Ашотакое находиться тут viewtopic.php?p=913801#p913801
Коротко: всё в посте на странице 191.
----------
Печатка от htscooter находиться тут viewtopic.php?p=1183534#p1183534
Коротко: всё в посте на странице 243. Импульсный БП (транс с АТХ БП), канал фена паяльника, модульная конструкция, SMD.
----------
Печатка от Archy находиться тут viewtopic.php?p=1219991#p1219991
Коротко: всё в посте на странице 253. SMD компоненты, 2 канала, регулятор оборотов на LM317, модульная конструкция.
----------

_________________
FAQ по паяльной станции "от михи-псков" и доработке Lykey 702/852D+,схемы,платы, прошивки


Последний раз редактировалось Spruts80 Вс апр 08, 2012 01:33:52, всего редактировалось 40 раз(а).

Вернуться наверх
 
Не в сети
 Заголовок сообщения: Re: FAQ по Цифровой паяльной станции (от михи-псков)
СообщениеДобавлено: Чт мар 10, 2011 23:44:03 
Вымогатель припоя
Аватар пользователя

Карма: 4
Рейтинг сообщений: 102
Зарегистрирован: Чт фев 19, 2009 23:41:27
Сообщений: 615
Откуда: Беларусь, Барановичи
Рейтинг сообщения: 10
Интересные решения в области блоков питания для паяльной станции и другое.

Интересное решение для питания паяльника от Slavyan17, начало обсуждения данной доработки находиться тут viewtopic.php?p=748302#p748302 и далее на странице.
Коротко об решении: Используется импульсный китайский трансформатор/блок питания для галогенок на 12В + умножитель напряжения, на выходе 24В.
----------
Калькулятор для собирающих блок питания на микросхеме MC34063 можно взять тут download/file.php?id=41274
----------
Схема и печатка блока питания в формате "AccelEDA15" (PCAD200x) можно взять на странице 120, вот тут viewtopic.php?p=498445#p498445 . Скачать download/file.php?id=37442
----------
Интересное решение в питании микроконтроллёрной части посредством микросхемы MC34063 находиться на странице 175, вот тут viewtopic.php?p=754192#p754192 .
----------
Об блоке питания паяльника на основе блока питания от галогенок viewtopic.php?p=608506#p608506 , страница 147
----------
Импульсный блок питания на основе транса из ATX блока + IR2153 от vlad465 находиться на странице 195, вот тут viewtopic.php?p=922443#p922443 Скачать печатку download/file.php?id=74471
----------

_________________
FAQ по паяльной станции "от михи-псков" и доработке Lykey 702/852D+,схемы,платы, прошивки


Последний раз редактировалось Spruts80 Вт авг 09, 2011 21:49:04, всего редактировалось 18 раз(а).

Вернуться наверх
 
Эиком - электронные компоненты и радиодетали
Не в сети
 Заголовок сообщения: Re: FAQ по Цифровой паяльной станции (от михи-псков)
СообщениеДобавлено: Чт мар 10, 2011 23:45:02 
Вымогатель припоя
Аватар пользователя

Карма: 4
Рейтинг сообщений: 102
Зарегистрирован: Чт фев 19, 2009 23:41:27
Сообщений: 615
Откуда: Беларусь, Барановичи
Рейтинг сообщения: 8
Настройка паяльной станции

Собранные и обобщённые высказывания котов по отладке паяльной станции :))

Канал Паяльник

1.Отключить нагреватель паяльника,установить подстроечник на операционнике в среднее положение.
У тех у кого применена компенсация холодного конца термоспая, подстроечник компенсатора также установить в среднее положение, если вместо подстроечника стоит постоянный резистор то нужно на время калибровки заменить его на подстроечный резистор.

2.Включаем станцию,подстроечником компенсатора холодного конца термоспая устанавливаем комнатную температуру,выключаем. (если в схеме отсутствует компенсатор то переходим к пункту 3)

3.Подключаем нагреватель, включаем, калибруем в диапазоне 200-400 градусов с помощью подстроечника на операционнике (обычно достаточно откалибровать по 300 градусам), выключаем, охлаждаемся :beer: .

4.Отключаем нагреватель,включаем ПС, при необходимости корректируем комнатную температуру подстроечником компенсатора холодного конца термоспая. (если в схеме отсутствует компенсатор то данный пункт вам не нужен :) )

5.Повторяем пункт 3. Обычно достаточно и одного раза но при желании продолжаем по тому-же алгоритму.
Температуру 200-400 меряем термопарой тестера в капле припоя на жале паяльника)

Если не удаётся выставить температуру то нужно заменить подстроечный резистор на больший/меньший номинал исходя из того сколько вам градусов не хватает до правильной/оптимальной температурки. Помните не все китайские термопары одинаковы :)) .

Канал Термофена

1.Отключить нагреватель термофена,установить подстроечник на операционнике в среднее положение.
У тех у кого применена компенсация холодного конца термоспая, подстроечник также установить в среднее положение, если вместо подстроечника стоит постоянный резистор то нужно на время калибровки заменить его на подстроечный резистор.

2.Включаем станцию,подстроечником компенсатора холодного конца термоспая устанавливаем комнатную температуру,выключаем. Вентилятор в это время может работать и гонять через термопару комнатный воздух.

3.Подключаем нагреватель, включаем, калибруем в диапазоне 200-400 градусов с помощью подстроечника на операционнике (обычно достаточно откалибровать по 300), выключаем, охлаждаемся :beer: .

4.Отключаем нагреватель, включаем ПС, при необходимости корректируем комнатную температуру подстроечником компенсатора холодного конца термоспая.

5.Повторяем пункт 3, обычно этого достаточно, при желании продолжаем по тому-же алгоритму.
Температуру 200-400 меряем термопарой тестера, держа термофен на расстоянии 1 - 1.5 сантиметра (от конца насадки) от термопары, либо грея что не будь измеряем температуру плавления припоя).

Скорость вентилятора при всех измерениях следует выставлять в среднее положение

Если не удаётся выставить температуру то нужно заменить подстроечный резистор на больший/меньший номинал исходя из того сколько вам градусов не хватает до правильной/оптимальной температурки. Помните не все китайские термопары одинаковы :))

_________________
FAQ по паяльной станции "от михи-псков" и доработке Lykey 702/852D+,схемы,платы, прошивки


Последний раз редактировалось Spruts80 Пт мар 11, 2011 12:08:45, всего редактировалось 1 раз.

Вернуться наверх
 
Не в сети
 Заголовок сообщения: Re: FAQ по Цифровой паяльной станции (от михи-псков)
СообщениеДобавлено: Чт мар 10, 2011 23:45:44 
Вымогатель припоя
Аватар пользователя

Карма: 4
Рейтинг сообщений: 102
Зарегистрирован: Чт фев 19, 2009 23:41:27
Сообщений: 615
Откуда: Беларусь, Барановичи
Рейтинг сообщения: 9
Краткий мануал по кнопкам паяльной станции.

Канал паяльника

От Volly

После включения станции на дисплее появляется надпись “OFF”. Из этого режима можно
задать время таймеров, температуру режима ожидания (Stand-by), а так-же задать
профили мощности:
2-ой таймер (таймер отката): отсчёт времени этого таймера начинается с момента
последнего нажатия кнопок (или сигнала подставки), и по истечении времени этого
таймера, станция перейдёт в режим ожидания (Stand-by), с индикацией “Sby”.
Установка времени: нажимаем и удерживаем кнопку “М2” более 2сек. На дисплее
высвечивается время таймера в минутах. Кнопками “+” и ”-” устанавливаем нужное
время. (0...99мин, 0-таймер отключен) Через 4сек. после окончания манипуляций
кнопками, станция вернётся в режим “OFF”.
1-ой таймер (таймер автовыключения): отсчёт времени этого таймера начинается с
момента перехода в режим ожидания. Если 2-ой таймер был отключен- с момента
последнего нажатия кнопок (или сигнала подставки). По истечении времени этого
таймера- станция выключается, с индикацией “OFF”.
Установка времени: нажимаем и удерживаем кнопку “М1” более 2сек. На дисплее
высвечивается время таймера в минутах. Кнопками “+” и ”-” устанавливаем нужное
время. (0...180мин, 0-таймер отключен) Через 4сек. после окончания манипуляций
кнопками, станция вернётся в режим “OFF”.
Режим ожидания (Stand-by): включается по срабатыванию 2-го таймера, и поддерживает
заранее заданную температуру. Если заданная для режима ожидания температура выше
рабочей, то будет поддерживаться рабочая, как более низкая.
Установка температуры режима ожидания: нажимаем и удерживаем кнопку “М3”
более 2сек. На дисплее высвечивается температура в градусах С. Кнопками “+” и ”-”
устанавливаем нужную температуру.(50...250°C) Через 4сек. после окончания
манипуляций кнопками, станция вернётся в режим “OFF”.
Профили мощности: профили управления мощностью нагревателя паяльника. Чем
мощней и “быстроразогревней” паяльник- тем выше должен быть профиль. Какой
профиль выбрать- устанавливается экспериментальным путём.
Установка профилей мощности: нажимаем и удерживаем кнопки “М1” и “М3” более
2сек. Кнопками “+” и ”-” выбираем нужный профиль. Через 4сек. после окончания
манипуляций кнопками, станция вернётся в режим “OFF”.


Источник viewtopic.php?p=614608#p614608 , скачать download/file.php?id=47617


Канал термофена

Назначение кнопок:

"M" - 3 ячейки памяти для предустановленных температур, переключаются по кругу, есть возможность занесения своих температурных значений.
"+T" - увеличение температуры, увеличение значения, шаг регулировки 1.
"-T" - уменьшение температуры, уменьшение значения, шаг регулировки 1.
В прошивке реализован режим быстрого увеличения/уменьшения температуры для этого нажмите и удерживайте требуемые кнопки (""-T"", ""+T"").

Занесение своих температур в память микроконтроллера (3 ячейки памяти):

1. Нажать и удерживать "М" до мигания дисплея и 2 звуковых сигналов.
2. Нажатием "М" выбрать требуемую ячейку памяти, по умолчании в прошивке находятся следующие значения 200, 250, 300.
3. Кнопками ""-T"" или ""+T"" выставить требуемое значение температуры в ячейке.
4. Для запоминания выставленного значения нажать и удерживать кнопку "М" до мигания дисплея и 2 звуковых сигналов.

Менять ячейки памяти можно как из режима Stand-by (на дисплее "---", термофен на подставке), так и из рабочего режима (на дисплее показывает текущую температуру).

Если после пункта номер 1 не были не совершенны не какие действия с кнопками, станция автоматически перейдёт в то состояние которое было до нажатия кнопки.

Минимальная температура термофена 50 градусов.
Максимальная температура термофена 480 градусов.

----------
Английский(English mini help) перевод не которых пунктов находиться тут viewtopic.php?p=537569#p537569

_________________
FAQ по паяльной станции "от михи-псков" и доработке Lykey 702/852D+,схемы,платы, прошивки


Последний раз редактировалось Spruts80 Пн мар 21, 2011 19:01:58, всего редактировалось 5 раз(а).

Вернуться наверх
 
Не в сети
 Заголовок сообщения: Re: FAQ по Цифровой паяльной станции (от михи-псков)
СообщениеДобавлено: Чт мар 10, 2011 23:46:43 
Вымогатель припоя
Аватар пользователя

Карма: 4
Рейтинг сообщений: 102
Зарегистрирован: Чт фев 19, 2009 23:41:27
Сообщений: 615
Откуда: Беларусь, Барановичи
Рейтинг сообщения: 9
Доработка китайских паяльников.

Многие коты с Форума сталкиваются с некорректными показаниями температуры при использовании паяльников Lykeu 702/868, для них рекомендуется доработать данный паяльник, перед калибровкой паяльной станции.

Маленький экскурс в нагревательные элементы:

Керамический нагревательный элемент с термопарой.
Данный нагревательный элемент содержит термопару в самом конце нагревательного элемента, в силу конструкции паяльника и криворукости китайских сборщиков данный нагревательный элемент не достаёт 5-6 мм до дна жала, что приводит к не корректным показаниям температуры и к плохой теплопередачи от нагревателя к жалу.

Изображение
Изображение

Керамический нагревательный элемент с термистором.
Данный нагревательный элемент содержит тонкоплёночный термистор в самом конце нагревательного элемента, в силу конструкции паяльника и криворукости китайских сборщиков данный нагревательный элемент не достаёт 5-6 мм до дна жала, что приводит к не корректным показаниям температуры и к плохой теплопередачи от нагревателя к жалу.

Изображение
Изображение

Так же к плохому теплопередаче приводит зазор между жалом и нагревателем:
наружный диаметр керамического нагревательного элемента с термопарой 3,8 мм, а внутренний диаметр жал серии HAKKO 900М - 4 мм) - данного не достатка нет в керамических нагревательных элементах с термистором от HAKKO типа А1321 они 4 мм в диаметре, и обеспечивают плотный контакт с жалом.

Видов доработок - уменьшения зазора между дном жала и нагревательным элементом существует много, выделим не которые из них:

1. Перепаивание выводов нагревателя и термопары на соседние площадки. Тем самым нагреватель выступит на не достающие мм и будет подпружинивать проводами при установке жала. Подробнее можно посмотреть на рисунке.

Первоисточник: Страница 146, автор #DIZEL#.

Изображение


2. Путём подрезание кожуха, трубок паяльника.

а) Замерять глубину у жала.
б) Промерять на сколько выпирает нагревающий элемент из трубки внутренней трубки (на конце трубки миллиметровая окантовка в которую упирается жало)
в) Посчитать в уме на сколько нагреватель не достаёт до дна жала, + добавить зазор.
Внимание! данная трубка должна легко выниматься из головы паяльника
г) Отрезал от трубки потом подогнать и подровнял в ручную на абразиве.
д) Промерять сколько нужно отрезать лишнего у внешнего кожуха,
отрезать, сделать кант у него (там тоже оставить не большой зазор который потом при закручивании гайки уйдёт за счёт подпруживания проводами).

Изображение

Ещё одна простая доработка паяльника типа Люкей от voffkaZ находиться тут в картинках
Коротко: очень простая доработка в три действия :))

Ещё одна простая доработка паяльника типа Люкей от vlad465

Хочу добавить еще один простой способ доработки паяльника, если жало не до конца встает на нагреватель - вложить в пазы ручки в которые вставляется платка ограничители необходимой длины, например кусочки спичек. Быстро и легко переделать, и должно помочь.

Порядок действий:
Вынимается плата
Берётся 2 ограничителя (спички например) нужной длины и вставляют до упора в пазы куда вставляется плата, собираем паяльник и контролируем, по необходимости добавляем или уменьшаем упоры.

Изображение

Красным обозначено место установки упора при вставке платы в пазы корпуса паяльника.

Изображение

При сборке осторожно закручивайте резьбу, пружина довольно упругая.

Паяльные станции.

Доработки своих паяльных станций обсуждаем и выкладываем в теме Конструктивные и схемотехнические доработки паяльных станций которая находиться тут viewtopic.php?f=8&t=56410


Вложения:
Lykey 702.GIF [14.11 KiB]
Скачиваний: 464299
1.JPG [52.97 KiB]
Скачиваний: 490947

_________________
FAQ по паяльной станции "от михи-псков" и доработке Lykey 702/852D+,схемы,платы, прошивки


Последний раз редактировалось Spruts80 Пн ноя 14, 2011 20:08:21, всего редактировалось 14 раз(а).
Вернуться наверх
 
Не в сети
 Заголовок сообщения: Re: FAQ по Цифровой паяльной станции (от михи-псков)
СообщениеДобавлено: Чт мар 10, 2011 23:47:18 
Вымогатель припоя
Аватар пользователя

Карма: 4
Рейтинг сообщений: 102
Зарегистрирован: Чт фев 19, 2009 23:41:27
Сообщений: 615
Откуда: Беларусь, Барановичи
Рейтинг сообщения: 9
Самодельные причиндалы к паяльной станции

Изготовление насадок для термофена типа 702.
viewtopic.php?f=25&t=8505&start=2380
И далее по странице.
----------
Самодельные насадки на термофен, выполненные по технологии выколотки
viewtopic.php?p=503562#p503562
----------
Изготовление корпуса для держателя паяльника из листовой стали и куска алюминиевой шины.
viewtopic.php?p=386453#p386453
----------
Изготавливаем фирменную подставку под термофен своими лапами, подробнее тут
viewtopic.php?f=25&t=8505&start=2280
----------
Изготавливаем/переделываем термофен своими лапами, подробнее тут viewtopic.php?f=3&t=4387
----------


Полезное об паяльниках

Трактат о паяльниках - рекомендую обязательно прочесть.

_________________
FAQ по паяльной станции "от михи-псков" и доработке Lykey 702/852D+,схемы,платы, прошивки


Последний раз редактировалось Spruts80 Чт июл 14, 2011 17:50:24, всего редактировалось 10 раз(а).

Вернуться наверх
 
Не в сети
 Заголовок сообщения: Re: FAQ по Цифровой паяльной станции (от михи-псков)
СообщениеДобавлено: Чт мар 10, 2011 23:48:16 
Вымогатель припоя
Аватар пользователя

Карма: 4
Рейтинг сообщений: 102
Зарегистрирован: Чт фев 19, 2009 23:41:27
Сообщений: 615
Откуда: Беларусь, Барановичи
Рейтинг сообщения: 9
Пост скриптум

Если по каким либо причинам вам не понравилась станция изложенная выше - не переживайте, возможно вы найдёте то что вам нужно ниже :beer:

И вот появилась станция типа Миха псков с энкодером и на семисегментиках viewtopic.php?p=1192962#p1192962 от кота Victor_P за что ему почёт, и внеплановые сто грамм валерьянки :beer:

И так вы прочитали данный FAQ по паяльной станции, подобрали детали и чисто мемо лётом откопали в своих заначках двух строчный экранчик ЖКИ на бесмертном контролёре HD44780/KS066 и вам его совершенно не куда деть, то вы можете собрать другую паяльную станцию от Pavel V, тема обсуждения которой находиться тут viewtopic.php?f=25&t=2016

А если вы вместе экранчиком чисто случайно нашли энкодер то можете собрать паяльную станцию от Shuriko, тема обсуждения которой находиться тут viewtopic.php?f=25&t=26703

Ну а если у вас есть микроконтроллер семейства PIC то вы можете собрать эту viewtopic.php?f=25&t=50277 чудесную станцию, которая продолжает развиваться. :))

А вот мега паяльный комбайн (5-в-1) находиться тут http://radiokot.ru/lab/controller/58/ обсуждение тут viewtopic.php?f=25&t=65694

И не спешите выкидывать ваш старый паяльник! ведь с небольшим приспособлением пользоваться им станет ещё проще, подробнее тут viewtopic.php?f=25&t=11820

Маленький FAQ по LED индикаторам для паяльной станции

Распиновка индикатора от микроволновки от ViLtich viewtopic.php?p=849499#p849499
Сборник распиновок и заменимости индикаторов http://www.alfacomponent.com/r_rayconn/cross_table.php

_________________
FAQ по паяльной станции "от михи-псков" и доработке Lykey 702/852D+,схемы,платы, прошивки


Последний раз редактировалось Spruts80 Пн мар 19, 2012 18:27:44, всего редактировалось 7 раз(а).

Вернуться наверх
 
Не в сети
 Заголовок сообщения: Re: FAQ по Цифровой паяльной станции (от михи-псков)
СообщениеДобавлено: Чт апр 07, 2011 20:04:34 
Собутыльник Сэра Мурра
Аватар пользователя

Карма: 23
Рейтинг сообщений: 6
Зарегистрирован: Вт янв 10, 2006 00:26:45
Сообщений: 2918
Откуда: Челябинск
Рейтинг сообщения: 0
Офигел от обьема работы :) Снимаю шляпу!
А тему пожалуй прилеплю, чтоб не плодили новые.

_________________
Увлекательный ресурс об электронике и не только


Вернуться наверх
 
Не в сети
 Заголовок сообщения: Re: FAQ по Цифровой паяльной станции (от михи-псков)
СообщениеДобавлено: Пт апр 08, 2011 19:20:27 
Встал на лапы
Аватар пользователя

Карма: -1
Рейтинг сообщений: 2
Зарегистрирован: Пн авг 02, 2010 17:03:32
Сообщений: 89
Откуда: Украина
Рейтинг сообщения: 0
Огромный труд. Уважаю. Наконец то всё собрано в одном месте. Начну собирать.


Вернуться наверх
 
Не в сети
 Заголовок сообщения: Re: FAQ по Цифровой паяльной станции (от михи-псков)
СообщениеДобавлено: Пн апр 11, 2011 13:42:16 
Первый раз сказал Мяу!

Карма: 6
Рейтинг сообщений: 4
Зарегистрирован: Пн янв 07, 2008 23:02:30
Сообщений: 30
Откуда: Псков
Рейтинг сообщения: 0
Ковыряйте!

Spruts80 - респект!


Вложения:
Комментарий к файлу: исходник
исходник.rar [12.43 KiB]
Скачиваний: 5913
Вернуться наверх
 
Не в сети
 Заголовок сообщения: Re: FAQ по Цифровой паяльной станции (от михи-псков)
СообщениеДобавлено: Пн апр 11, 2011 17:17:56 
Вымогатель припоя
Аватар пользователя

Карма: 4
Рейтинг сообщений: 102
Зарегистрирован: Чт фев 19, 2009 23:41:27
Сообщений: 615
Откуда: Беларусь, Барановичи
Рейтинг сообщения: 0
миха-псков писал(а):
Ковыряйте!

Spruts80 - респект!

Спасибо от всех котов :beer:

_________________
FAQ по паяльной станции "от михи-псков" и доработке Lykey 702/852D+,схемы,платы, прошивки


Вернуться наверх
 
Не в сети
 Заголовок сообщения: Re: FAQ по Цифровой паяльной станции (от михи-псков)
СообщениеДобавлено: Вт апр 12, 2011 17:02:38 
Родился

Зарегистрирован: Вт апр 12, 2011 16:01:38
Сообщений: 3
Рейтинг сообщения: 0
Изменен так как

Nimnul писал(а):
Я вот не пойму, зачем создавать FAQ если в нем пишут коменты....Spruts80 сделай ее закрытой и сам добавляй тонкости, а то она опять разрастётся, как и тема.

_________________
Я еще даже не чайник, я только на него учусь!


Последний раз редактировалось berdax Пт апр 15, 2011 07:34:09, всего редактировалось 1 раз.

Вернуться наверх
 
Не в сети
 Заголовок сообщения: Re: FAQ по Цифровой паяльной станции (от михи-псков)
СообщениеДобавлено: Вт апр 12, 2011 17:04:39 
Родился

Зарегистрирован: Вт апр 12, 2011 16:01:38
Сообщений: 3
Рейтинг сообщения: 0
кстати может кто уже тоже как и я "палил" свою станцию и уже знает точно что там надо менять.

_________________
Я еще даже не чайник, я только на него учусь!


Вернуться наверх
 
Не в сети
 Заголовок сообщения: Re: FAQ по Цифровой паяльной станции (от михи-псков)
СообщениеДобавлено: Вт апр 12, 2011 18:30:57 
Вымогатель припоя
Аватар пользователя

Карма: 4
Рейтинг сообщений: 102
Зарегистрирован: Чт фев 19, 2009 23:41:27
Сообщений: 615
Откуда: Беларусь, Барановичи
Рейтинг сообщения: 0
berdax писал(а):
кстати может кто уже тоже как и я "палил" свою станцию и уже знает точно что там надо менять.

Вы первый кто таким образом умудрился спалить канал паяльника, проверьте оптопару она точно в мир иной ушла и симистор замените. и впредь будьте внимательны при не досылке пружины она может замкнуть дорожки, да и провод от неё должен выходить со стороны впайки проводов а не со стороны дорожек, ну и изолировать тоже желательно.

По второму способу проще переделывать, тем более трубку (тонкую) что с гайки выходит обычно легко вытащить - она просто вставлена, а раньше ещё и прессовали.

_________________
FAQ по паяльной станции "от михи-псков" и доработке Lykey 702/852D+,схемы,платы, прошивки


Вернуться наверх
 
Не в сети
 Заголовок сообщения: Re: FAQ по Цифровой паяльной станции (от михи-псков)
СообщениеДобавлено: Ср апр 13, 2011 07:31:08 
Родился

Зарегистрирован: Вт апр 12, 2011 16:01:38
Сообщений: 3
Рейтинг сообщения: 0
Изменен так как

Nimnul писал(а):
Я вот не пойму, зачем создавать FAQ если в нем пишут коменты....Spruts80 сделай ее закрытой и сам добавляй тонкости, а то она опять разрастётся, как и тема.

_________________
Я еще даже не чайник, я только на него учусь!


Последний раз редактировалось berdax Пт апр 15, 2011 07:35:42, всего редактировалось 1 раз.

Вернуться наверх
 
Не в сети
 Заголовок сообщения: Re: FAQ по Цифровой паяльной станции (от михи-псков)
СообщениеДобавлено: Чт апр 14, 2011 22:37:21 
Опытный кот
Аватар пользователя

Карма: 14
Рейтинг сообщений: 434
Зарегистрирован: Ср янв 30, 2008 22:28:09
Сообщений: 884
Откуда: Украина Харьковская обл.
Рейтинг сообщения: 0
Хотел удалить комент...но на форуме нет такой возможности, пост убрал.
Spruts80 FAQ просто сказка...ОГРОМНЫЙ респектище за проделаный труд.


Последний раз редактировалось Nimnul Пт апр 15, 2011 09:21:49, всего редактировалось 2 раз(а).

Вернуться наверх
 
Не в сети
 Заголовок сообщения: Re: FAQ по Цифровой паяльной станции (от михи-псков)
СообщениеДобавлено: Чт апр 14, 2011 23:13:02 
Вымогатель припоя
Аватар пользователя

Карма: 4
Рейтинг сообщений: 102
Зарегистрирован: Чт фев 19, 2009 23:41:27
Сообщений: 615
Откуда: Беларусь, Барановичи
Рейтинг сообщения: 0
Nimnul писал(а):
Я вот не пойму, зачем создавать FAQ если в нем пишут коменты....Spruts80 сделай ее закрытой и сам добавляй тонкости, а то она опять разрастётся, как и тема.

Я не могу этого сделать, для этого требуются права модератора, да и зачем? Главное сделано, всё собрано, а далее пусть народ дополняет, я же соберу умные мысли и тех. решения. на 1 странице. Хотя обсуждение и решение проблем с паяльной станцией лучше решать в головной теме! viewtopic.php?f=25&t=8505

_________________
FAQ по паяльной станции "от михи-псков" и доработке Lykey 702/852D+,схемы,платы, прошивки


Вернуться наверх
 
Не в сети
 Заголовок сообщения: Re: FAQ по Цифровой паяльной станции (от михи-псков)
СообщениеДобавлено: Вт июн 14, 2011 02:30:17 
Родился

Зарегистрирован: Вт июн 14, 2011 02:19:29
Сообщений: 3
Рейтинг сообщения: 0
Здравствуйте!!!
А для Atmega16 такуж табличку, пытаюсь повторить подвиг людей построивших это http://radiokot.ru/konkurs/041/
а выбор не велик. Знаю шо 4 шима и много портов и разные корпуса.
поиск по сайту не работает, а таблица хорошая.


Вернуться наверх
 
Показать сообщения за:  Сортировать по:  Вернуться наверх
Начать новую тему Ответить на тему  [ Сообщений: 341 ]  1, , , , ...  

Часовой пояс: UTC + 3 часа


Кто сейчас на форуме

Сейчас этот форум просматривают: нет зарегистрированных пользователей и гости: 23


Вы не можете начинать темы
Вы не можете отвечать на сообщения
Вы не можете редактировать свои сообщения
Вы не можете удалять свои сообщения
Вы не можете добавлять вложения

Найти:
Перейти:  


Powered by phpBB © 2000, 2002, 2005, 2007 phpBB Group
Русская поддержка phpBB
Extended by Karma MOD © 2007—2012 m157y
Extended by Topic Tags MOD © 2012 m157y